Codes P0335 and P0340, when I shift transmission into reverse or neutral or even park the car shuts off?

2004 TOYOTA HIGHLANDER
238,000 MILES • 3.3L • V6 • 4WD • AUTOMATIC
Avatar
JEFF_18
  • MEMBER
  • 16 POSTS
Issue just popped up. When I start my car I notice that the fuel gauge and engine temperature gauge does not work. When I shift it into gear the gauges start working as it should. When I shift the gear into reverse or neutral or even park the car shuts off. When I scan the OBD system, I was getting P0335, P0340, P0345. I changed the crankshaft sensor and now I was able to get rid of the P0345 code, but the other 2 codes remained, and the vehicle is still doing the same thing. Vehicle idles normally but when shifting into gear the car shuts off. Alternator and battery is good and I had changed that few months ago. When I rev the engine quite a bit and shift into gear, the car will stay on but when I shift it out of drive then it will shut off. Please help!!
Mar 8, 2024 at 5:59 PM
Advertisement
Avatar
JACOBANDNICKOLAS
  • CERTIFIED EXPERT
  • 110,175 POSTS
Hi,

One code is for the crankshaft position sensor (no signal) and the other is for a camshaft position sensor (no signal).

There are a few things that can cause this. For example, a wiring issue may have occurred, or a sensor may have failed. Also, one of the reluctor wheels (camshaft pulley) may have failed. However, for both to happen at the same time would be odd. That leads me to think it could be related to the ECM (engine control module).

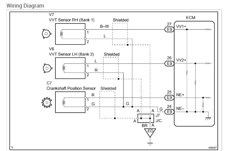
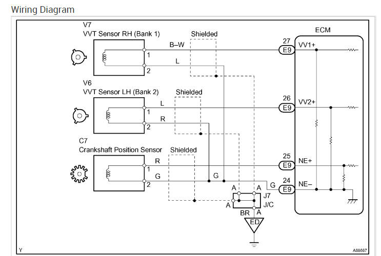
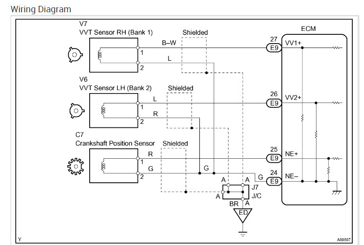
Take a look below. I attached the diagnostics for both codes. Take a look through them and let me know if you are comfortable performing them.

Here is a link you may find helpful:

https://www.2carpros.com/articles/how-to-check-wiring

Let me know.

Joe

See pics below.
Mar 8, 2024 at 8:35 PM
Avatar
JEFF_18
  • MEMBER
  • 16 POSTS
Hello,

Thanks for the reply. I haven’t tried those wiring checks yet. The car will idle fine after u start it and will only shut off when let’s say I’m in drive for example and shift it to another gear. I noticed that when I was scanning for codes, I hear multiple clicking around the area of the steering wheel after 1-2 minutes and the fuel pump starts running continuously when the ignition is in on mode with engine off. Once I turn the ignition to the off position the fuel pump turns off. I suspect the fuel pump relay is sticking. I have never seen the car so that before and it just started doing that. Can you help me with locating the fuel pump relay please?
Mar 9, 2024 at 9:42 AM
Advertisement
Avatar
JACOBANDNICKOLAS
  • CERTIFIED EXPERT
  • 110,175 POSTS
Hi,

The relay for the fuel pump on this vehicle is referred to as a "Circuit Opening Relay." It is located inside the vehicle under the dash on the driver's side.

I attached a couple of pics for you below. Let me know if this helps.

Take care,

Joe

See pics below.
Mar 9, 2024 at 6:14 PM