Codes U0100 and 0101, will not start?

2018 TOYOTA HIGHLANDER
134,315 MILES • 3.5L • V6 • 4WD • AUTOMATIC
Avatar
MALLYBOY
  • MEMBER
  • 327 POSTS
This vehicle cannot start when cranked, i diagnose and pick the above codes. u0100- loss communication with ECM/PCM a, u0101-loss communication with TCM. so, i need ECM pinout diagram, ECM communication diagram from dlc to ECM, component location diagram, fuse box diagram and power diagram to trace this fault.
Nov 5, 2024 at 5:59 AM
Advertisement
Avatar
STRAILER
  • CERTIFIED EXPERT
  • 53,854 POSTS
Was this car under water? I would start by checking all fuses, make sure the battery is good before you begin. Also, check for any main grounds that have been left off. They don't have pin outs but I did get the engine and transmission wiring diagrams so you can check for power and grounds.

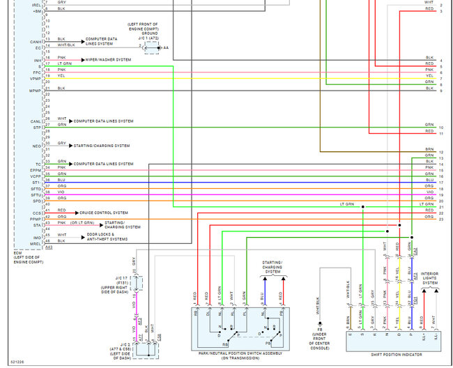
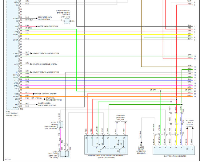
U0100 - Lost Communication with ECM/PCM:
U0101 - Lost Communication with Transmission Control Module (TCM):

Here are the fuse locations, please check the fuses for power as well with the ignition system on.

https://www.2carpros.com/articles/how-to-check-a-car-fuse

Would you please consider helping us keep the site going by using our GoFundMe page?

https://gofund.me/c7d318ad

Check out the images (below). Please let us know what happens.
Nov 5, 2024 at 1:10 PM
Avatar
MALLYBOY
  • MEMBER
  • 327 POSTS
The vehicle was not under water. You did not include computer data I.e communication line circuit and communication junction connector's location to check why the ECM is not communicating, please send the computer data line circuit and data line junction connectors and their locations.... Thanks
Nov 5, 2024 at 7:50 PM
Advertisement
Avatar
MALLYBOY
  • MEMBER
  • 327 POSTS
Please send the communication diagram from DLC to ECM please and data line junction connector.
Nov 6, 2024 at 12:44 PM
Avatar
MALLYBOY
  • MEMBER
  • 327 POSTS
From this diagram you sent, I see C1 diagram on ECM CONNECTOR, What of C2 diagram on the second ECM CONNECTOR?
Nov 6, 2024 at 8:40 PM
Avatar
STRAILER
  • CERTIFIED EXPERT
  • 53,854 POSTS
Would you please consider helping us keep the site going by using our GoFundMe page?

https://gofund.me/c7d318ad
Nov 7, 2024 at 5:29 PM