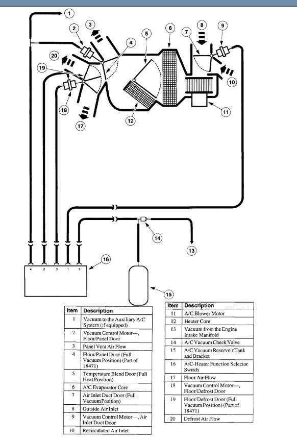
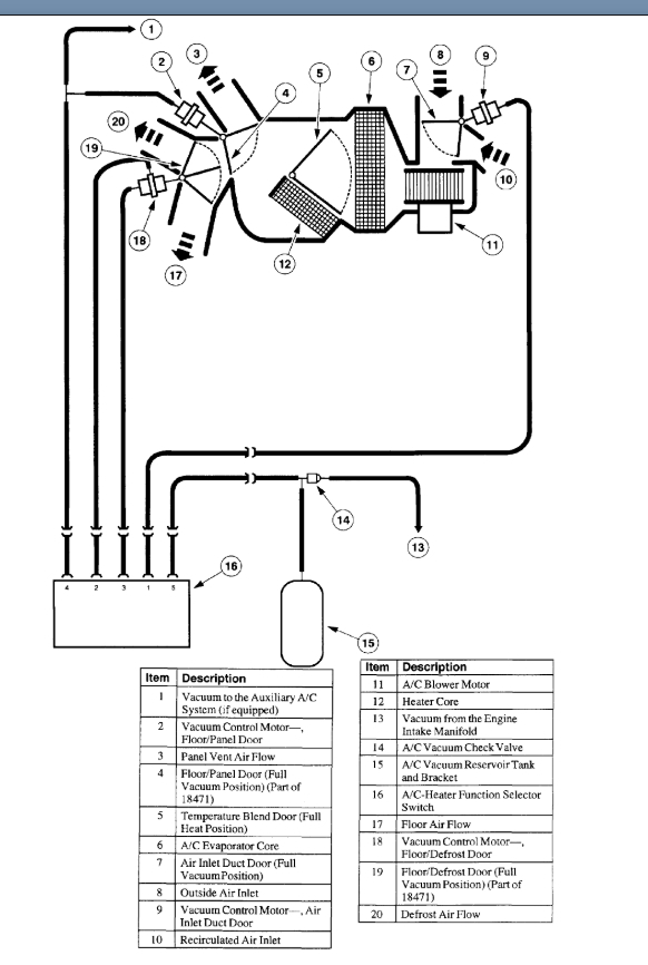
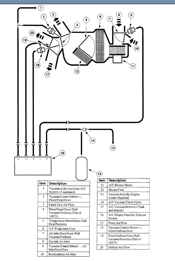
Vacuum check valve location

1999 FORD E-SERIES VAN
168,000 MILES • 4.6L • V8 • 2WD • AUTOMATIC
Avatar
RON KAZ
  • MEMBER
  • 1 POST
Can you tell/show me where the vacuum check valve is for vent and defrost? Thank you
Sep 4, 2018 at 7:23 PM
Advertisement
Avatar
STRAILER
  • CERTIFIED EXPERT
  • 53,854 POSTS
Hello,

The vacuum check valve is right off of the engine intake manifold. Here is a diagram to show you how the system works and where the check valve is. Check out the diagrams (below). Please let us know if you need anything else to get the problem fixed. Cheers, Ken
Sep 6, 2018 at 10:36 AM