How to bypass and or delete VATS?

2000 CHEVROLET TAHOE
180,000 MILES • 5.7L • V8 • 4WD • AUTOMATIC
Avatar
EARL91
  • MEMBER
  • 89 POSTS
I need help to bypass and or delete this anti-theft VATS module. Please help.
Apr 26, 2024 at 4:21 AM
Advertisement
Avatar
STRAILER
  • CERTIFIED EXPERT
  • 53,854 POSTS
You can get a bypass module online or you can do a resistor bypass as well. Look on YouTube they will show you how.
Apr 26, 2024 at 10:42 AM
Avatar
EARL91
  • MEMBER
  • 89 POSTS
Do you have a part number for the module? Resistor not work.
Apr 26, 2024 at 10:50 AM
Advertisement
Avatar
STEVE W.
  • CERTIFIED EXPERT
  • 15,113 POSTS
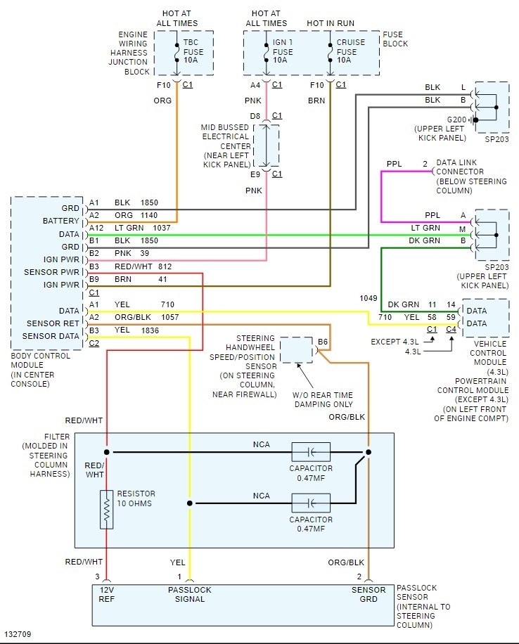
The Tahoe of that year uses the pass lock system. The resistor trick will work on the earlier passkey systems, the pass lock however uses a magnet on the ignition barrel to activate a hall effect trigger in the housing. That sends a frequency signal to the VATS to tell it you have a valid key. There are modules out there that claim to work to bypass the system, however they are not something you get from a parts store or dealer so no real name or part number.
Apr 26, 2024 at 4:43 PM
Avatar
EARL91
  • MEMBER
  • 89 POSTS
It's a 2000 tahoe. The old body style. I don't know what it is. Is it a ground. My ignition switch tumbler. I don't know any suggestions wiring diagram anything. This is my daily driver.
Apr 29, 2024 at 2:53 AM
Avatar
STEVE W.
  • CERTIFIED EXPERT
  • 15,113 POSTS
Okay, does your key turn the ignition? It just doesn't turn off the security light so it will start? Or is that not the issue? What does it do if you put the key in and turn or try to turn it?
If you put the key in and turn it to start but the security light comes on, there is a failed component in the VATS system. Which is fairly common with that design. The sensor inside the column likes to fail. Then it doesn't send the signal to the BCM, and the VATS system locks the injection system so the vehicle doesn't run.
So please explain what it does when you try the key, thank you.
Apr 29, 2024 at 6:31 AM
Avatar
EARL91
  • MEMBER
  • 89 POSTS
Okay, so the key does work. It will start and shut off right away. I have tried the relearn it does not work. The security light just stays on. ruining my fuel pump every time I Tru to start it. I hope it's not the housing.
Apr 29, 2024 at 9:22 AM
Avatar
STEVE W.
  • CERTIFIED EXPERT
  • 15,113 POSTS
If the key works and it starts and shuts off, and the 30 minute relearn does nothing the most likely issue is the passlock sensor in the steering column. They are replaceable, but you would need to talk to a dealer. GM changed procedures a while back for security issues.
Book time is around 1.5 hours to replace it, but they don't show current pricing on the parts.
As a DIY the repair is a pain unless you have a scan tool to verify the faults and then test the sensor.
Apr 29, 2024 at 11:24 AM
Avatar
EARL91
  • MEMBER
  • 89 POSTS
I have a scan tool at my work. Autel
Apr 30, 2024 at 3:10 AM
Avatar
STEVE W.
  • CERTIFIED EXPERT
  • 15,113 POSTS
Okay, go into the live data and security and look for the VATS signal. As you turn the key from off tp on or start it should, on a working sensor, switch from off to on or similar. If you see that then look in the body and instrument panel for error codes. Like I said the sensor failing is the common problem, but the VATS uses a few parts.
Apr 30, 2024 at 9:20 AM