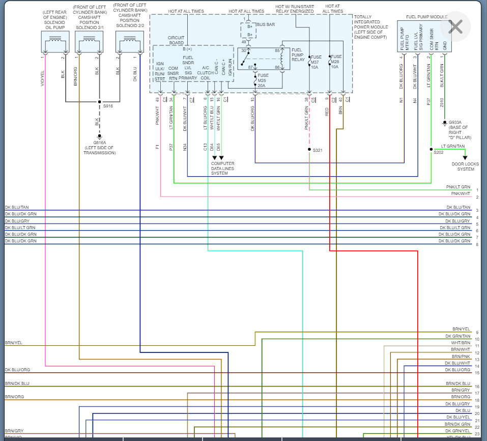
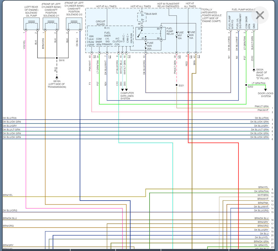
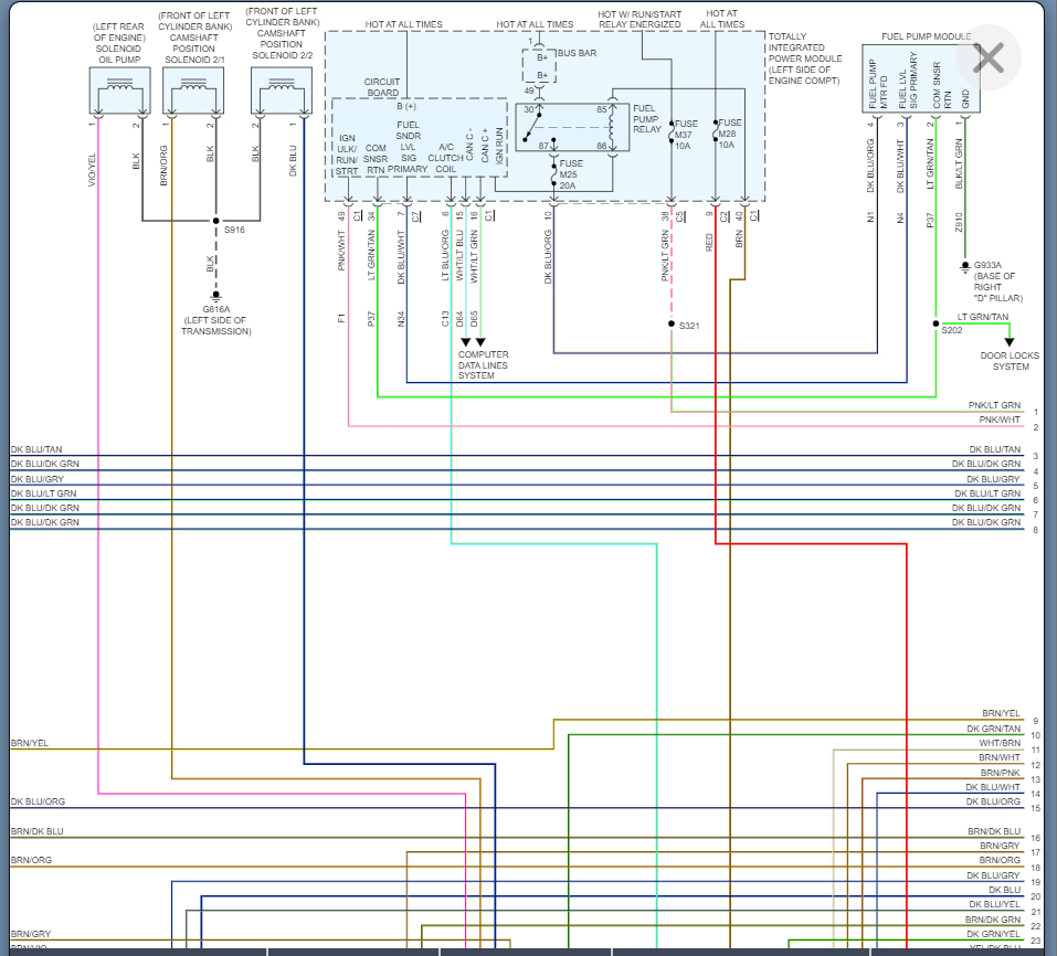
For the last couple of weeks now, my van will black out while driving the computer tries to reset itself to factory default. The radio computer software is believed to be corrupt and does not reset to factory default. Anyway, the first few times this happened I was stopped at a light or in traffic and the vehicles stopped working. However, the vehicles would start back up, but when I am driving down the highway the car is driving and the next thing, I know the radio blacked out and within a half-minute the radio back on and the center displays on my dashboard is back at menu select. The van does sputter a bit when that happens. The van also sputters when I am giving it gas when moving from a stopped position it also does it when driving down the highway.
The only code I am getting is P0420, but I don't believe a Catalytic sensor on Bank 2 can be causing the problem. I am leaning to a bad fuel pump, but I just don't know. I can't get rid of it. I just brought it in October, and it is currently being financed. Depending on how big the job is I may end up doing the work myself. Any ideas or suggestions?
The only code I am getting is P0420, but I don't believe a Catalytic sensor on Bank 2 can be causing the problem. I am leaning to a bad fuel pump, but I just don't know. I can't get rid of it. I just brought it in October, and it is currently being financed. Depending on how big the job is I may end up doing the work myself. Any ideas or suggestions?
Feb 2, 2022 at 11:26 AM


