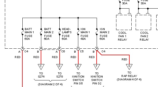
changed battery and van cranked up and started about 10 times,all at once it cranks but wont start up . I don't have spark are fuel pressure,battery is strong.i don't know if the alarm system would cause it. thought it only stopped fuel.i checked fuses and relay as best as I can. would body module cause this? i appricate any help.
Apr 12, 2014 at 12:32 PM



