☰
Login
Join
×
Home
Answered Questions
Repair Topics
Repair & Service Guides
Popular Questions
Warning Lights
Trouble Codes
How It Works
Testing / Diagnostics
Symptoms
Videos
Login
Become a Member
Home
Ford
F-150
Engine
Vacuum Hose Diagram
Vacuum line diagram needed?
2005 FORD F-150
197,999 MILES • 4.6L • V8 • 4WD • AUTOMATIC
MICHAEL GUNN
MEMBER
1 POST
FOLLOW
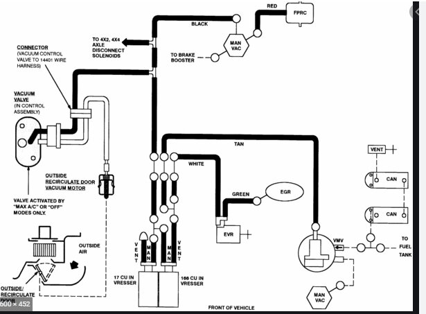
I need a complete list of all vacuum lines.
Aug 29, 2023 at 12:14 PM
Advertisement
STRAILER
CERTIFIED EXPERT
53,854 POSTS
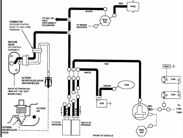
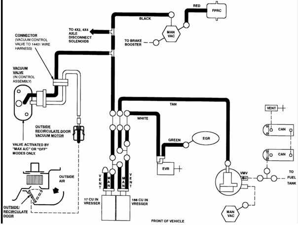
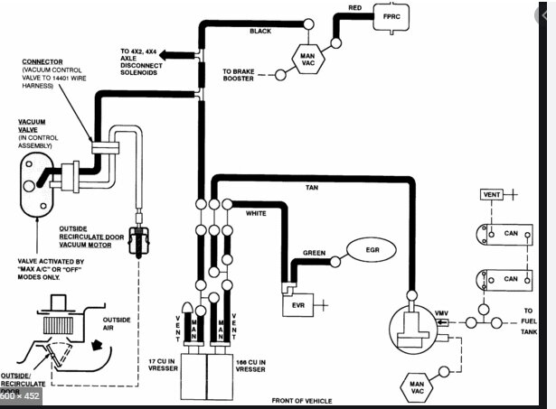
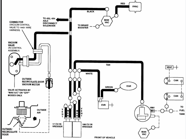
Sure, here are all of the vacuum line diagrams I could find for you. Check out the images (below). Please let us know if you need anything else to get the problem fixed.
Images (Click to enlarge)
Aug 30, 2023 at 11:01 AM