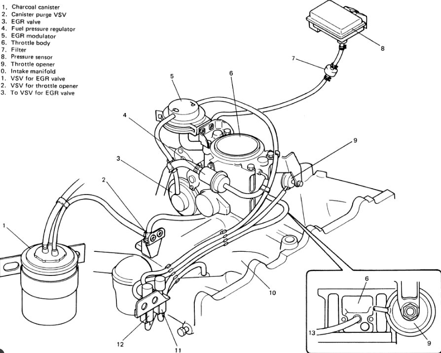
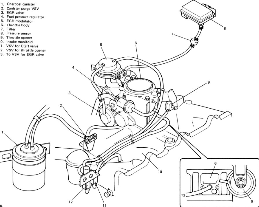
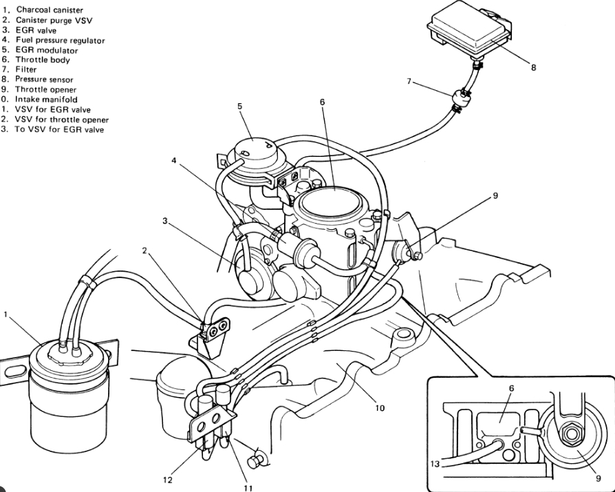
I've got an 85crx w a 88acura motor by previous owner. The motor is stamped D16. I cannot find a vacuum hose diagram for this motor. Any help would be greatly appreciated. Thank you
Sep 11, 2025 at 9:36 AM

