Vacuum Hose Diagram needed?

2003 CHEVROLET MALIBU
150,000 MILES • 3.1L • V6 • 2WD • AUTOMATIC
Avatar
TWASIL64
  • MEMBER
  • 3 POSTS
My car is running rough at idle. It runs great when driving but when I make a stop on the road, or the rpm drops below 900 RPM, it runs rough again. I have replaced the EGR valve and the EGR line, idle control valve, and spark plugs.

I am requesting a vacuum hose diagram for this car.


Thank you,

Tom
Oct 18, 2023 at 3:02 PM
Advertisement
Avatar
AL514
  • CERTIFIED EXPERT
  • 5,465 POSTS
Hello, I have all the vacuum diagrams pulled up for you, but have you checked to see if there is any carbon build up on the edges of the throttle plates, another possibility is the Mass Air flow sensor needs to be cleaned, the small resistor inside the MAF eventually gets dirty and the sensor will under report air flow causing a rough idle, I will put up a guide for cleaning the MAF as well. Auto parts stores sell Mass Air flow cleaner designed for that sensor specifically.
The 1st diagram is the vacuum hoses in the engine compartment, the intake manifold I colored in orange just to identify it, the 2nd diagram is the Evap vapor management system which pulls fuel vapor from the gas tank and burns it in the engine to keep emissions down.
You can try temporarily blocking off the Purge valve and see if it causes the idle to smooth out.
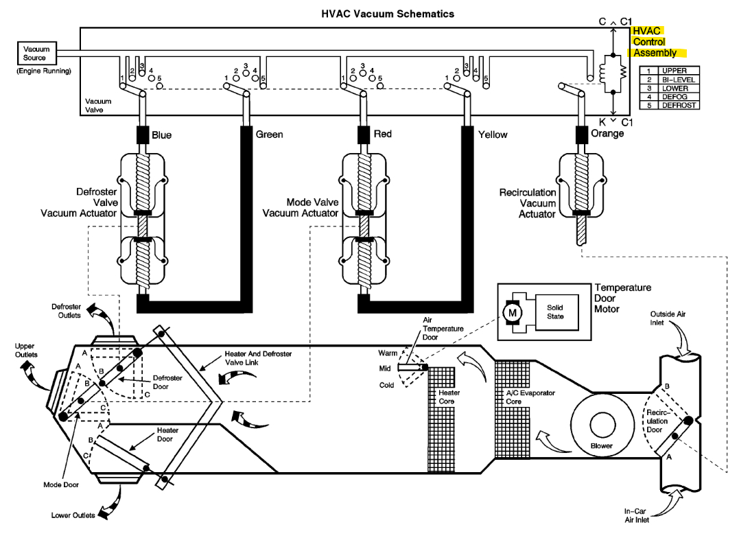
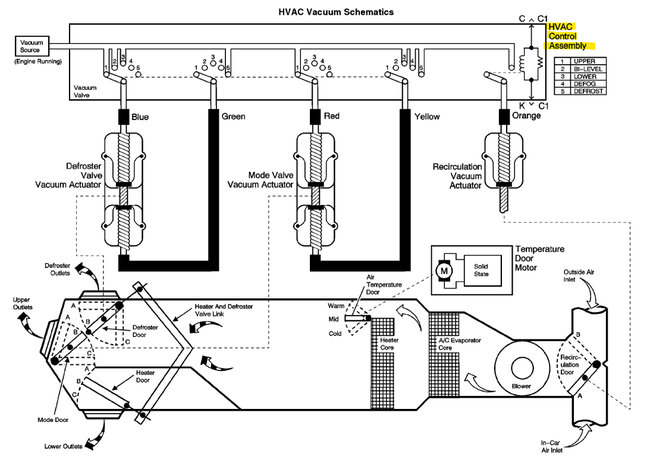
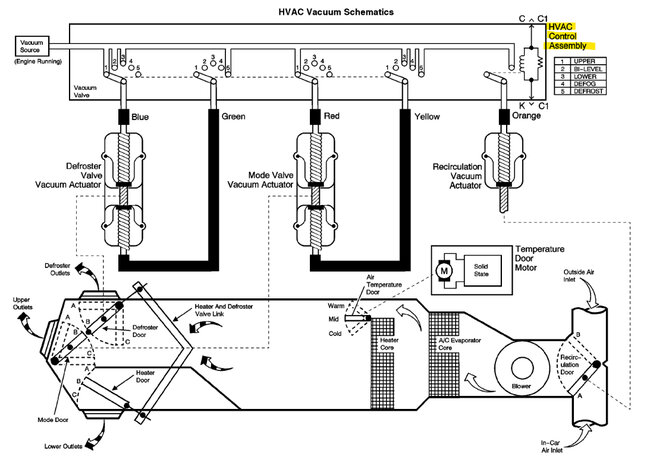
The 3rd diagram is if your vehicle has vacuum controlled HVAC heating system. The HVAC controls divert vacuum from the engine to different solenoids in the dash to move the different mode doors for the vents and temperature controls. So, if you have any of the vents that don't divert to the floor or defrost, it's possible for there to be vacuum leaks in the dash that affect the engine.
Has the check engine light been on at any time?

https://www.2carpros.com/articles/mass-air-flow-service

https://www.2carpros.com/articles/a-comprehensive-guide-to-diagnosing-and-fixing-erratic-engine-idle

https://www.2carpros.com/articles/how-to-use-an-engine-vacuum-gauge
Oct 18, 2023 at 4:37 PM
Avatar
TWASIL64
  • MEMBER
  • 3 POSTS
The check engine is on. There are two codes that came up:
P0171 - System to lean
P0442 - Evaporative emission control system, small leak detected.
Oct 19, 2023 at 8:40 AM
Advertisement
Avatar
AL514
  • CERTIFIED EXPERT
  • 5,465 POSTS
If the Purge valve is stuck open, it can cause a lean code, because there is a Vent valve back near the gas tank that draws in fresh air while the purge valve is pulling fuel vapors from the gas tank. If the Purge valve is stuck open or leaking when it should be closed, it will be pulling fresh air in. The engine computer will only Purge the fuel vapors under certain conditions. So, I would first try blocking off the purge valve temporarily, and see if the engine idle improves, it will be ok to run the engine for a few minutes like this. You shouldn't need to drive it.
I'd start with checking the Purge valve to see if its leaking while the electrical connector is disconnected. The 5th diagram shows what to do. There is a hose on the Purge solenoid that goes to the Intake Manifold, that's the hose that pulls the fuel vapors into the engine when the solenoid is turned on by the engine computer. Unplugged it shouldn't be pulling any air(vacuum) through the solenoid. If it does, then it needs to be replaced. These guides will help with checking the Evap system. Let us know what you find.

https://www.2carpros.com/articles/evap-system-code-repair

https://www.2carpros.com/articles/how-emission-control-systems-work
Oct 19, 2023 at 11:11 AM
Avatar
TWASIL64
  • MEMBER
  • 3 POSTS
I pulled the hose and disconnected the power to the purge valve and there was no vacuum. I plugged the electrical connection back into the purge valve and there was vacuum. I guess that means the purge valve is working. Is that correct?
I have a can of throttle body cleaner that I'm going to use clean that up.
I checked the gas cap, and the rubber portion shows signs of some cracking on the rubber sealer. Don't know if that could be a problem. Let me know what you think. I appreciate it.
Oct 24, 2023 at 9:54 AM
Avatar
STEVE W.
  • CERTIFIED EXPERT
  • 15,113 POSTS
Okay, you had the engine at idle and when you reconnected the purge valve opened? If that is correct, then you have a problem. The purge valve shouldn't open at idle on that engine. Take it for a drive and get it warmed up, Still have the bad idle? Yes - unplug the electrical connector on the purge valve. Idle improves? Yes, you need to look at the harness to the purge valve to see if it has a problem. It is a PWM signal normally so if you unplug the connector and connect a test light to the ground side of the connector (dark green wire) on terminal B and then touch the light to the battery with the key off, there should be no light as the ECU doesn't hold the valve open. If the light is on, the wire has a short to ground somewhere. Now start the engine. The solenoid will normally be off at idle because the engine doesn't need the extra fuel vapors at lower speed because it can cause rough running. If the light is on, then it could be a shorted driver in the ECU. For that you would need a scan tool and oscilloscope to test the control signal on the same connections.
You would connect up the scope and then use the scan tool to command the valve to different percentages. If the signals match, then it's okay, if on the other hand the output stays at say 75% regardless of the command the driver transistor is bad, and you replace the PCM.
Oct 25, 2023 at 3:22 AM