☰
Login
Join
×
Home
Answered Questions
Repair Topics
Repair & Service Guides
Popular Questions
Warning Lights
Trouble Codes
How It Works
Testing / Diagnostics
Symptoms
Videos
Login
Become a Member
Home
Subaru
GL
Engine
Vacuum Hose Diagram
Vacuum hose diagram
1986 SUBARU GL
200,000 MILES • 1.8L • 4 CYL • 4WD • MANUAL
GEDEDIAH
MEMBER
1 POST
FOLLOW
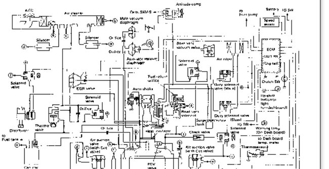
I have the car listed above and I got it the carbon was off and no idea where the hoses go.
Dec 18, 2016 at 4:14 AM
Advertisement
HMAC300
CERTIFIED EXPERT
48,601 POSTS
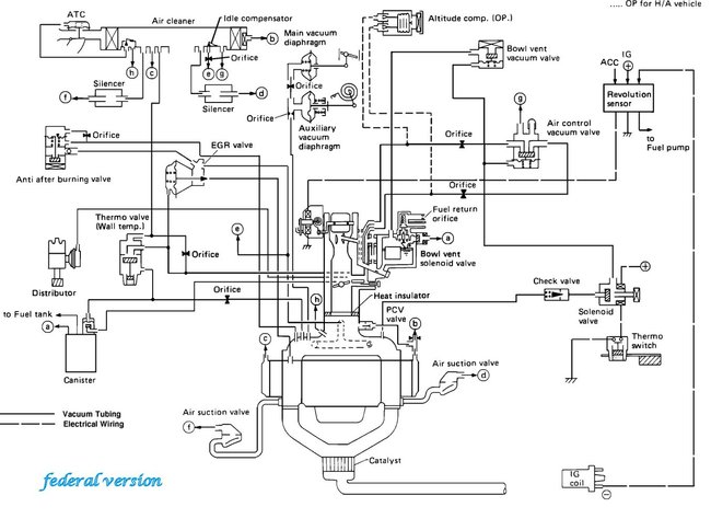
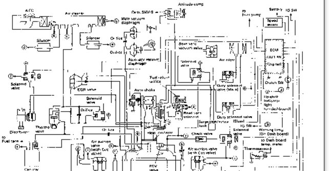
see pictures. diagram is not very good at all, but it is all that we have this is for four wheel drive. if turbo fuel injected it is different.
Images (Click to enlarge)
Dec 18, 2016 at 8:29 AM
STEVE W.
CERTIFIED EXPERT
15,113 POSTS
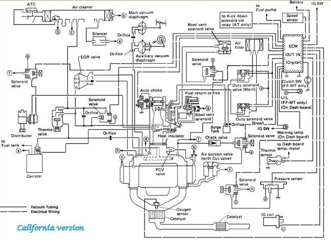
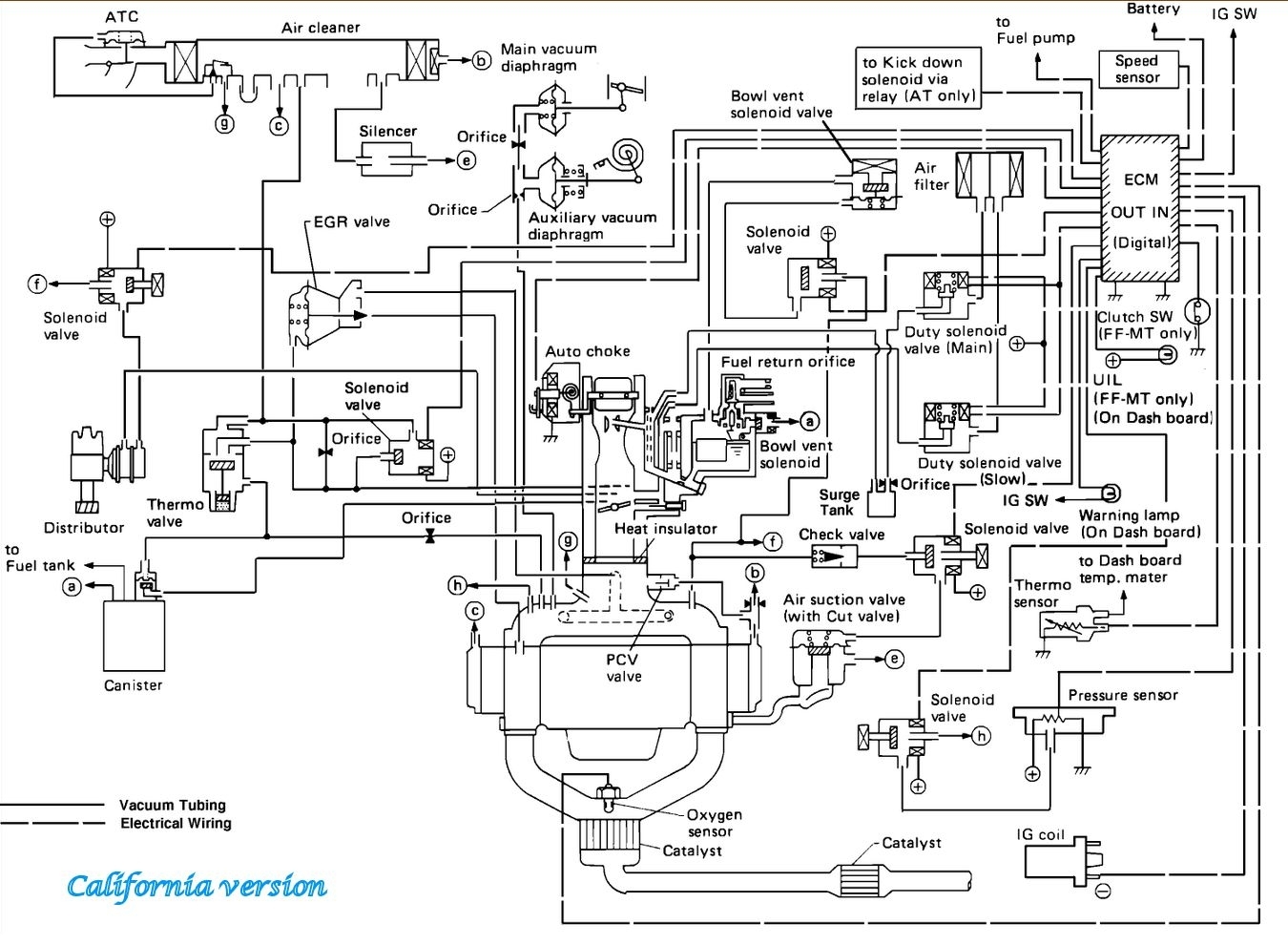
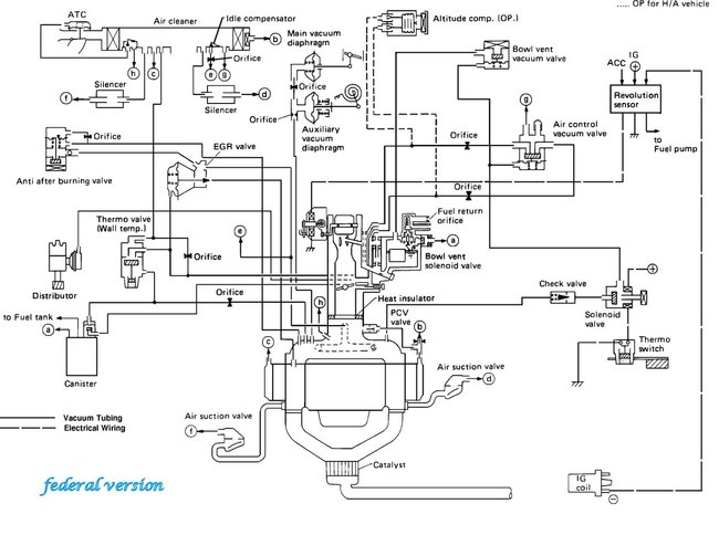
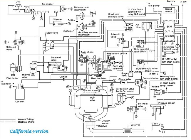
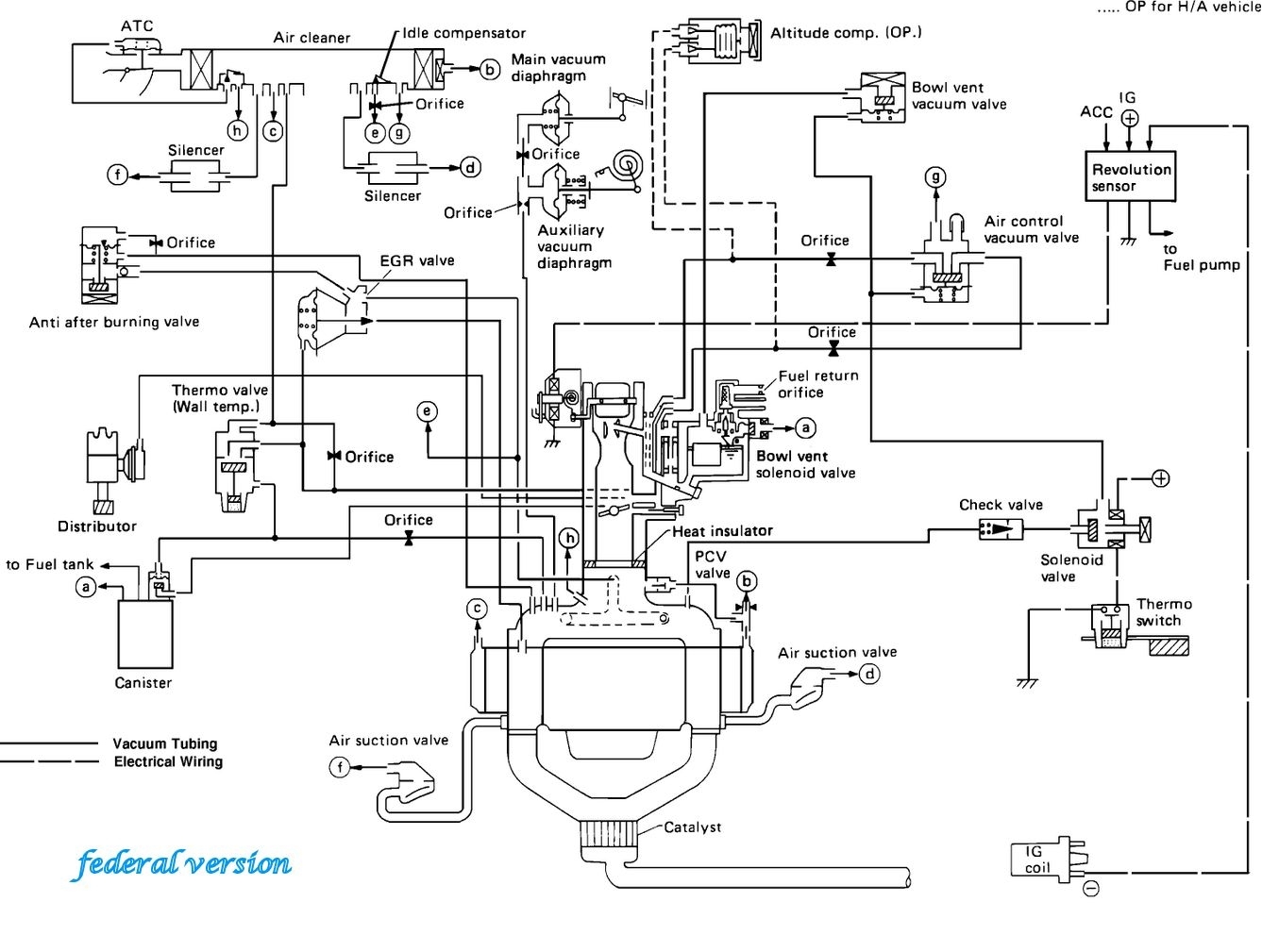
Here are the California and federal versions. Good luck.
Images (Click to enlarge)
Dec 18, 2016 at 9:10 AM
Advertisement