Upgrading to a 5-button info center, will it work?

2008 PONTIAC GRAND PRIX
150,000 MILES • 3.8L • V6 • 2WD • AUTOMATIC
Avatar
FYTKID
  • MEMBER
  • 10 POSTS
I know on this vehicle you can upgrade from a 3-button info center to a 5-button info center, and it will work. Would you have any idea if I upgrade the multifunction switch (turn signal) to one with extra functions not on the original if any new functions will work? For instance, fog light control and cruise control. Those 2 functions weren't on the original switch. My guess is that I might gain the fog light on /off control, but maybe not the cruise control. I'm guessing all the wiring plugs will be the same, regardless of which version of switch I get. Thanks, loads.
Jan 19, 2023 at 2:25 PM
Advertisement
Avatar
JACOBANDNICKOLAS
  • CERTIFIED EXPERT
  • 110,175 POSTS
Hi,

Is the switch you want to replace the original? Was the vehicle produced with fog lamps?

I ask because the connector can be the same, but there are a few other things to consider. For example, there is a fog lamp relay and power supply, body control module needs to be designed for it, there need to be fog lamps and wiring to them, and so on.

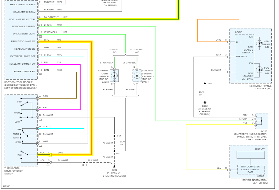
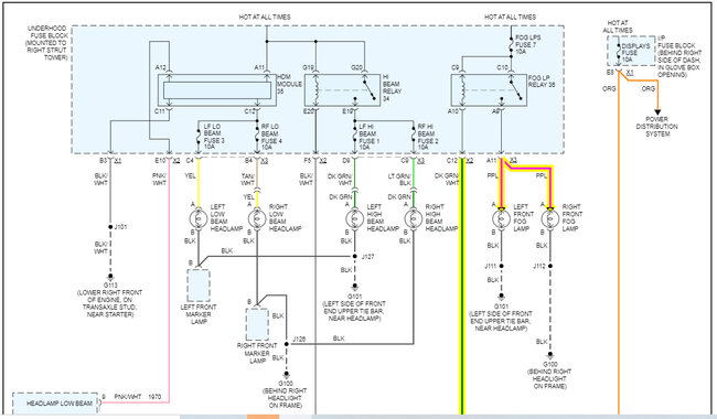
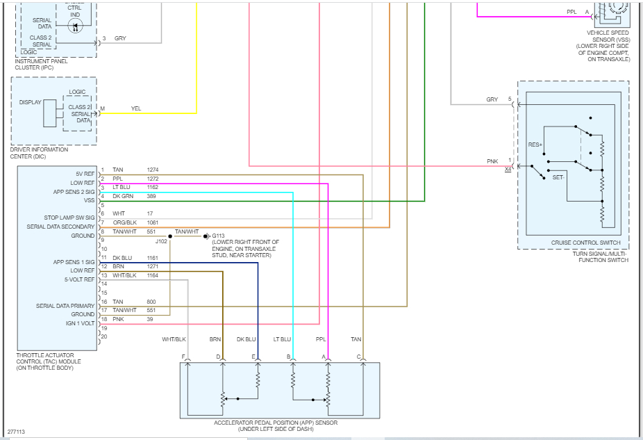
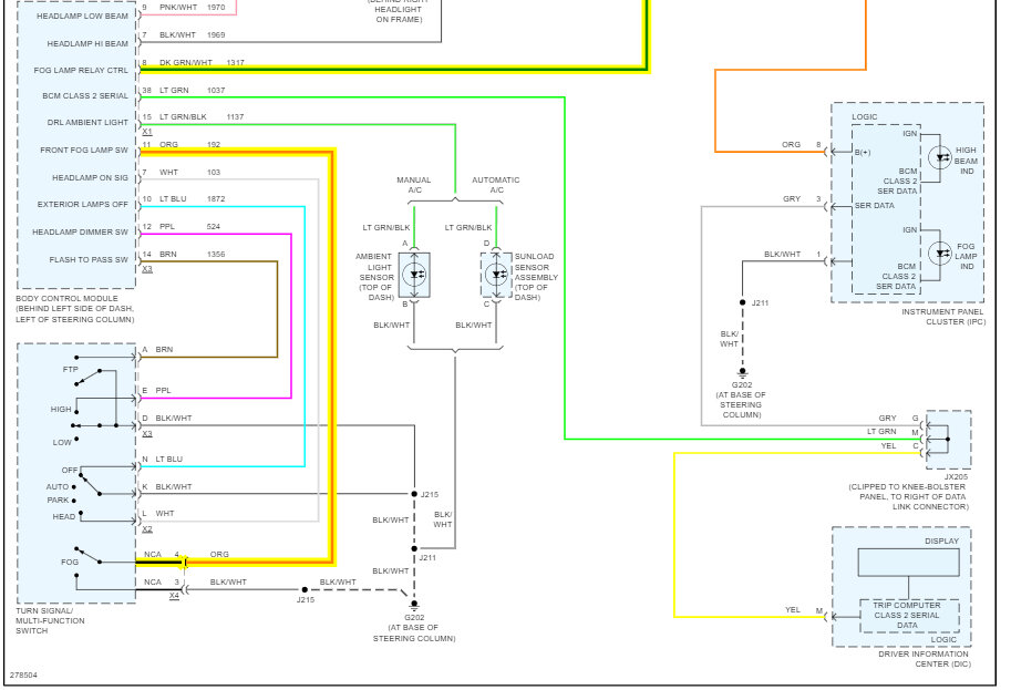
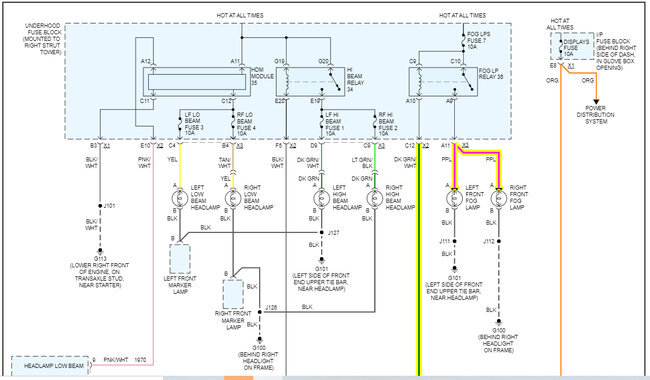
I attached the wiring schematic below. Check to see if the things indicated are present on the vehicle.

Let me know.

Joe

See pics below.
Jan 19, 2023 at 6:13 PM
Avatar
FYTKID
  • MEMBER
  • 10 POSTS
The car was made with fog lamps. However, the original multifunction switch does not have fog light control. I'm expecting the switch to fit just fine. I'm hoping that we gain the fog light control feature. The new switch also has a cruise control feature. I don't expect that to work immediately. I'm expecting I'll need to locate the spot where the cruise control fuse is ordinarily located and put one in. Also, I'll need to be sure the expected connection for cruise control exists. I've seen on GM vehicles that cruise control can be added to a vehicle that didn't originally have cruise control in this manner. I have heard that it may be possible that it may not work unless a vacuum accessory is installed. Of course, I hope it will be as other GM vehicles I've seen videos gain cruise control. At the very least, I'm hoping to gain the ability to choose when the fog lights are illuminated. Thanks again for responding.
Jan 20, 2023 at 6:34 PM
Advertisement
Avatar
JACOBANDNICKOLAS
  • CERTIFIED EXPERT
  • 110,175 POSTS
Hi,

If the vehicle was equipped with them, it should work. However, the cruise control is another issue.

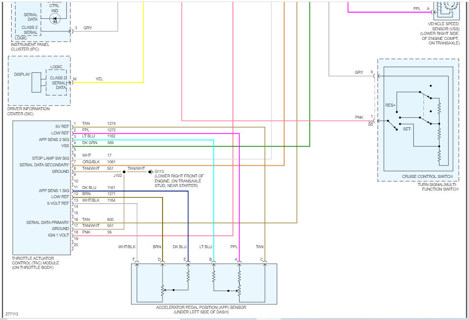
I attached the wiring schematic below of the cruise control. It indicates the fuses and other components needed for it to work.

Take a look through them and let me know if this helps. Also, note that I had to cut the schematic in half to make it readable for you, but I did overlap the two.

Let me know.

Take care,

joe

See pics below.
Jan 20, 2023 at 9:35 PM