My car has no audio control switch buttons on its steering wheel. However, there's a female connector having 5 wires which sits on the male connector of the clock spring behind the steering wheel. And, one wire connects to the horn control wire.
I suspect the remaining 4 wires, all already grounded, are responsible for controlling the audio system functions like volume up, down, mute, mode, etc. If so....
1. how can I be assured of these wires already exists in the steering wheel for controlling audio functions?
Just forget about fitting control buttons for time being..
2. and, how to confirm these wires are already also exist at the rear connector side of the audio head unit where 3 connectors are available?
3. lastly, if such wires do exists, to test the functions of the audio system, what value of resistances are necessary to
connect to these wires, and under what voltage should these wires be supplied, 12 v, 5 v or 2 v?
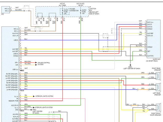
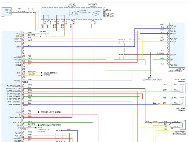
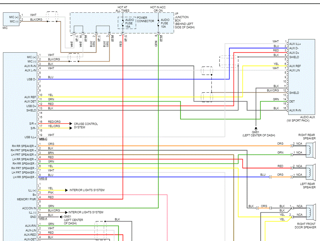
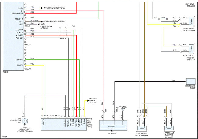
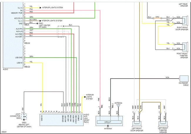
Image is attached. All the 3 connectors in the image are exactly the same as in the car.
Would be very pleased to know more information about the marked rectangular in the image.
Thanks.
I suspect the remaining 4 wires, all already grounded, are responsible for controlling the audio system functions like volume up, down, mute, mode, etc. If so....
1. how can I be assured of these wires already exists in the steering wheel for controlling audio functions?
Just forget about fitting control buttons for time being..
2. and, how to confirm these wires are already also exist at the rear connector side of the audio head unit where 3 connectors are available?
3. lastly, if such wires do exists, to test the functions of the audio system, what value of resistances are necessary to
connect to these wires, and under what voltage should these wires be supplied, 12 v, 5 v or 2 v?
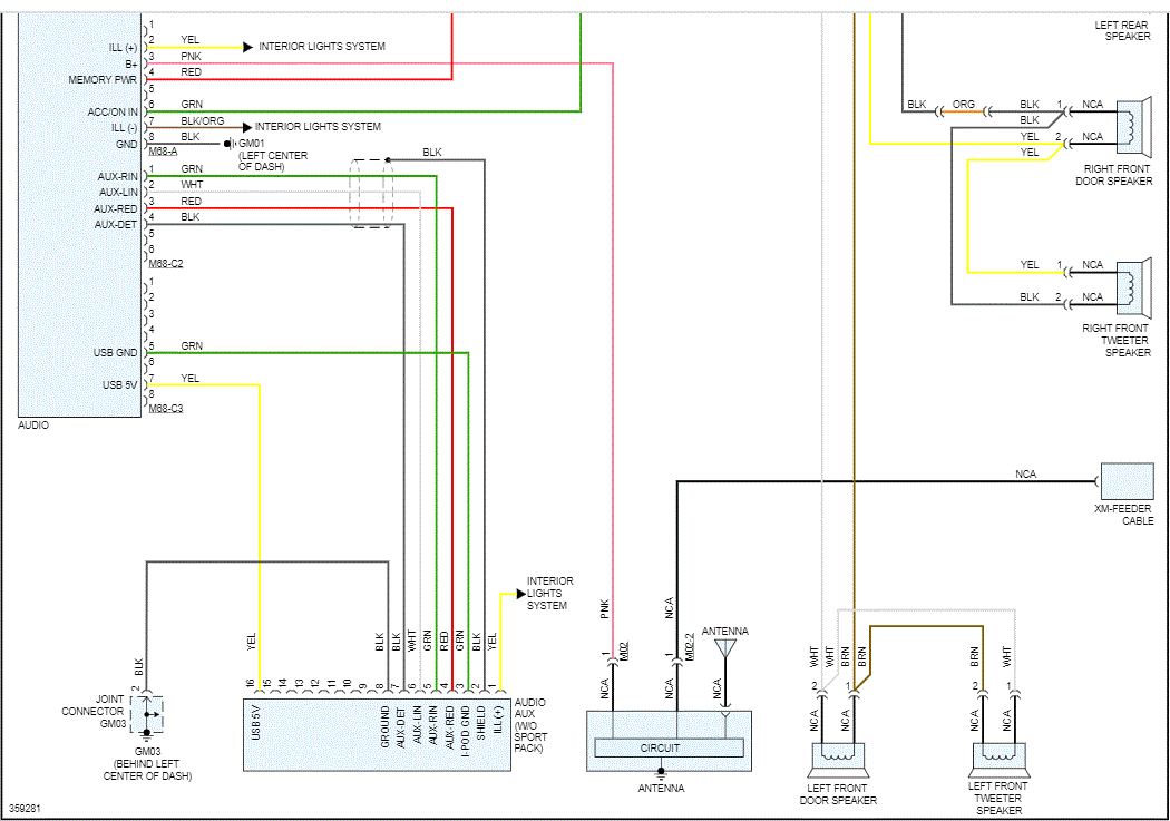
Image is attached. All the 3 connectors in the image are exactly the same as in the car.
Would be very pleased to know more information about the marked rectangular in the image.
Thanks.
Apr 8, 2020 at 7:08 AM

