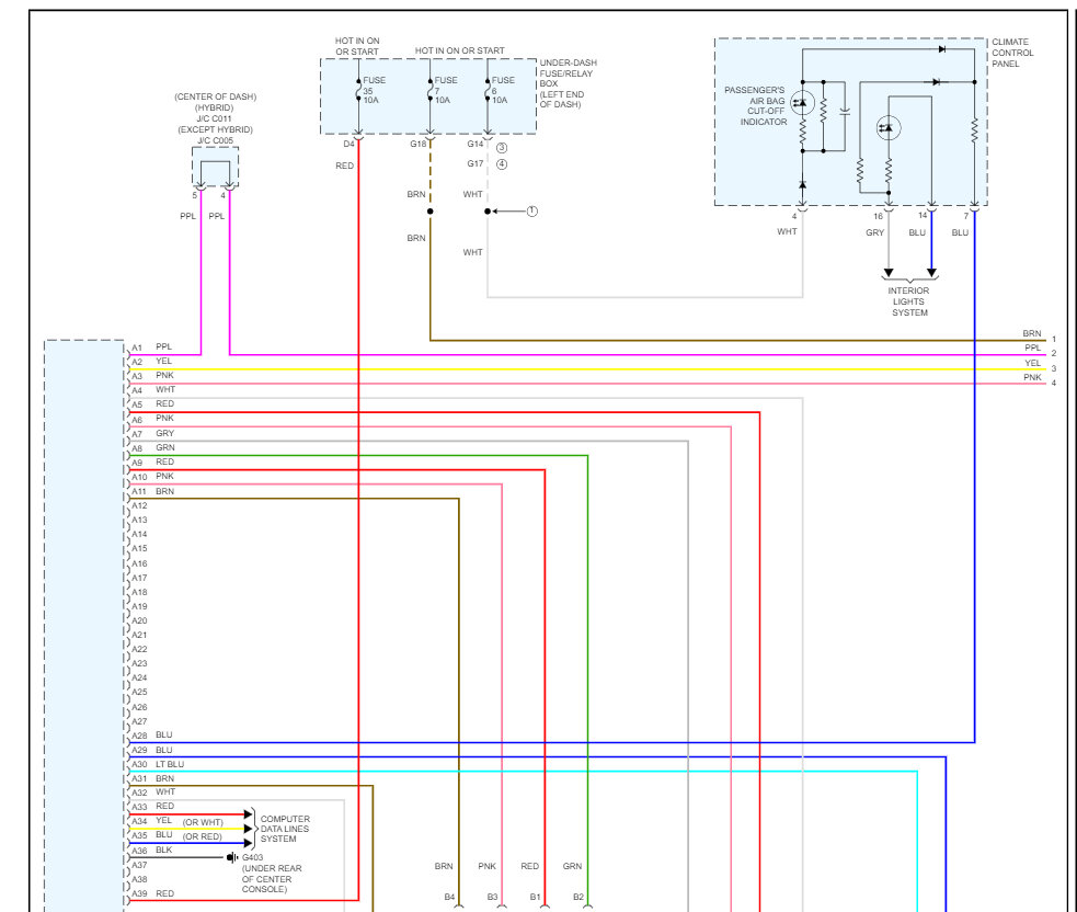
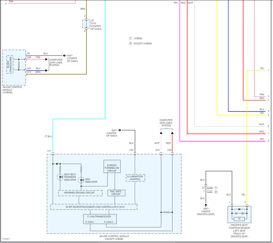
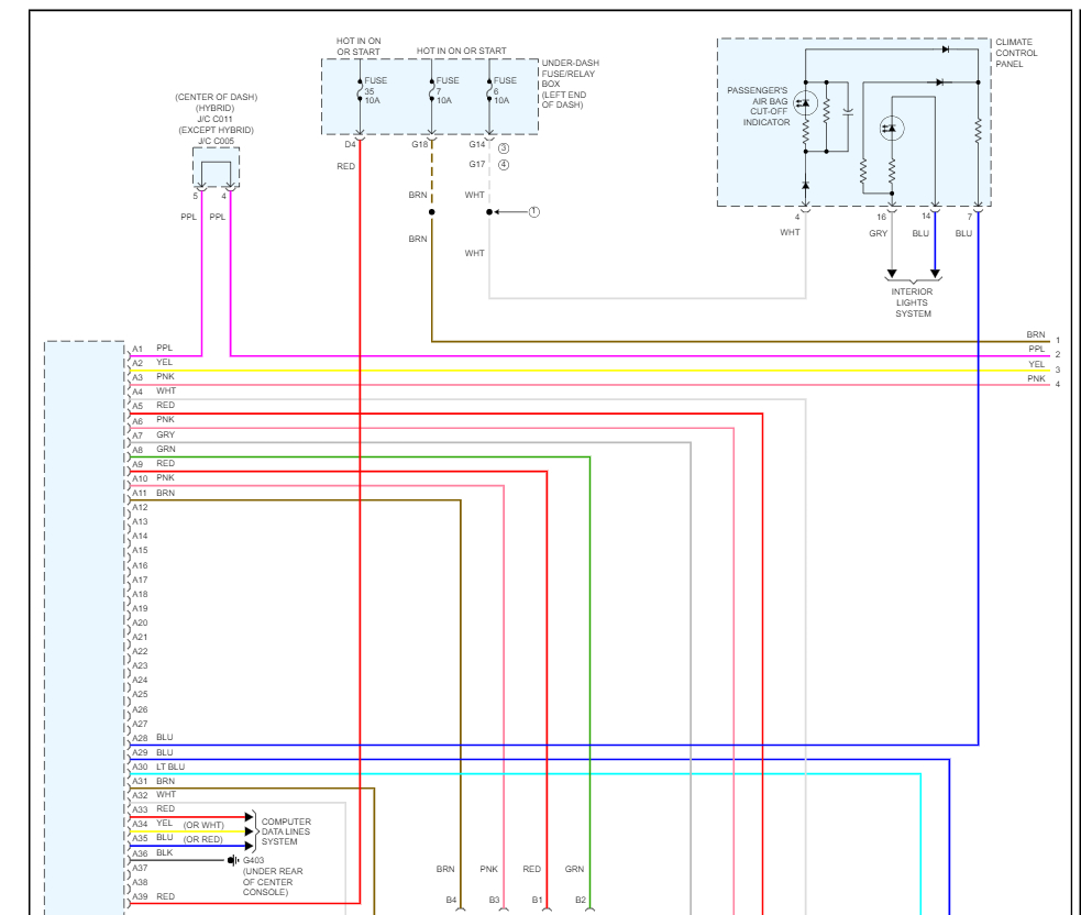
I accidentally unplugged the 2 wires with metal pieces on the ends that slide into the yellow airbag port under the passenger seat. The wires are not broken or damaged, but I can't figure out which way they go in.
May 14, 2023 at 10:21 AM





