Vehicle will not crank after disconnect and reconnecting the battery

2004 CHEVROLET TRAILBLAZER
200 MILES • 0.5L • 6 CYL • 4WD • AUTOMATIC
Avatar
TERESA FEARRINGTON
  • MEMBER
  • 3 POSTS
All my gauges were not working, the windows or radio quit working. Well we unhooked the battery to reset it and now the vehicle will not crank.
Oct 1, 2018 at 3:23 PM
Advertisement
Avatar
STRAILER
  • CERTIFIED EXPERT
  • 53,854 POSTS
Hi TERESA,

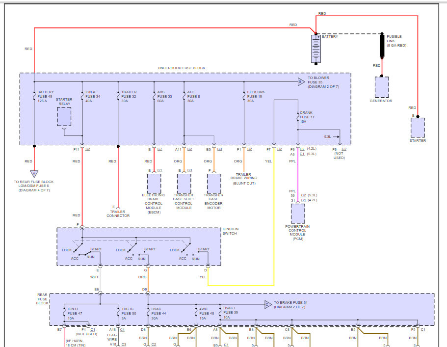
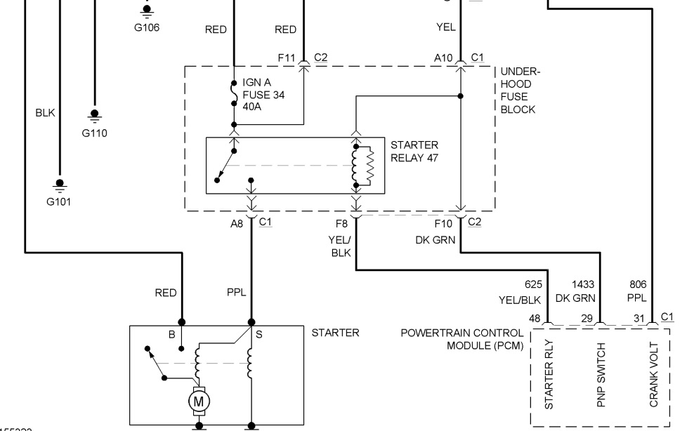
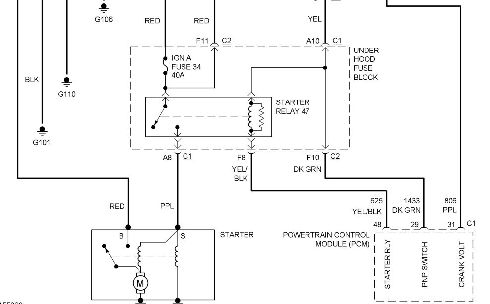
It sounds like a fuse (IGNB #36 or crank # 17) let go when you were connecting the battery which is common. Here is a guide to help you test the fuse and the fuse location below:

https://www.2carpros.com/articles/how-to-check-a-car-fuse

This guide can help as well

https://www.2carpros.com/articles/starter-not-working-repair

Check out the diagrams (below). Please let us know what happens.

Cheers, Ken
Oct 3, 2018 at 12:41 PM
Avatar
TERESA FEARRINGTON
  • MEMBER
  • 3 POSTS
Thank you. I fixed it.
Oct 3, 2018 at 5:51 PM
Advertisement
Avatar
STRAILER
  • CERTIFIED EXPERT
  • 53,854 POSTS
Wonderful what was it?
Oct 4, 2018 at 11:01 AM
Avatar
TERESA FEARRINGTON
  • MEMBER
  • 3 POSTS
Just had to reset everything. Unhooked the battery. After that. We held the brake down turned the key to the on position, put it in PND and then back in DNP. That reset everything. It cranked.
Oct 4, 2018 at 11:52 AM
Avatar
STRAILER
  • CERTIFIED EXPERT
  • 53,854 POSTS
Nice work, we are here to help, please use 2CarPros anytime.

Cheers, Ken
Oct 5, 2018 at 11:44 AM
Avatar
BADBOY65
  • MEMBER
  • 2 POSTS
Electrical problem
2004 Chevy Trailblazer 6 cyl Four Wheel Drive Automatic

Changed fuel pump and tried starting it and it turned over briefly than nothing at all. Turn the key on and the gauges go crazy, turn key the rest of the way and nothing. Also when trying to take it out of park the button would not depress even when the brake was depressed.
Oct 5, 2018 at 11:44 AM (Merged)
Avatar
RHALL77
  • CERTIFIED EXPERT
  • 3,361 POSTS
does the battery seem like it is dead. try charging it back up and trying it. let me know what you find
Oct 5, 2018 at 11:44 AM (Merged)
Avatar
BADBOY65
  • MEMBER
  • 2 POSTS
Tried that also and nothing ws thinking it might have did something to the "brain box", acted kind of funny before the fuel pump and then wouldt start so diagnosed to the fuel ump then after evrything went downhill. Someone said something about a ground wire but there so many to trace just one, last resort take it in to the shop
Oct 5, 2018 at 11:44 AM (Merged)
Avatar
RHALL77
  • CERTIFIED EXPERT
  • 3,361 POSTS
are your connections tight at the battery
Oct 5, 2018 at 11:44 AM (Merged)
Avatar
MATTY0412
  • MEMBER
  • 1 POST
My 04 trailblazer will crank up and turn over but it just won't catch. I start smelli g gas DUI g the turn over. After A couple times trying. If will finally catch and run well the. 2 days later same problem.. Any ideas?
Oct 5, 2018 at 11:44 AM (Merged)
Avatar
RASMATAZ
  • CERTIFIED EXPERT
  • 75,992 POSTS
If its me, I will start by checking the fuel pressure if its within specification
Oct 5, 2018 at 11:44 AM (Merged)
Avatar
SATURNTECH9
  • CERTIFIED EXPERT
  • 30,869 POSTS
I would also check for codes in the computer.
Oct 5, 2018 at 11:44 AM (Merged)
Avatar
WSLJR3645
  • MEMBER
  • 1 POST
2004 trailblazer wont turn over. No codes. drained the gas tank, put fresh gas in it and still wont turn over. Power to everything, it sounds like it wants to turn over but wont.
Oct 5, 2018 at 11:44 AM (Merged)
Avatar
RASMATAZ
  • CERTIFIED EXPERT
  • 75,992 POSTS
https://www.2carpros.com/articles/car-cranks-but-wont-start

Get a helper disconnect a sparkplug wire or 2 and ground it to the engine atleast 3/16 away from ground-have helper crank engine over-do you have a snapping blue spark? If so-you have a fuel related problem, Do you hear the fuel pump come On when you turn key on? If not check fuel pump fuse and fuel pump relay if okay-check the fuel pressure to rule out the fuel filter/fuel pump/pressure regulator and listen to the injector/s are they pulsing or hook up a noid light. No snapping blue spark continue to troubleshoot the ignition system-power input to the coil/coil packs,coil's resistances,cap and rotor,distributor pick-up coil, ignition control module, cam and crank sensors and computer Note: If it doesn't apply disregard it and keep testing
Oct 5, 2018 at 11:44 AM (Merged)
Avatar
CHARLCOOK
  • MEMBER
  • 1 POST
i turned over the engine and it died but it still turns over but wont start. someone unplugged something on the fuel pump but its not the fuses that i can tell.
Oct 5, 2018 at 11:44 AM (Merged)
Avatar
RASMATAZ
  • CERTIFIED EXPERT
  • 75,992 POSTS
Check the fuel pump relay if its still there and an unplugged fuel pump connector
Oct 5, 2018 at 11:44 AM (Merged)
Avatar
PRYCE2012
  • MEMBER
  • 1 POST
I purchased this truck from a dealer. Little did i know it needed a motor. Just had motor changed out.Now it will not crank without a boost, changed alternator still having the same problem.Did some resercg and found out it could be two things the bcm or starter. How do i check my bcm ti see if the probkems there. Help what can it be.
Oct 5, 2018 at 11:44 AM (Merged)
Avatar
DUGSMOBILE
  • EXPERT
  • 38 POSTS
Just a boost means that the cranking/starting system is the trouble. Have the battery tested and check for clean connections and good cables (not corroded). just boosting will do nothing to the system except crutch a weak system. the newnes of the motor now takes a little more effort to turn over than before, so if the sytem was borderline before it now fails. Who installed the engine? were all the cable put back on(especially the ground from battery to block). have seen that one a number of times from trans shops. (ooops did I just say that) If a shop did the job why would they return the vehicle in that condition? Ifthe cables and battery are good have the started tested. The relay that drives the starter is commanded on by the computer, but that won't change with a jump. Cranking the engine is the highest amperage load in the vehicle. if you cannot supply the amperage the system will not perform right. Good luck and let me know how it goes.
Oct 5, 2018 at 11:44 AM (Merged)
Avatar
AMYJMCCALLUM
  • MEMBER
  • 1 POST
Hello, My truck cranks up fine but will not go when put into gear. It revs like the engine is in neutral, even though its not. Cranks just like normal, but literally will not go. Any ideas what may be causing this?
Oct 5, 2018 at 11:44 AM (Merged)
Avatar
HMAC300
  • CERTIFIED EXPERT
  • 48,601 POSTS
check your transmission fluid level for being full . if it is have apro look at it as it soundslike your trans is out.
Oct 5, 2018 at 11:45 AM (Merged)
Avatar
KELSEY43
  • MEMBER
  • 2 POSTS
Started this morning then shut off, dash lights on, turned the key, will not turn over or even click. Dash lights go out when I turn the key. Has new battery, put new key switch on, checked all fuses, reset security. Can jump solenoid to turn over starter, but still does not start even with key turned on.
Oct 5, 2018 at 11:45 AM (Merged)
Avatar
JDL
  • CERTIFIED EXPERT
  • 16,098 POSTS
I would still have to be sure the battery has a full charge, battery connections all good. I wondered about your security system. Most pass-lock systems are fuel injector disable, only. Should not effect starter motor. Usually two voltage circuits at the starter, one comes from battery, hot all the time, you may need to check actual voltage reading not a testlite. the other voltage circuit goes hot with key in crank position and is wired through starter relay. Also, check neutral switch. There are several fuses you need to check, not only check the fuse, check the fuse circuit for voltage. The starter motor should ground through engine block
Oct 5, 2018 at 11:45 AM (Merged)
Avatar
KELSEY43
  • MEMBER
  • 2 POSTS
Checked that all, still nothing, won't turn over with key. I can jump solenoid and turns over but won't start.
Oct 5, 2018 at 11:45 AM (Merged)
Avatar
STRAILER
  • CERTIFIED EXPERT
  • 53,854 POSTS
It sounds like you have a positive battery cable that has gone bad, here is a guide that will help you.

https://www.2carpros.com/articles/car-cranks-but-wont-start

Let me know what you find

Best, Ken

Oct 5, 2018 at 11:45 AM (Merged)
Avatar
2CP-ARCHIVES
  • MEMBER
  • 4,540 POSTS
can't get my engine to crank, has new battery,new starter, new starter relay,new ignition switch, still the engine will not crank, it will crank if you jumper the starter, whats wrong?
Oct 5, 2018 at 11:45 AM (Merged)
Avatar
CARADIODOC
  • CERTIFIED EXPERT
  • 34,306 POSTS
You didn't mention the neutral safety switch.

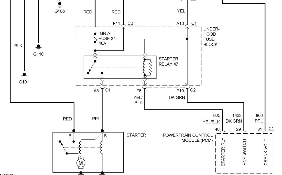
If you have the service manual, look for the starter relay on the wiring diagram. There are four wires to it. You can split the system into four circuits there and test each one right from the relay socket to see which has the problem. I'm sorry that I can't get into the service manual sites but in general, you should find one terminal has 12 volts all the time and one should have 12 volts when the ignition switch is in the "crank" position. Those two terminals are on the same side, (at least that's how they are on a '98 model). The other two terminals should read continuity to ground. One reads through the starter solenoid on the starter, which we know is working because you're jumping it. The other one is either grounded directly or it goes to ground through the neutral safety switch. GM had different wiring versions for different years and models.

To boil it down, use a test light with the ground clip on the battery's negative terminal, then probe the four terminals in the relay socket. Identify the two terminals with 12 volts; one all the time and one with the ignition switch in "crank". Move the test light's ground clip to the battery's positive post, then probe the other two terminals. The test light should light up on both of them when it's in "park". Of the three that do not have 12 volts all the time, one of them should change when you shift out of park or neutral.

If all four circuits test okay, either there is a computer involved in the circuit or the terminals in the socket are stretched. For stretched terminals which do cause a lot of trouble, the system will often work if you push the relay sideways while a helper turns the ignition switch.
Oct 5, 2018 at 11:45 AM (Merged)
Avatar
2CP-ARCHIVES
  • MEMBER
  • 4,540 POSTS
no crank no power at #30 cavity at starter relay in fuse box
Oct 5, 2018 at 11:46 AM (Merged)
Avatar
DOCFIXIT
  • CERTIFIED EXPERT
  • 18,828 POSTS
What is location of fuse box? #30 if underhood is for AC
Oct 5, 2018 at 11:46 AM (Merged)
Avatar
2CP-ARCHIVES
  • MEMBER
  • 4,540 POSTS
What fire was running fine and I changed radio out for newer one and now it won't crank. Not getting any spark.
Oct 5, 2018 at 11:46 AM (Merged)
Avatar
JDL
  • CERTIFIED EXPERT
  • 16,098 POSTS
Check primary voltage at the ignition coil, pink wire goes hot with the key on. That circuit is fuse protected, maybe you blew a fuse, somewhere.
Oct 5, 2018 at 11:46 AM (Merged)