Hello
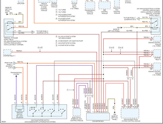
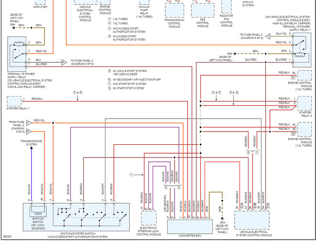
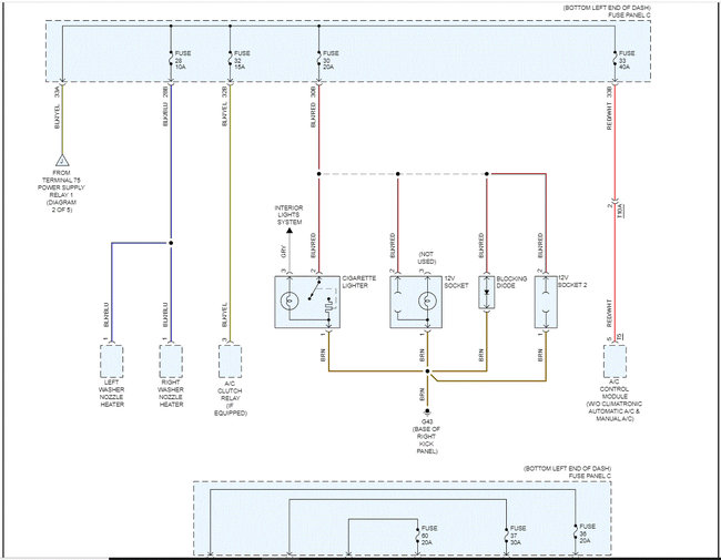
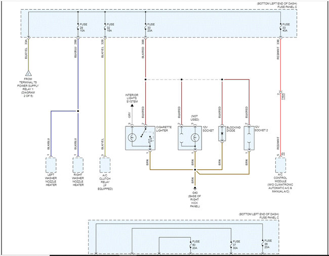
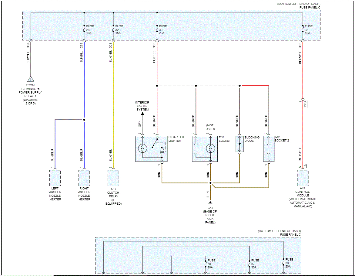
I have the car listed above TSI, it has started to blow out fuse for my A/C. Replace it with a same fuse it was originally installed. So, one day i turn on my A/C and i noticed it stopped blowing cold air and a burning smell or was in my car. so, i turned off my A/C. when i got home i removed the fuse cover and there it was my fuse was melted. Any idea why this happened?
I have the car listed above TSI, it has started to blow out fuse for my A/C. Replace it with a same fuse it was originally installed. So, one day i turn on my A/C and i noticed it stopped blowing cold air and a burning smell or was in my car. so, i turned off my A/C. when i got home i removed the fuse cover and there it was my fuse was melted. Any idea why this happened?
Jun 2, 2022 at 4:50 PM













