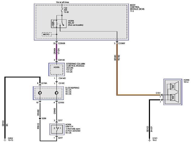
Horn wire color

2011 FORD F-150
476,755 MILES • 3.5L • 6 CYL • TURBO • 2WD • AUTOMATIC
Avatar
CHUCK NIEMANN
  • MEMBER
  • 4 POSTS
What color is the horn wire in the steering column?
Dec 11, 2019 at 7:05 AM
Advertisement
Avatar
CARADIODOC
  • CERTIFIED EXPERT
  • 34,306 POSTS
The only color shown is the violet/green after the Steering Column Control Module. The engineers don't know how to design a simple horn circuit like those that worked fine for almost 100 years. Since the early 2000's, there's two computers involved in blowing the horn on Ford products. All of the steering wheel switches are "multiplexed", then digital signals are generated that travel through the clock spring on just a few circuits. Those signals are interpreted by the Body Control Module, and it turns on the horn.
Dec 11, 2019 at 4:14 PM