First, I am running low on gas, but this should not cause the issue I am having,
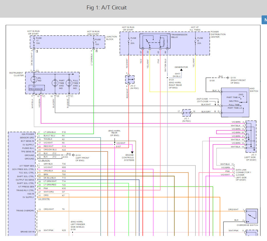
My transmission will not shift out of second, I assume, while in drive. I can reach about thirty mph but my rpm's run at like 3600-4000, it is supposed to shift around 2500, oddly it only happened while trying to go one direction on my road. when I went the other way after resetting my computer, it did fine, turned off vehicle, went inside, came back out, went back the other direction to go to gas station and it would not shift again. I did a filter kit fluid replacement, changed both transmission and rear end speed sensors (though my transmission sensor has bare wire which might be the cause I plan on fixing that today with electrical tape).
I read online about a transmission solenoid, could that also be part of the problem? What does this actually do?
Could it be a gear issue? It is spotty so I kind of doubt it, would be a much more consistent issue I think.
Issue two: my steering is off to the left, I have to slant my steering wheel about 24° so I can go straight (alignment needs done too but I cannot afford that right now. oddly the alignment should pull me the to the left according to Monroe Brake and Muffler but I have to turn to the left to go straight). whenever I turn right my transmission likes to downshift at medium-low to medium-high speeds (~25-50) and shoots the rpm up unless I let go of the gas. sometimes this occurs on slight turns, normally on sharper turns. A few times holding the wheel straight to go around a banking turn on the highway and it did this until I reset the steering to about 24° left, or straight in momentum.
Please mind I am mechanically impaired, I do not understand most of the part names, only by location, and most of the vehicular terminology, so my apologies if I explain something really confusing, but if whoever happens to answer can make it somewhat dumbed down, would be greatly appreciated.
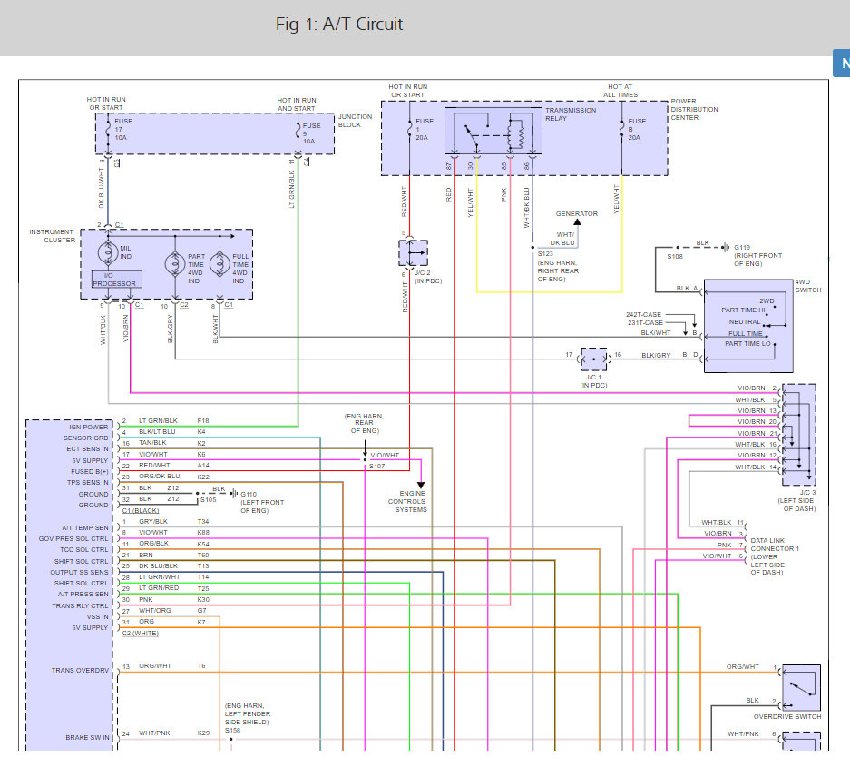
My transmission will not shift out of second, I assume, while in drive. I can reach about thirty mph but my rpm's run at like 3600-4000, it is supposed to shift around 2500, oddly it only happened while trying to go one direction on my road. when I went the other way after resetting my computer, it did fine, turned off vehicle, went inside, came back out, went back the other direction to go to gas station and it would not shift again. I did a filter kit fluid replacement, changed both transmission and rear end speed sensors (though my transmission sensor has bare wire which might be the cause I plan on fixing that today with electrical tape).
I read online about a transmission solenoid, could that also be part of the problem? What does this actually do?
Could it be a gear issue? It is spotty so I kind of doubt it, would be a much more consistent issue I think.
Issue two: my steering is off to the left, I have to slant my steering wheel about 24° so I can go straight (alignment needs done too but I cannot afford that right now. oddly the alignment should pull me the to the left according to Monroe Brake and Muffler but I have to turn to the left to go straight). whenever I turn right my transmission likes to downshift at medium-low to medium-high speeds (~25-50) and shoots the rpm up unless I let go of the gas. sometimes this occurs on slight turns, normally on sharper turns. A few times holding the wheel straight to go around a banking turn on the highway and it did this until I reset the steering to about 24° left, or straight in momentum.
Please mind I am mechanically impaired, I do not understand most of the part names, only by location, and most of the vehicular terminology, so my apologies if I explain something really confusing, but if whoever happens to answer can make it somewhat dumbed down, would be greatly appreciated.
Mar 2, 2018 at 6:11 AM





