My engine turns over but will not start won't start with starting fluid either

1990 FORD RANGER
200,000 MILES • 4.0L • V6 • 2WD • AUTOMATIC
Avatar
JEFFREY DAVID EVERLING
  • MEMBER
  • 1 POST
Shut off out of the blue while driving down the street, hasn't started since. Won't start with starting fluid either. Changed fuel filter, fuses, fuel pump. Fuel sprays from valve on the fuel rail. Relay clicks when key is turned. Getting spark on the coil but it's faint and slow and doesn't spark every time. Planning on changing coil pack tomorrow but want to be sure. Any suggestions or ideas, information is much appreciated. Turn and turns but won't fire up.
Dec 31, 2018 at 10:44 PM
Advertisement
Avatar
ASEMASTER6371
  • CERTIFIED EXPERT
  • 52,796 POSTS
Good morning,

It will only get spark when it is called for.

https://www.2carpros.com/articles/how-to-test-an-ignition-system

The first thing I would do is check the compression to be sure the chains are good.

https://www.2carpros.com/articles/how-to-test-engine-compression

Roy
Aug 14, 2020 at 11:03 AM
Avatar
KENNETHNF
  • MEMBER
  • 1 POST
I am working on a 1990 ranger 2.3L. my customer put a used engine from another ranger in it,it is suppose to be from the same year. Ignition not firing and injectors not firing. I ckecked all fuses gone through the wiring schematics. Power up relay is working fine. The customer replaced coils,crank sensor.ignition module,fuel pump before they brought it to me. there is 4 different computers for that year model with manual transmission. the truck they got the engine out of has been crushed. Do I need the numbers off of that computer or will any of the 4 computers work with this engine
Mar 2, 2021 at 7:04 PM (Merged)
Advertisement
Avatar
BLACKOP555
  • CERTIFIED EXPERT
  • 10,386 POSTS
if you use the sensors from the old vehicle and modules from the old vehicle you should not need a computer.

When you turn the key to the on position without cranking the engine over can you hear the fuel pump run in the tank for 5 seconds?

https://www.2carpros.com/articles/car-cranks-but-wont-start

Please run down this guide and report back. was vehicle running before they put in the different engine?
Mar 2, 2021 at 7:04 PM (Merged)
Avatar
DAKOTA GRAY
  • MEMBER
  • 1 POST
i replaced the fuel pump twice because my truck would start with starting fluid thinking that was the problem and that the first one i bought was bad, but come to find out its a no spark problem. i replaced both coil packs, all 8 plugs and wires on it, along with a brand new battery and it still not sparking, now it wont start with starting fluid, both coil packs are brand new(i try not to buy refurbished parts) and they both have power going to the coil packs, i had my friend check the timing because i am familiar with timing and he said it has not jumped timed, i am desperately trying to get this going because i am a single dad and this is my only vehicle.
Mar 2, 2021 at 7:04 PM (Merged)
Avatar
SCGRANTURISMO
  • CERTIFIED EXPERT
  • 4,897 POSTS
Hello,

This sounds like a problem with your vehicle's Camshaft Position Senso r(CMP). The CMP is responsible for the firing of the fuel injectors and the spark plugs. I have included the description of what the CMP does and it's location as well as the instructions for the removal and installation of the CMP in the diagrams down below. Please go through these guides and get back to us with what you are able to find out.

Thanks,
Alex
2CarPros
Mar 2, 2021 at 7:04 PM (Merged)
Avatar
THOMAS RICHARD IVAN JR.
  • MEMBER
  • 7 POSTS
Had alternator go out, barely made it home after switching batteries three times. Switched to a new rebuilt alternator. Now it wont start. Everything checks out except, not getting injectors to spray, I removed the entire rail and had my wife turn key, no fuel spraying out of injectors. What is the malfunction. Please help!
Mar 2, 2021 at 7:05 PM (Merged)
Avatar
STRAILER
  • CERTIFIED EXPERT
  • 53,854 POSTS
It sounds like you blew a fuse please check all fuses in the PDC here is a guide. Also is the security light flashing? If so lock the truck up and wait fifteen minutes then unlock the drivers door.

Here is a guide that can help you

https://www.2carpros.com/articles/car-cranks-but-wont-start

Please let us know what you find so it will help others.

Best, Ken
Mar 2, 2021 at 7:05 PM (Merged)
Avatar
THOMAS RICHARD IVAN JR.
  • MEMBER
  • 7 POSTS
Checked all fuses, they are all okay. Plus, truck has no security system, bypassed inertia, neutral safety switches, and fuel pump.
Removed fuel rail, had my wife turn key, no fuel spraying from injectors.
Mar 2, 2021 at 7:05 PM (Merged)
Avatar
STRAILER
  • CERTIFIED EXPERT
  • 53,854 POSTS
Remove the distributor cap to see if the rotor is going around. When the engine is cranked over, next check for spark at the plugs, here is a guide to help you.

https://www.2carpros.com/articles/how-to-test-a-fuel-injector

and

https://www.2carpros.com/articles/how-to-test-an-ignition-system


Best, Ken
Mar 2, 2021 at 7:05 PM (Merged)
Avatar
THOMAS RICHARD IVAN JR.
  • MEMBER
  • 7 POSTS
No distributor, it is a 1990 2.3L with dual (can not remember what they are called). It has fuel pressure in the rail. But injectors fail to spray fuel? I am leaning on buying the ICM, but I heard of so many persons buying the unit to nothing changing. I cannot afford the computer, and I cannot afford to let truck sit. I tried the self test but my "Check engine" bulb burnt out and wont accept new bulb, so I tried the self test with multi-meter, could not get that to work either.
I turn the key and fuel pump is pumping, starter is spinning very good, so I spray starting fluid in the air intake and motor comes to life a couple of seconds and dies. I need to know exactly which computer to replace.
Mar 2, 2021 at 7:05 PM (Merged)
Avatar
THOMAS RICHARD IVAN JR.
  • MEMBER
  • 7 POSTS
Someone said there are four computers in my truck two wheel drive, no power windows, no power door locks, plain Jane Ranger, I just took it on a hundred mile round trip, three times last week. Two weeks ago, I mean. The alternator went out, it fried it again, after I rebuilt it, so I put a new rebuilt in, and it would not start. I have been messing with it, for ten days now, I am so far behind its pitiful. Mostly been online looking for answers. But the 2carpros are the best so far.
Mar 2, 2021 at 7:05 PM (Merged)
Avatar
SATURNTECH9
  • CERTIFIED EXPERT
  • 30,869 POSTS
Do you have a bulb test light to do some testing?
Mar 2, 2021 at 7:05 PM (Merged)
Avatar
THOMAS RICHARD IVAN JR.
  • MEMBER
  • 7 POSTS
Found the problem. Remember I had checked all fuses. Well, this morning I started from scratch. Found out that someone had removed a fuse from under hood. Talk about sabotage. The EEC fuse was taken and who did it. Thank you guys from 2carpros. Have a good rest of the weekend.

Sincerely, Tom Jr. Truck runs like new.
Mar 2, 2021 at 7:05 PM (Merged)
Avatar
THOMAS RICHARD IVAN JR.
  • MEMBER
  • 7 POSTS
Found the problem. Remember I had checked all fuses. Well, this morning I started from scratch. Followed directions from easy fix.com. Found out that someone had removed a fuse from under hood. Talk about sabotage.....
The eec fuse was taken and who did it, well that's gonna be on another web site. Thank you guys from 2carpros. Have a good rest of the weekend ????...
. Sincerely,
. tom Jr.....
. Truck runs like new.......
Mar 2, 2021 at 7:05 PM (Merged)
Avatar
SATURNTECH9
  • CERTIFIED EXPERT
  • 30,869 POSTS
You are welcome glad to hear it tell your friends about us.
Mar 2, 2021 at 7:05 PM (Merged)
Avatar
M.GOOD2
  • MEMBER
  • 4 POSTS
if a person unplugs the fuel injector power supply one at a time will it reset the injector? or is that even possible or just dumb information.

Reason is my ranger cranks but will not start and there was barley and pressure in the fuel rail after i try to start it . so i toggled the fuel pump to obtain enough power to the pump to push enough prime. to the rail. but it still wont start..
Mar 2, 2021 at 7:06 PM (Merged)
Avatar
KHLOW2008
  • CERTIFIED EXPERT
  • 41,814 POSTS
Fuel injectors cannot and does not need to be resetted. If the fuel pressure is low, you need to be looking at the fuel pump and/or fuel pressure regulator. If the fuel pump is weak or pressure regulator is bad, you would not get sufficient pressure at the fuel rail to start engine.

When you turn the key to the on position without cranking the engine over can you hear the fuel pump run in the tank for 5 seconds?

https://www.2carpros.com/articles/car-cranks-but-wont-start

Please run down this guide and report back.
Mar 2, 2021 at 7:06 PM (Merged)
Avatar
M.GOOD2
  • MEMBER
  • 4 POSTS
how do i check the fuil pressure regulator ? do ihave to to take it off or can it be tested while on
Mar 2, 2021 at 7:06 PM (Merged)
Avatar
KHLOW2008
  • CERTIFIED EXPERT
  • 41,814 POSTS
You would need a pressure gauge fixed to the fuel lines to get the pressure and should be done onvehicle.

Check with your parts shops or any other outlets that loan out such equipments.
Mar 2, 2021 at 7:06 PM (Merged)
Avatar
PWRPLY2
  • MEMBER
  • 1 POST
i was driving down the highway and the engine just cut off.....now it wont start back up.....i wasnt gettin fire from the core pack so i went and got another one...still no fire...the engine sounds like it wants to start but it acts like its out of gas....its a full tank in it......i checked for loose or diconnected wires/vacume hoses...nothing...i checked the fuel pump...good...i made sure the injectors were getting fuel...good...the only other thing i can think of is the computer...im lost with it.....any input would be greatful.....thankx lee
Mar 2, 2021 at 7:07 PM (Merged)
Avatar
DRAFTER
  • MEMBER
  • 6 POSTS
I had a Ranger the same year as yours and had that exact same problem I would take a surefire guess that its your control module located on the backside of your Distributor it takes a 5/16 deep thin walled socket good luck finding one only place i located one is snap-on but you could make your own out of a deep socket just grind it down till fit's I believe it cost around 60.00 dollars for the part and about 45 min. to fix you will also want to put dielectrode grease on the shiny surface that contacts the distributor hope this helps you out.

Drafter
Mar 2, 2021 at 7:07 PM (Merged)
Avatar
DAINSTER JUDD
  • MEMBER
  • 1 POST
My truck was running fine since I got it and although a lot of wires were not great looking and unconnected connectors still no issue. Well, I have now replaced my fuel pump relay, my eec relay both pumps and filter. Still no fuel coming up to the fuel rail. All fuses and inertia switch is okay. It turns over but that is it.
Mar 2, 2021 at 7:07 PM (Merged)
Avatar
JACOBANDNICKOLAS
  • CERTIFIED EXPERT
  • 110,175 POSTS
Hi and thanks for using 2CarPros.com.

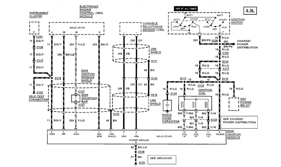
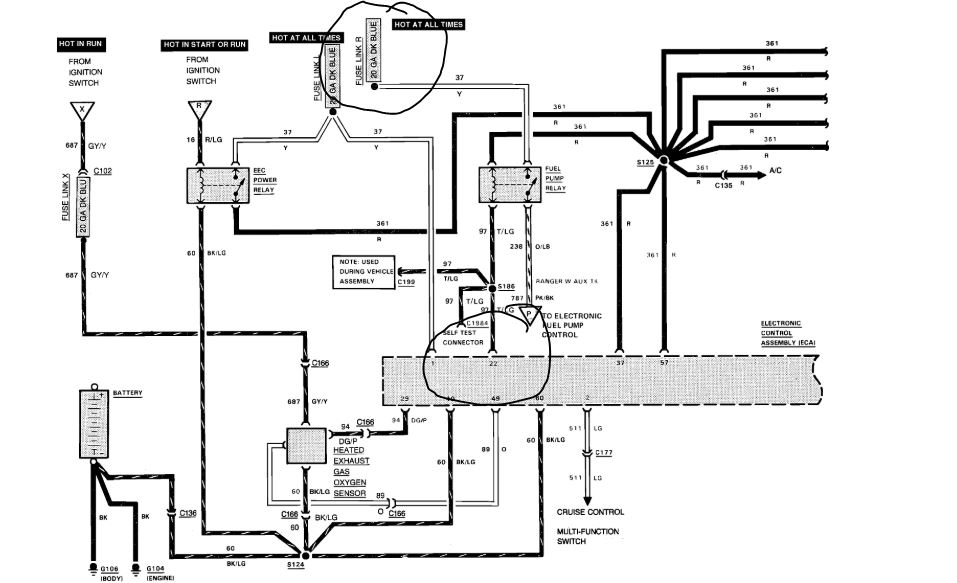
If you are sure everything you mentioned is good, then either we have a broken wire to the pump, a bad ground, or one of the two fusible links are bad. First, both the EEC and fuel pump relay get power via a 20ga fusible link. Each has its own.

Check the links for continuity. They will be blue in color. I attached a wiring schematic to help identify them.

Note: If there is an issue with the EEC, that should be shutting down both fuel and spark. Confirm you have spark.

Let me know what you find or if you have other questions.

Take care,
Joe
Mar 2, 2021 at 7:07 PM (Merged)
Avatar
HEATWAVETENOR
  • MEMBER
  • 1 POST
Cranks but wont start. i have changed the ignition coil, but still nothing.
Mar 2, 2021 at 7:08 PM (Merged)
Avatar
WRENCHTECH
  • CERTIFIED EXPERT
  • 20,761 POSTS
All "crank, no start" conditions are approached in the same way. Every engine requires certain functions to be able to run. Some of these functions rely on specific components to work and some components are part of more than one function so it is important to see the whole picture to be able to conclude anything about what may have failed. Also, these functions can ONLY be tested during the failure. Any other time and they will simply test good because the problem isn't present at the moment.
If you approach this in any other way, you are merely guessing and that only serves to replace unnecessary parts and wastes money.

This guide will help

https://www.2carpros.com/articles/car-cranks-but-wont-start


These are the basics that need to be tested and will give us the info required to isolate a cause.

1) Test for spark at the plug end of the wire using a spark tester. If none found, check for power supply on the + terminal of the coil with the key on.


2) Test for injector pulse using a small bulb called a noid light. If none found, check for power supply at one side of the injector with the key on.


3) Use a fuel pressure gauge to test for correct fuel pressure, also noticing if the pressure holds when key is shut off.

4) If all of these things check good, then you would need to do a complete compression test.

Once you have determined which of these functions has dropped out,
you will know which system is having the problem.


Mar 2, 2021 at 7:08 PM (Merged)
Avatar
J. L. J.
  • MEMBER
  • 1 POST
The engine quit while driving about 15 mph. It will crank but won't start. The inertia switch checks out okay, I changed the fuel pump relay. With ignition switch on fuel pumps run but when cranked will not start. With a probe on the inertia switch wire elect. power will fall off when ignition switch is moved to start position. same thing happens when probing fuel pump relay, EEC power relay, and fuel pump power lines. The dual tank sector valve and fuel pump wiring on the frame under the truck has been repaired numerous times and is in poor condition. I have only had the truck for a short time and don't know much of it's history, but it looks like the fuel tank selector valve has been replaced and I don't know if it is correct.
I would appreciate any help you can give me.
Thank you.
Mar 2, 2021 at 7:08 PM (Merged)
Avatar
ASEMASTER6371
  • CERTIFIED EXPERT
  • 52,796 POSTS
Good morning,

Did you check for spark?

https://www.2carpros.com/articles/how-to-test-an-ignition-system

You need to test the fuel pressure as well. The pump may be running but may not be producing enough pressure. Try spraying some starter fluid in the air filter and see if the truck starts and stalls.

https://www.2carpros.com/articles/how-to-check-fuel-system-pressure-and-regulator

This could also be the ignition switch. Power needs to be confirmed not only to the fuel pump but the ignition module.

Roy
Mar 2, 2021 at 7:08 PM (Merged)
Avatar
BKM97423
  • MEMBER
  • 49 POSTS
I turned off hwy going 55 mph and ran my truck into high water. I went in to reverse and backed out and my truck quit running. I started it up and it kept shutting off but it finally kept running and it wouldn't go over 35 mph and home is nine miles away. The next day the truck wouldn't start. It turns over every time but still wont start. I got it started one time and it shut off after about ten minutes and I cannot get it started since. I have checked emergency fuel pump shut off and my opinion is that the switch is bad. Also I have bought everything for a tune up including; distributor cap, rotor, plugs, fuel filter etc. Please help as it has been eight days with no transportation. Thank you, Brenda M
Mar 2, 2021 at 7:09 PM (Merged)
Avatar
ASEMASTER6371
  • CERTIFIED EXPERT
  • 52,796 POSTS
Good afternoon,

I would start by draining the fuel tank and replacing with fresh fuel. There may be water in the tank from the water.

Change the fuel filter as well.

Start there.

Roy
Mar 2, 2021 at 7:09 PM (Merged)
Avatar
BKM97423
  • MEMBER
  • 49 POSTS
Thank you Roy for the advice. It was a fuel pump relay. Well my mechanic bypassed the fuel pump relay and it fired right up. After plugging in the new relay the engine still just turned over like it was going to start but wouldn't. I asked mechanic if he could just bypass the fuel pump relay then to solve the problem. Would you advise this when having problems engine not starting or would you diagnose to find out why the new fuel pump relay didn't fix the no start until you found the real problem. I was thinking maybe it wasn't the relay itself but the part/wiring that the fuel pump relay plugs in to. Any feedback Roy? Advice? Solution? (Finally got the Ranger running bypassing the fuel pump relay, but after driving it and not very far either, I think the fuel pump went out on me/quit working.)
Mar 2, 2021 at 7:09 PM (Merged)
Avatar
ASEMASTER6371
  • CERTIFIED EXPERT
  • 52,796 POSTS
Okay, so it was not the relay.

Bypassing it is not recommended. The relay is controlled by the ECM. He just connected 30 and 87 contacts on the relay to get it going.

It would be better to fix the problem not jerry rig it.

There is a fusible link that supplies power to the relay. That needs to be checked. It does sound like you need another technician who knows how to diagnose electrical systems instead of just bypassing protections.

As far as the stalling, did you change the fuel?

Roy
Mar 2, 2021 at 7:09 PM (Merged)
Avatar
BKM97423
  • MEMBER
  • 49 POSTS
No didn't change the fuel. once started it ran just great. So if i'm having a no start problem just like i did before the fuel pump relay was bypassed what can i do from here? It is doing the exact same thing as before. Turns over but wont start. Also what is up with the radiator drain plug? I bought a new one cause it had a slow drip from this "faucet" looking thing directly under drain plug on radiator. I tried putting in the new drain plug but it will not seal and is a steady stream out of the "faucet" (its a tiny metal tube curved just like a spicket and it is approximately 2cm in diameter) i can not get it to stop leaking and the drain plug seems to be in tight! so frustrating but i'm sure there has to be a way to fix this problem. It was leaking less before i put the new drain plug in? Thanks for all your help. You guys are great! You've helped me so much when otherwise i would have been stuck because i don't have money to pay a mechanic to fix things. I don't mind doing it myself if it is something that i am able to do without risking breaking or ruining my engine. I'm pretty resourceful but the things you have helped me with i was at a loss and couldn't find the answer so i thank you for offering me help at no charge.. i cannot thank you enough, forever grateful, Brenda M (Southern Oregon Coast)
Mar 2, 2021 at 7:09 PM (Merged)
Avatar
ASEMASTER6371
  • CERTIFIED EXPERT
  • 52,796 POSTS
Got it.

Can you post a picture of the drain plug for me to view?

As far as the starting, The electrical system needs to be checked to find out why it or the relay will not turn on the pump.

Do you have a test light and a voltmeter to do some testing?

Roy
Mar 2, 2021 at 7:09 PM (Merged)
Avatar
BKM97423
  • MEMBER
  • 49 POSTS
No. But I will buy them. They aren't expensive. Thank you again. You're awesome!
Mar 2, 2021 at 7:09 PM (Merged)
Avatar
ASEMASTER6371
  • CERTIFIED EXPERT
  • 52,796 POSTS
You are welcome.

Always glad to help.

Roy
Mar 2, 2021 at 7:09 PM (Merged)