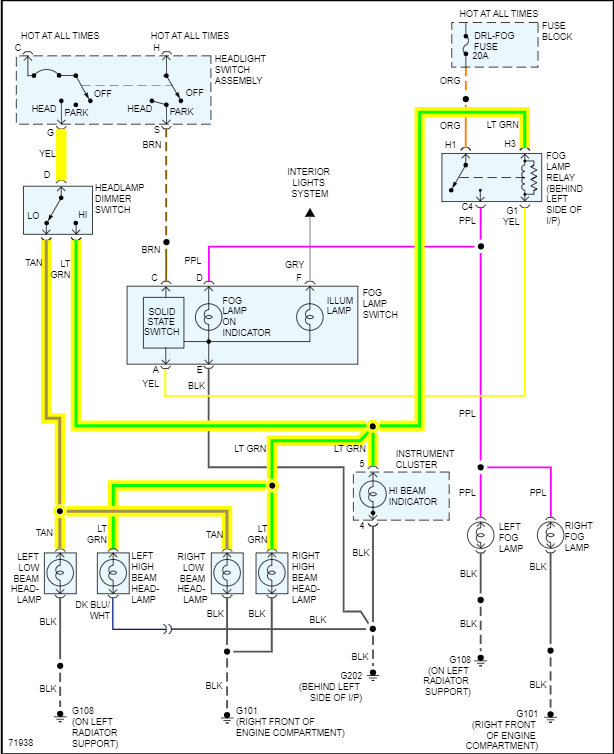
Does it have Daytime running lights (DRL)? and with or without Fog lamps? So there's a couple options here.
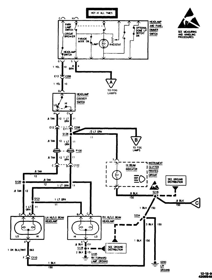
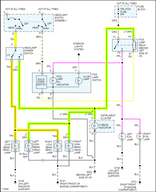
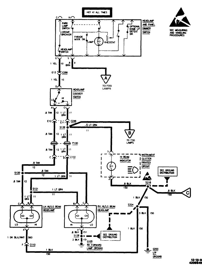
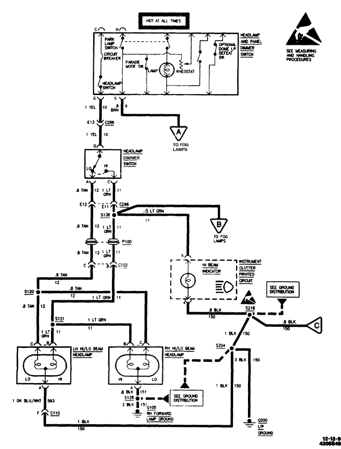
The 1st here is a composite headlamp without daytime running lamp option, it's a pretty basic circuit.
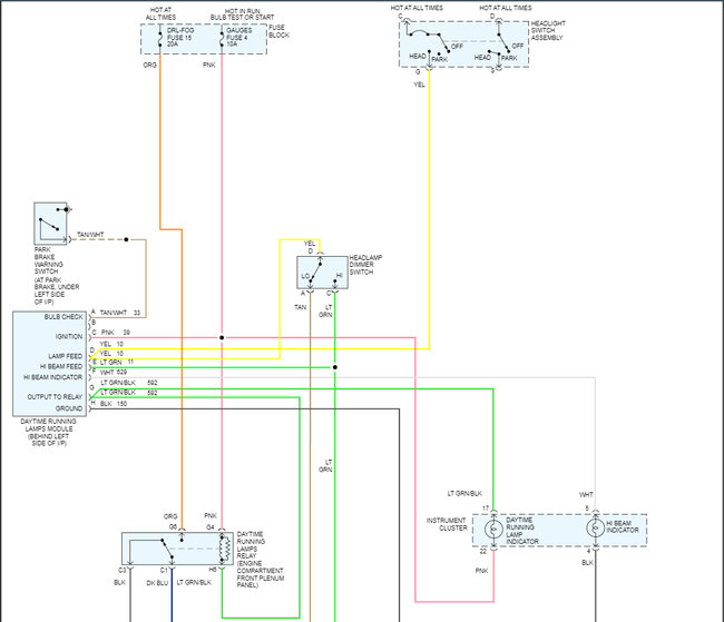
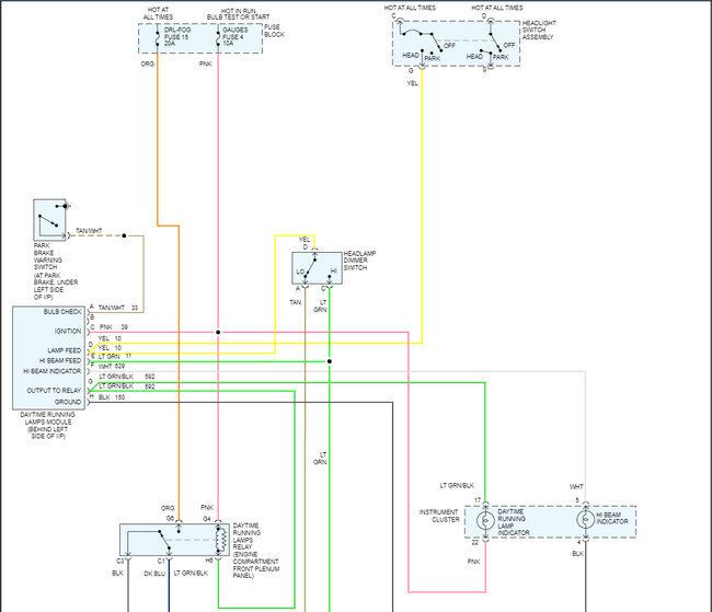
The 2nd is a composite headlamp with a daytime running lamp module involved, the only difference here is the head lamp dimmer (High beam-Low beam) has a circuit that a circuit that sends power to the DRL module, it looks like just to turn on the DRL relay, but I would start with the head lamp switch, see if you have power coming out the yellow wire, because it's the same on each design, if you do have power on the yellow wire, then move to the Dimmer switch next (High and Low Beam switch). The High Beam indicator on the Instrument Cluster should light up when High Beams are on if the Dimmer switch is ok because the Cluster indicator gets power on the same circuit.
So, if the high beam is not showing up on the Instrument Cluster, you know that power is not making it to the Dimmer Switch. Just ignore the DRL stuff for now, Ill see if any fuses link the Hazards and Headlamps together.
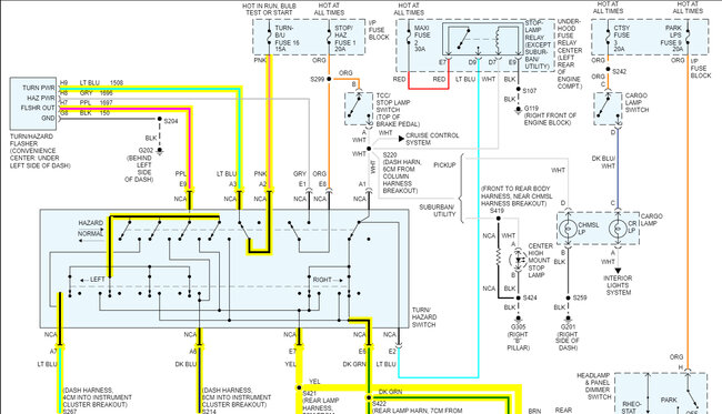
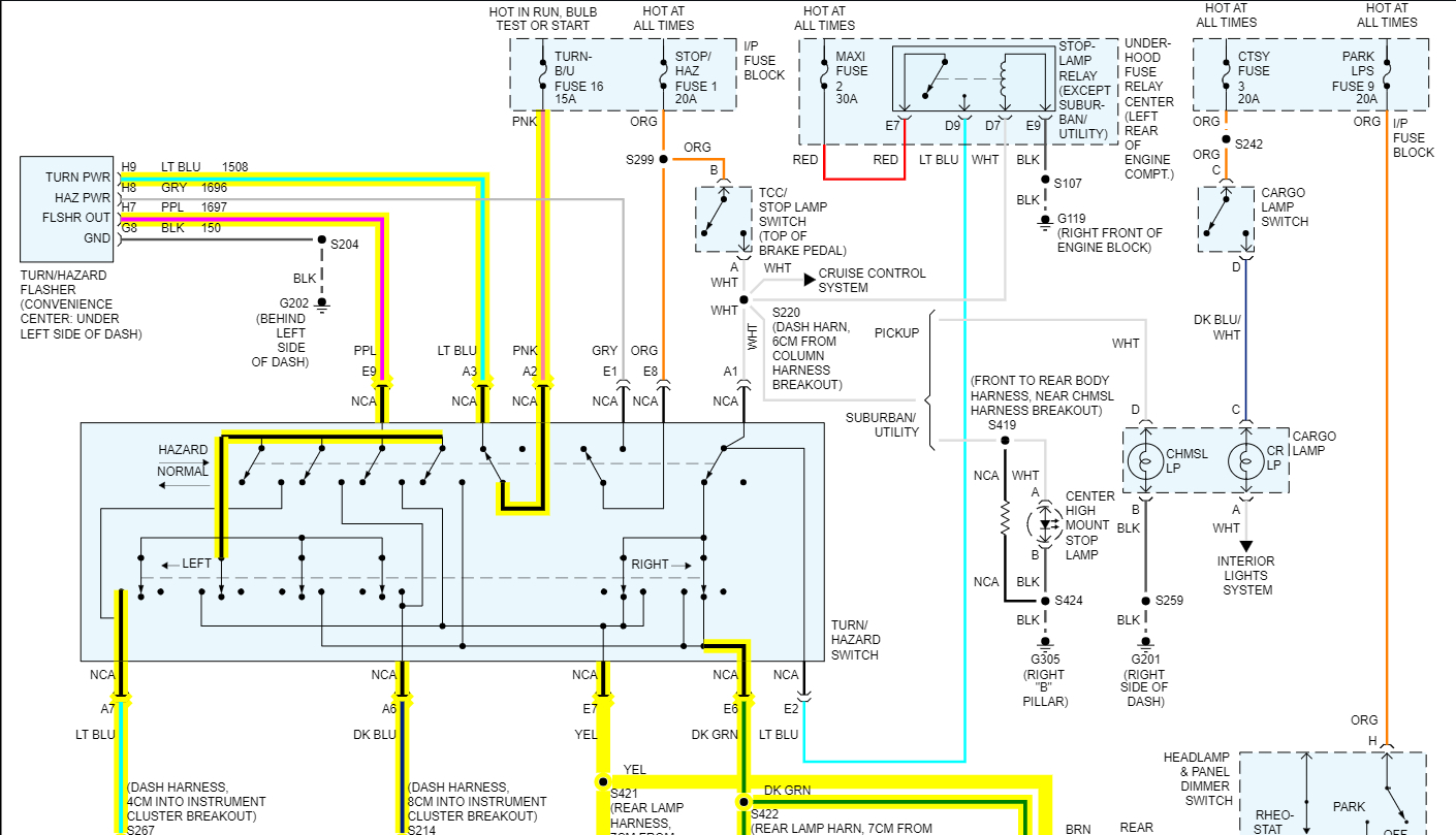
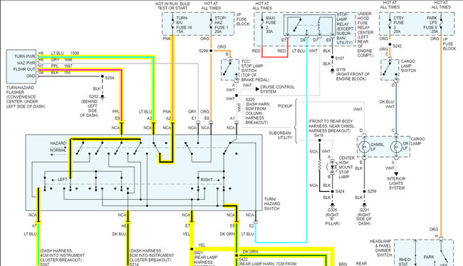
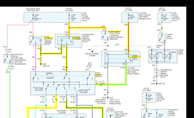
If your Brake lamps, and Turn Signals work ok, then either the Hazard Flasher doesn't work or the Hazard switch/ or wiring to it has an issue. Because the Stop Lamp relay is powered off the same fuse as the Hazard Flasher, and the Turn Signal Flasher shares a Ground with the Hazard Flasher,
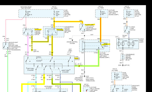
It looks like they run the Turn signals, Stop Lamps, and Hazards all through the
Turn-Hazard Switch as you can see in the 4th diagram.
So, it can only be the Hazard Flasher, its wiring, or part of the Hazard switch not changing over from the Turn signals to Hazard signals with the way this circuit is set up.
The Flashers are just relays that heat up and cool down, opening and closing the circuit on these older vehicles, they just eventually wear out,
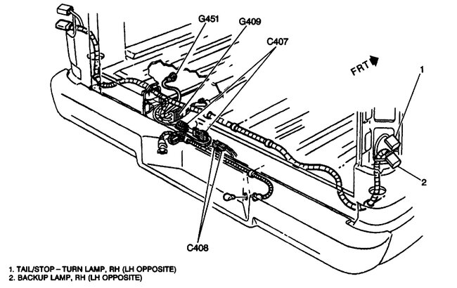
The Hazard Flasher should have 3 wires going to it, looks like it's near the interior fuse panel. With an orange wire which is B+, a Brown wire which would be its Output flashing and a black wire for Ground if these diagrams are correct.
Images (Click to enlarge)
Oct 18, 2023 at 10:39 AM