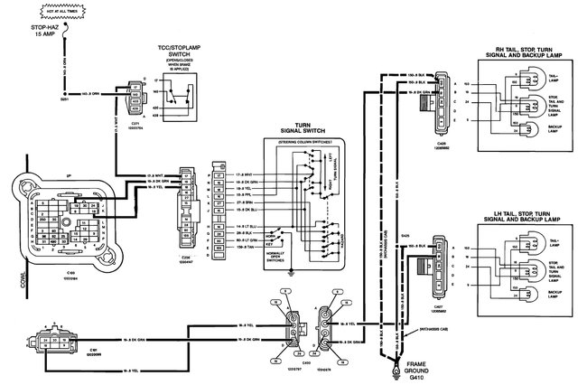
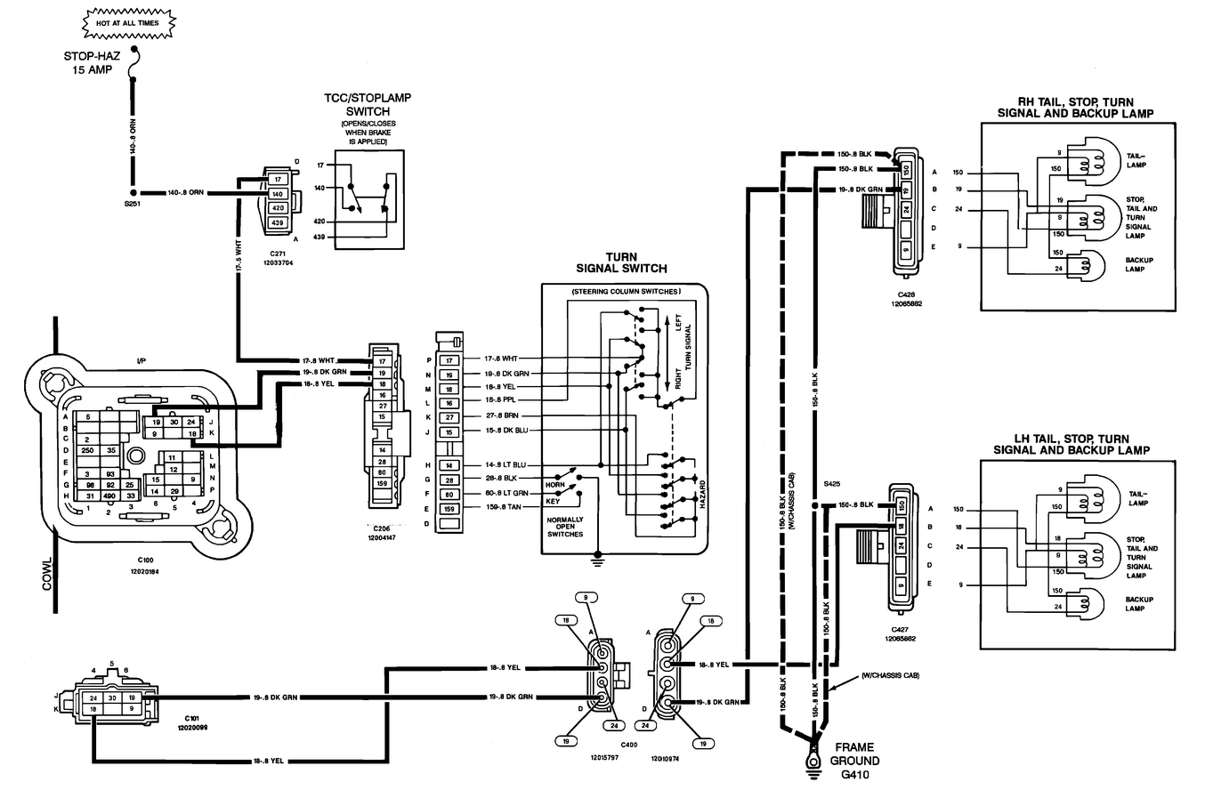
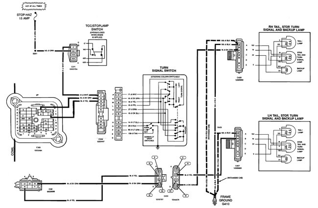
Vehicle is a 1993 Chevy Kodiak c75, medium duty truck. Turns signals work fine, but brakes and emergency flasher blows circuit breaker. I m trying to trace wires from brake light back to instrument panel to check for shorts, but I am not quite there yet. I would think if there was a dead short, the turn signals would not work either. any suggestions? I have switched circuit breakers but that did not help. I have not determined if there is a separate flasher for the emergency flasher. BTW, after the circuit breaker trips, there is a buzzing sound behind the dash. The circuit breaker panel is not behind the dash, it is below the dash.
Aug 14, 2019 at 7:26 AM
