Turn signals not working properly

2004 CHEVROLET AVALANCHE
146,000 MILES • 5.3L • V8 • 4WD • AUTOMATIC
Avatar
CURTIS JIM LILLER
  • MEMBER
  • 1 POST
This is my Mother in-law's vehicle she has an issue where the turn signals stop flashing with brake on, when brake is released they flash. However when the brake off the 3rd brake light flashes with the turn signals. I have already changed the bulbs and the Flasher module and cleaned the junction box at the rear. The only other thing I can think of is bad ground maybe... Could someone please show me the wiring diagram for the turn signals? Also can't hurt to see if anyone else has any thoughts.
Aug 31, 2021 at 8:30 AM
Advertisement
Avatar
JACOBANDNICKOLAS
  • CERTIFIED EXPERT
  • 110,175 POSTS
Hi Jim,

It sounds like a short related to the third brake lamp. If you remove the light from the third brake light, do the brake lights and signals work properly?

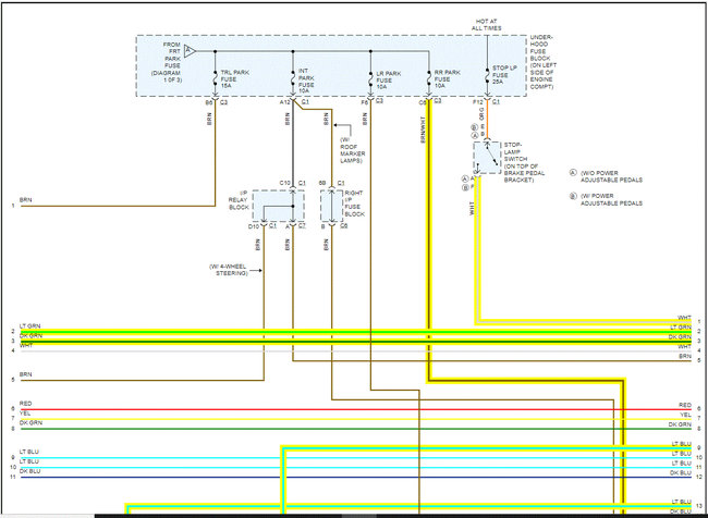
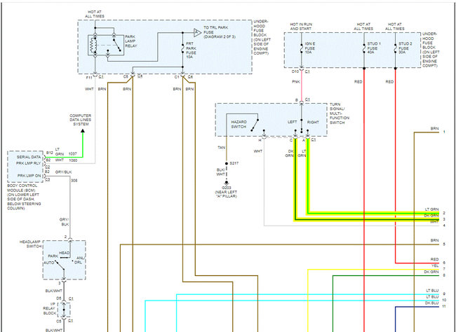
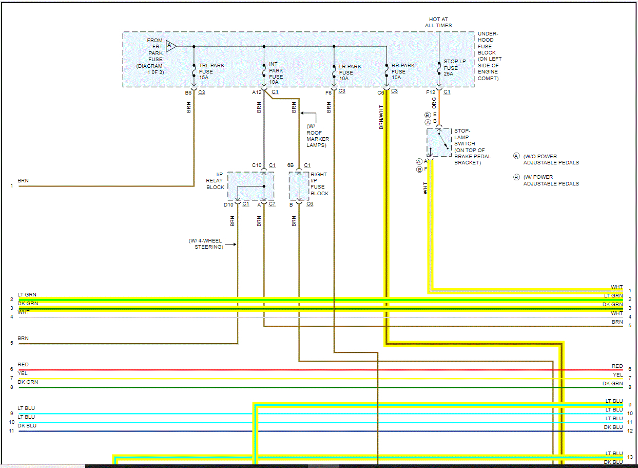
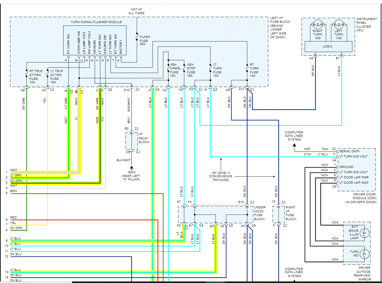
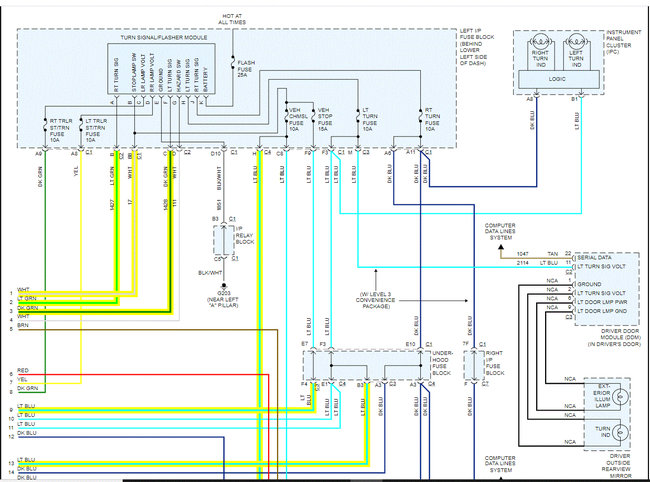
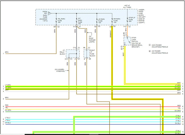
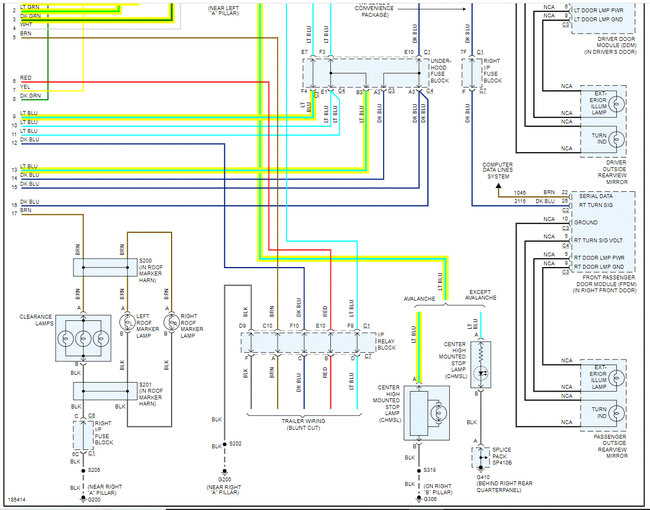
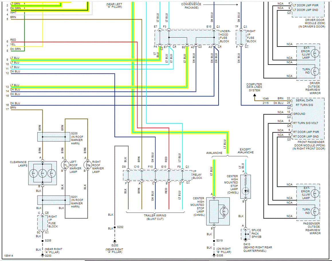
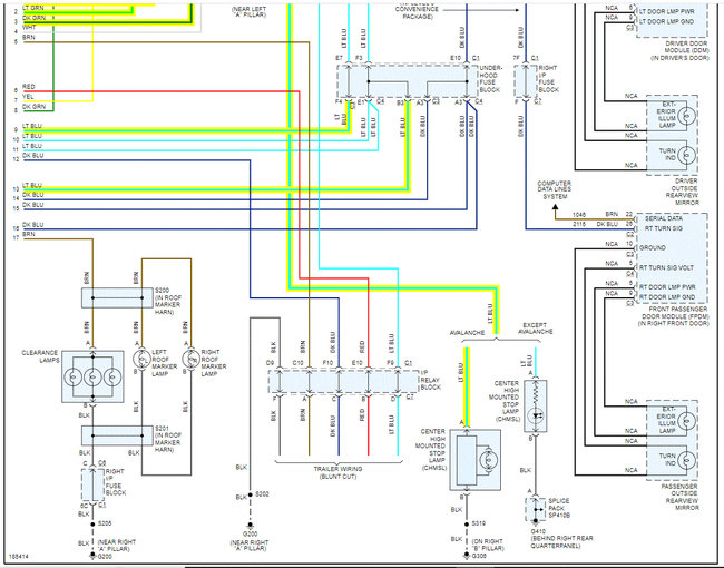
Next, I attached the wiring schematic below. It was three pages long and I had to cut each picture in half to make them readable. I did overlap them so you can follow from one to the next.

I highlighted the wiring related to the issues. Do me a favor, note that there is one ground for the rear lamp system. They are all combined via the rear lamp junction box.

The ground is located at the left rear body mount of the vehicle. Check the condition of that wire/ground. Make sure corrosion or a poor connector is causing a problem at the body mount.

Let me know what you find or if you have other questions. Also, here is a link you may find helpful:

https://www.2carpros.com/articles/how-to-check-wiring

Take care,

Joe

See pics below.
Aug 31, 2021 at 9:01 PM