Turn signals not working

2005 BUICK LESABRE
50,000 MILES • 2WD • AUTOMATIC
Avatar
TSLOAN88
  • MEMBER
  • 2 POSTS
I've replaced the turn signal bulbs, the bulb sockets, the turn signal flasher/hazard flasher all in one. I've even checked fuses. Still no hazards or turn signal. Am I missing something?
Dec 11, 2019 at 9:51 AM
Advertisement
Avatar
STRAILER
  • CERTIFIED EXPERT
  • 53,854 POSTS
Hello,

There is a turn signal hazard fuse we need to check for power. here is a guide to help and the fuse location with the blinker wiring diagrams so you can see how the system works:

https://www.2carpros.com/articles/how-to-check-a-car-fuse

Check out the diagrams (below). Please let us know what you find. We are interested to see what it is.
Dec 11, 2019 at 9:59 AM
Avatar
TSLOAN88
  • MEMBER
  • 2 POSTS
Thanks for the reply. I had to replace fuses and both bulb sockets up front. But they are working now.
Dec 11, 2019 at 10:45 AM
Advertisement
Avatar
STRAILER
  • CERTIFIED EXPERT
  • 53,854 POSTS
Glad you could get it fixed, that kind of problem can be tough. Please use 2CarPros anytime we are here to help.
Dec 11, 2019 at 10:46 AM
Avatar
KGOOD
  • MEMBER
  • 1 POST
The running light works, hazard lights work and the right signal works. Just left side turn signals not working.
Feb 12, 2021 at 11:29 AM (Merged)
Avatar
JACOBANDNICKOLAS
  • CERTIFIED EXPERT
  • 110,175 POSTS
Hi,

When you turn the left signal on, does anything happen? For example, does the indicator come on in the vehicle or flash rapidly? Also, when you turn the hazard lights on, do they work?

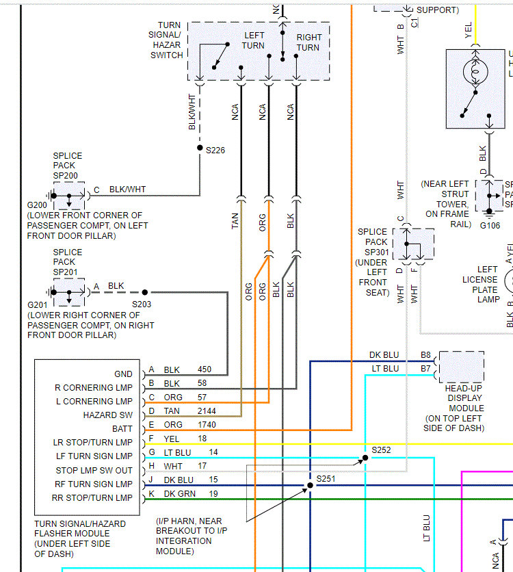
I'm looking through the wiring schematic, and I notice that power goes through the hazard /signal switch before going to the flasher module. See pic 1. Let me know if anything is happening when the signal is turned on or when the hazards are turned on. If it still doesn't work, I will need you to check for power at the module's light blue wire when the left signals are selected. Here is a link you may find helpful:

https://www.2carpros.com/articles/how-to-check-wiring

Let me know. If you have other questions, let me know that as well.

Take care,
Joe




Feb 12, 2021 at 11:29 AM (Merged)
Avatar
S89MG13
  • MEMBER
  • 2 POSTS
Problem was intermittent but now constant. All the other lights seem to work correctly but the right rear signal is steady without flash. Right turn signal indicator on dash is steady lit. I can't find the Light Control Module location. Took both skirts off under driver and passenger sides of dashboard.
Feb 12, 2021 at 11:29 AM (Merged)
Avatar
ASEMASTER6371
  • CERTIFIED EXPERT
  • 52,796 POSTS
Good evening,

It is under the left side of the dash. I attached a picture for you of the location.

Roy
Feb 12, 2021 at 11:29 AM (Merged)
Avatar
S89MG13
  • MEMBER
  • 2 POSTS
Thank you Roy, unfortunately I have poor eyesight so that picture isn't enough. Could you tell me where it came from so I can read up on it please?
Feb 12, 2021 at 11:29 AM (Merged)
Avatar
ASEMASTER6371
  • CERTIFIED EXPERT
  • 52,796 POSTS
Alldata.

You can go to there site and get a days pass for your car and you can read and download all the information you wish.

Roy
Feb 12, 2021 at 11:29 AM (Merged)
Avatar
AEW
  • MEMBER
  • 1 POST
The signal lights are not working, however the hazard lights do flash when turned on. I have checked the fuses I know to check and all the bulbs are working. However, when the turn signal switch on the steering column is pushed up or down to activate the turn signals they do not blink. Can you tell me how to go about fixing this problem?
Feb 12, 2021 at 11:29 AM (Merged)
Avatar
JDL
  • CERTIFIED EXPERT
  • 16,098 POSTS
This sounds like the turn signal flasher is not working right. Here is the location so you can see how to replace it.

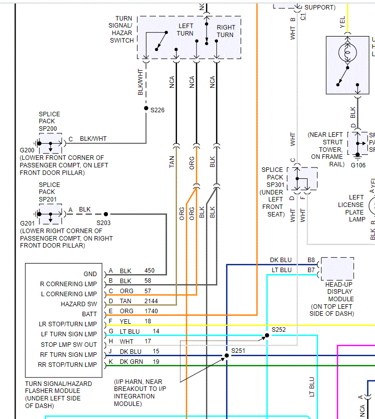
Check out the diagrams (below). Please let us know what happens.

Cheers
Feb 12, 2021 at 11:29 AM (Merged)
Avatar
PPNJ4
  • MEMBER
  • 3 POSTS
This fixed my car. Thanks for the post.
Feb 12, 2021 at 11:29 AM (Merged)
Avatar
TSLOAN88
  • MEMBER
  • 2 POSTS
I have a 2005 buick lasabre. I've replaced the turn singnal bulbs , the buld sockets , the turn singnal flasher/ hazard flasher all in one. I've even checked fuses . Still no hazards or turn singnal. Am I missing something ?
Feb 12, 2021 at 11:29 AM (Merged)
Avatar
STRAILER
  • CERTIFIED EXPERT
  • 53,854 POSTS
Please go here:

https://www.2carpros.com/questions/turn-signals-not-working-74949235

Feb 12, 2021 at 11:29 AM (Merged)
Avatar
TSLOAN88
  • MEMBER
  • 2 POSTS
Thanks for the reply . I had to replace fuses and both bulb sockets up front . But they are working now ..
Feb 12, 2021 at 11:29 AM (Merged)
Avatar
DRICE17
  • MEMBER
  • 2 POSTS
Right turn signal does not work. The dash light for the right turn signal also does not light. I replaced the flasher and that made no difference. The outside turn light for the right also does not work. All other functions work properly (emergency flasher, left turn signal etc.). Please advise.
Feb 12, 2021 at 11:30 AM (Merged)
Avatar
HARRY P
  • CERTIFIED EXPERT
  • 2,292 POSTS
I would bet on a bad switch. Fairly common in GM's from that year range. The only test that I can think of would be to probe the connector to the flasher with your multi-meter and see if power gets there when you have that switch turned on. I suspect you will find no power there.
Feb 12, 2021 at 11:30 AM (Merged)
Avatar
DRICE17
  • MEMBER
  • 2 POSTS
Thank you. Where is the switch located?
Feb 12, 2021 at 11:30 AM (Merged)
Avatar
HARRY P
  • CERTIFIED EXPERT
  • 2,292 POSTS
I am talking about the one on the steering column that you flip up for right and down for left.
Feb 12, 2021 at 11:30 AM (Merged)
Avatar
HARRY P
  • CERTIFIED EXPERT
  • 2,292 POSTS
It is actually a fairly involved job, as it requires you to pull the steering wheel off to do it. And it is possible that if you make a mistake, the airbag can go off and hit you in the face. But I am posting the basics of removing (images 1 and 2) and reinstalling the switch (image 3) below. And here is our guide on removing and reinstalling the wheel: https://www.2carpros.com/articles/steering-wheel-removal

You will need to borrow a steering wheel puller from AutoZone for your car though.
Feb 12, 2021 at 11:30 AM (Merged)
Avatar
SAVVYSTEPHY
  • MEMBER
  • 3 POSTS
Electrical problem
1999 Buick Lesabre 6 cyl Automatic

I was traveling today when I was told my rear right side break lights and turning signal weren't coming on. They come on when I lock my car or sound the alarm, so it is not the bulbs but electrical with the connection to the breaks / turning signal. Suggestions?

If I don't find anything out by Monday, I'll be bringing it to the mechanic. :)
Feb 12, 2021 at 11:30 AM (Merged)
Avatar
INTERNETMECHANIC
  • CERTIFIED EXPERT
  • 700 POSTS
My first thought, is a problem with the multi-function switch? Your lower brake lights and turn use the same bulb filament, just not at the same time. The lower brake lights are wired through the multi-function switch, as well as the turn and hazard. All your other brake and turn signals work okay?
Feb 12, 2021 at 11:30 AM (Merged)
Avatar
SAVVYSTEPHY
  • MEMBER
  • 3 POSTS
Yep, all the other turn signals and brake lights work. It is just the rear back corner. They do light up when I lock the car or push the "panic" button. Just not when I brake or use the right signal to turn.

Thanks!
Feb 12, 2021 at 11:30 AM (Merged)
Avatar
FLEETWOOD58
  • MEMBER
  • 19 POSTS
Turn signals on Buick Lesabre do not flash but emergency flasher work fine any idea what may be going on?
Feb 12, 2021 at 11:30 AM (Merged)
Avatar
DR LOOT
  • CERTIFIED EXPERT
  • 2,311 POSTS
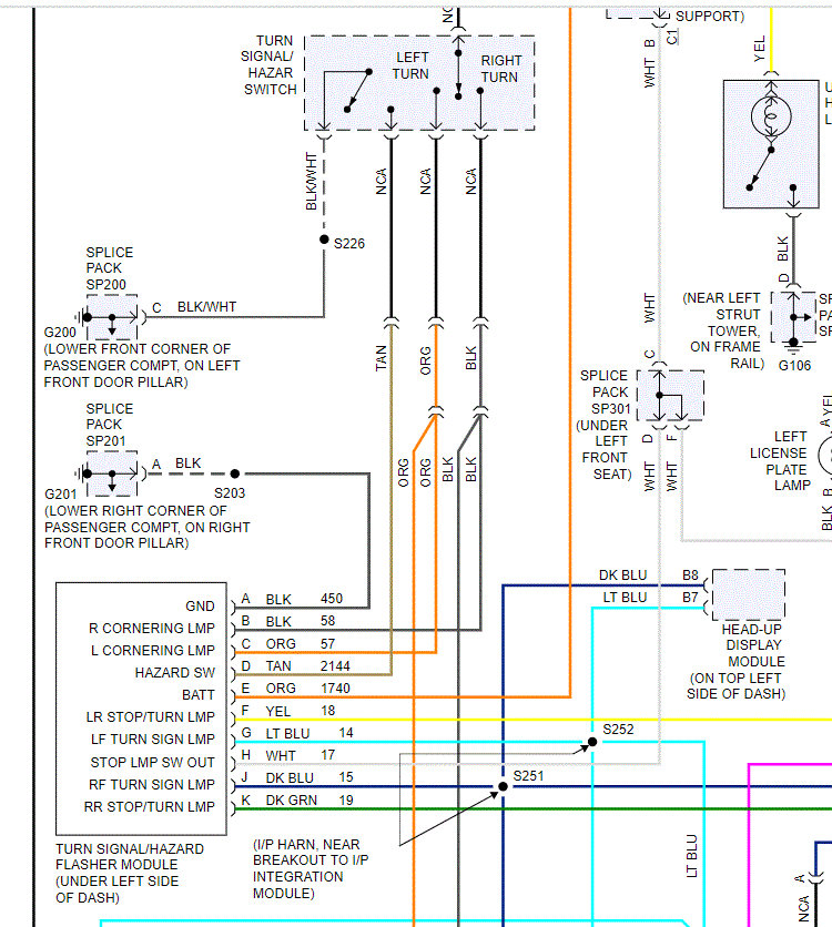
I have looked at the wiring schematics on your vehicle and noticed that the hazard flasher and the turn signal flasher on the same circuit therefore it is a hazard flasher's work. There should be power going to the turn signal flasher and if that is the case in the turn signals do not work replace the flasher of the turn signal. I have given you below the location of both flashers so you do not confuse them and replace the correct one.







Turn signal flasher under left side of dash.
Hazard flasher under left side of dash, on right side of steering column brace.
Feb 12, 2021 at 11:30 AM (Merged)