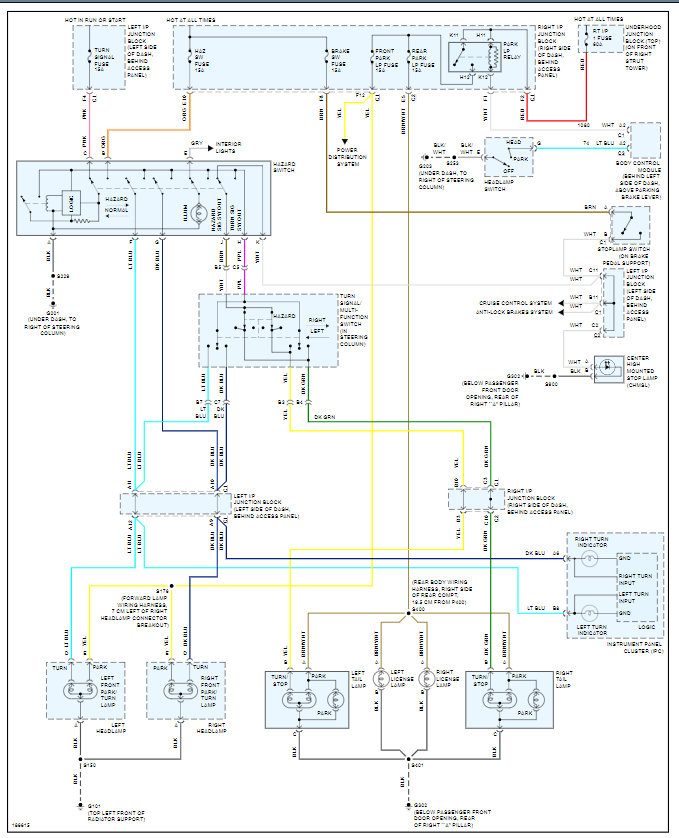
When I use the left turn signal, the front and back left turn bulbs flash double speed. When I use the right turn signal, the front and back right turn bulbs flash double speed. When I use the hazard lights, all lights flash at regular speed.
This issue became apparent after resolving a different, potentially related, issue which I will outline below:
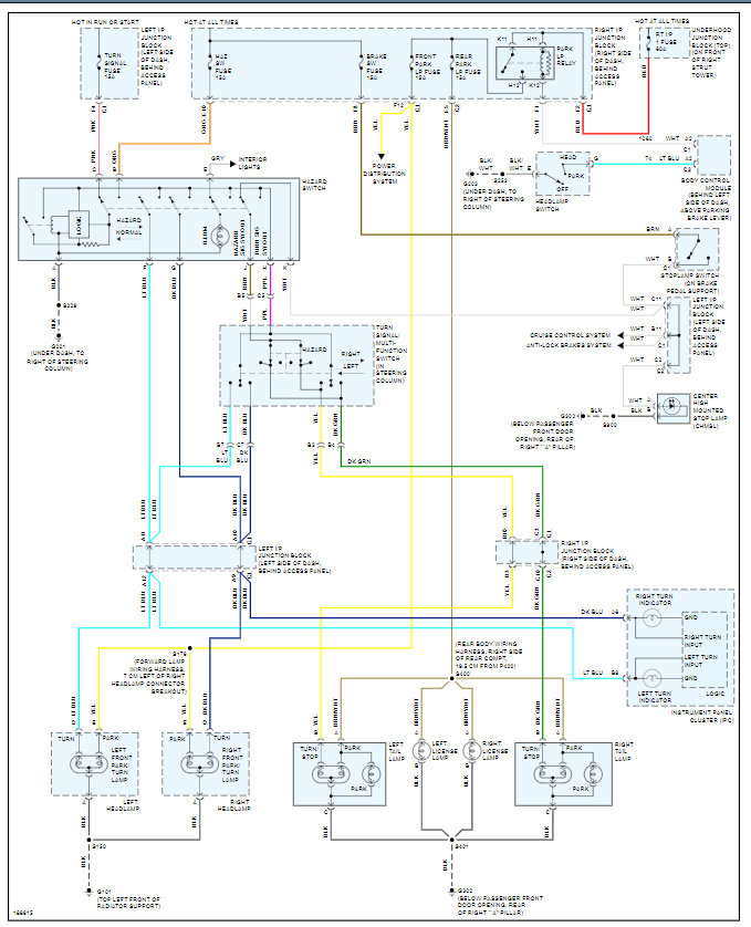
Initial problem: Turn signal indicators on dash stay lit while car is on, front turn signal bulbs stay lit *very dimly* while car is on. Message center says "high beam out"; no high beam is out. When turn signals are used, the correct rear bulb hyper-flashes, both front bulbs hyper-flash *very dimly*, and both turn signal indicators on dash hyper-flash. When hazard lights are on, all lights hyper flash, but both front bulbs are *very dim*.
1. Tested all fuses with test light attached to ground.
2. Replaced Hazard Relay Switch in dash.
3. Replaced both front turn signals with Sylvania 3457A (I was desperate, okay)
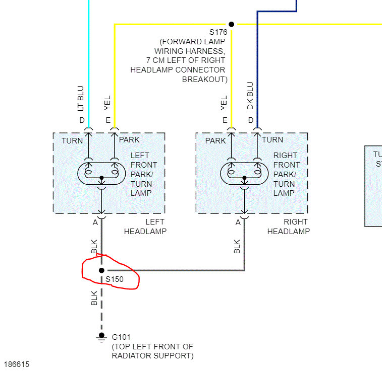
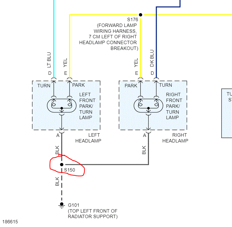
4. Replaced corroded ring terminal attaching 2 ground wires to upper left radiator support. (G101, if I understand correctly.)
After that fourth step, the "high beam out" message is gone, my hazard light works perfectly, and my turn signals would be working perfectly if they weren't still hyper flashing.
I'm stuck. The only thing the internet is giving me is LED bulbs, and that's not it.
Any ideas would be hugely appreciated.
This issue became apparent after resolving a different, potentially related, issue which I will outline below:
Initial problem: Turn signal indicators on dash stay lit while car is on, front turn signal bulbs stay lit *very dimly* while car is on. Message center says "high beam out"; no high beam is out. When turn signals are used, the correct rear bulb hyper-flashes, both front bulbs hyper-flash *very dimly*, and both turn signal indicators on dash hyper-flash. When hazard lights are on, all lights hyper flash, but both front bulbs are *very dim*.
1. Tested all fuses with test light attached to ground.
2. Replaced Hazard Relay Switch in dash.
3. Replaced both front turn signals with Sylvania 3457A (I was desperate, okay)
4. Replaced corroded ring terminal attaching 2 ground wires to upper left radiator support. (G101, if I understand correctly.)
After that fourth step, the "high beam out" message is gone, my hazard light works perfectly, and my turn signals would be working perfectly if they weren't still hyper flashing.
I'm stuck. The only thing the internet is giving me is LED bulbs, and that's not it.
Any ideas would be hugely appreciated.
Sep 11, 2020 at 10:36 AM


