Turn signals do not work anymore

1997 ACURA CL
250,000 MILES • 3.0L
Avatar
HLORENZ
  • MEMBER
  • 1 POST
A neighbor did my timing belt, now the turn signals do not work. It is not the bulbs, and hazard's still work. Any ideas?
Sep 9, 2018 at 10:15 AM
Advertisement
Avatar
STRAILER
  • CERTIFIED EXPERT
  • 53,854 POSTS
Hello,

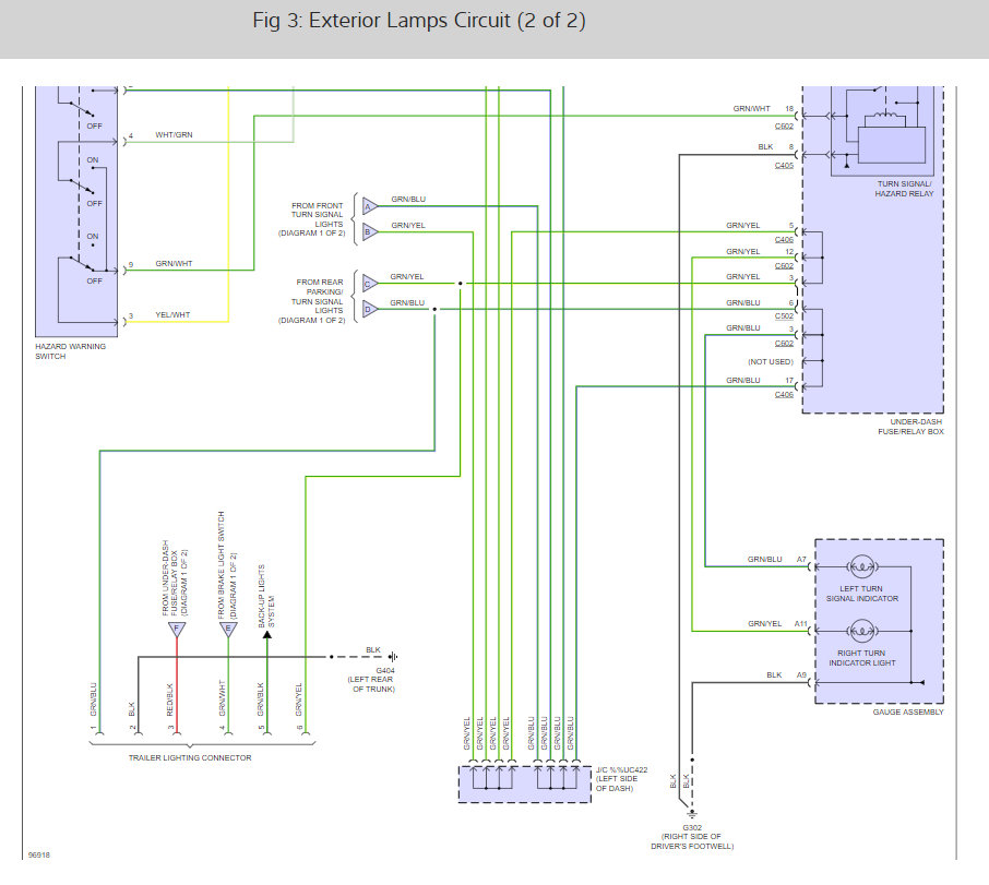
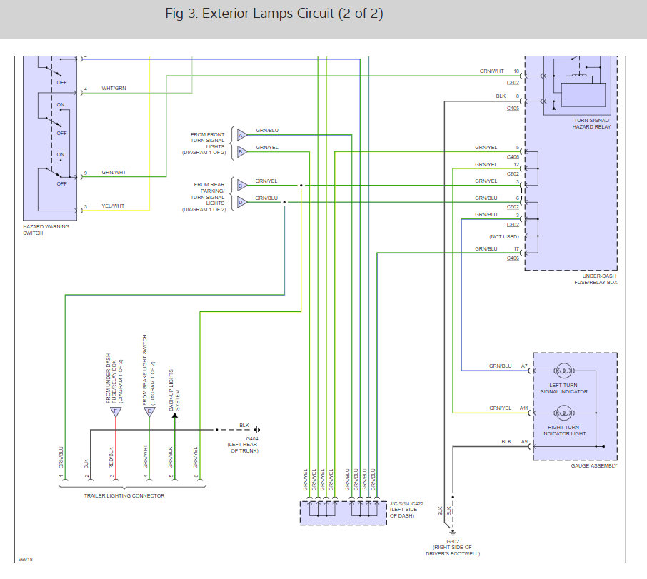
The blinker use fuse #12 in the left kick panel. Can you see if it is blown? Here is a guide to help you check it and the fuse locations and the blinker wiring diagrams so you can see how they work:

https://www.2carpros.com/articles/how-to-check-a-car-fuse

Check out the diagrams (below). Please let us know what happens.

Cheers, Ken
Sep 10, 2018 at 1:10 PM