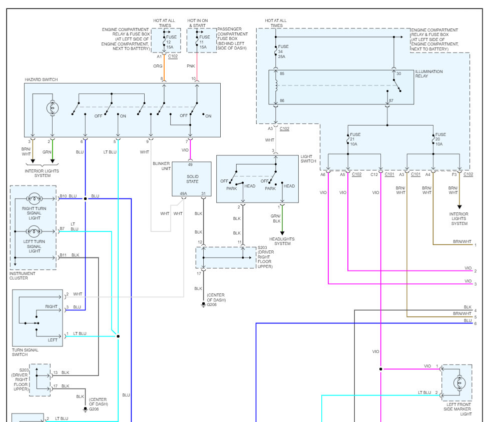
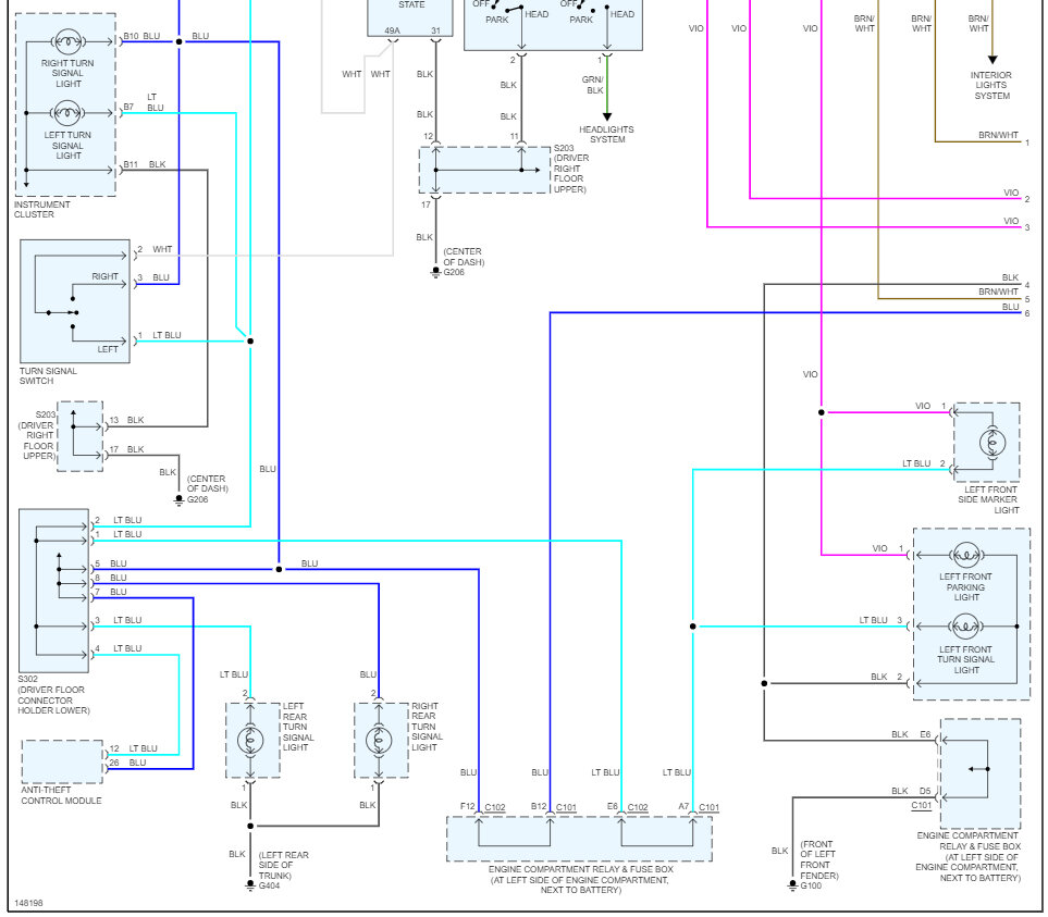
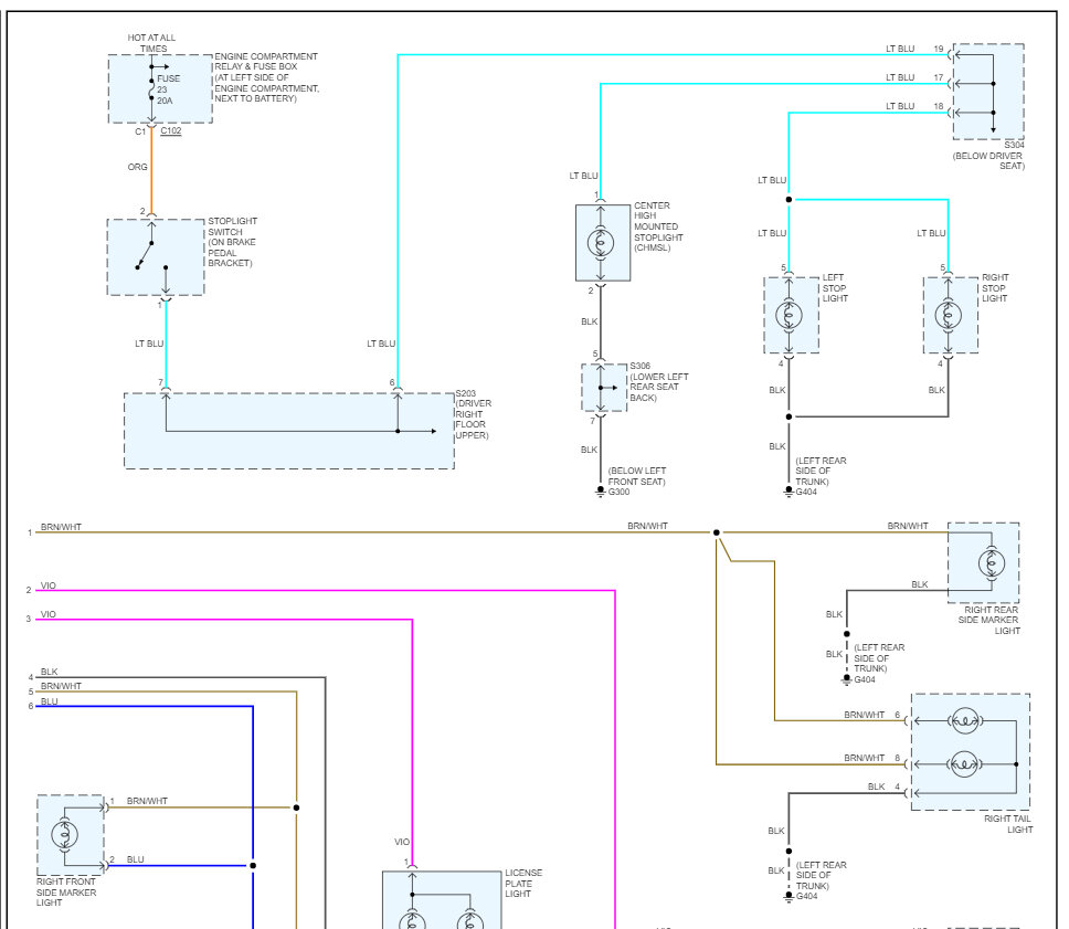
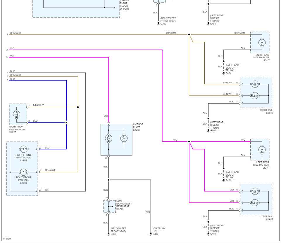
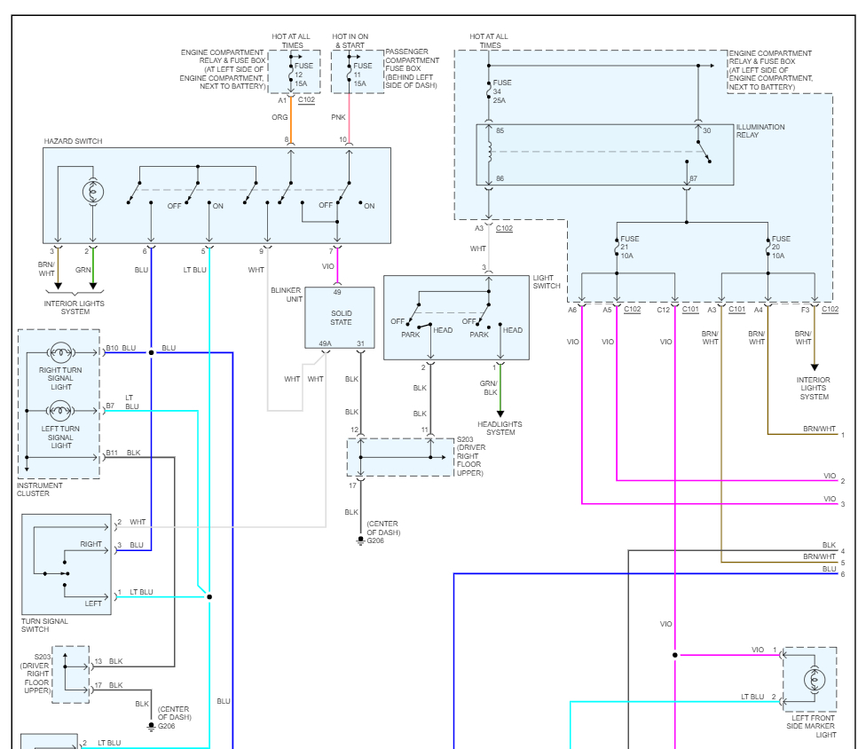
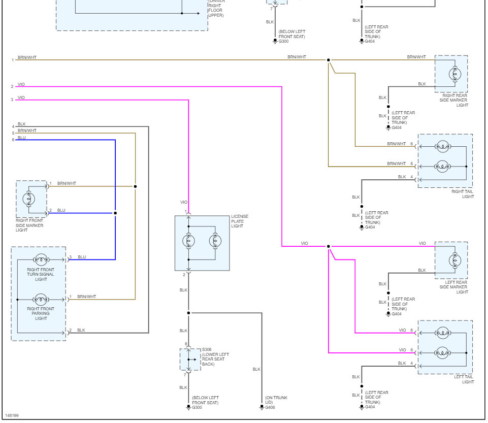
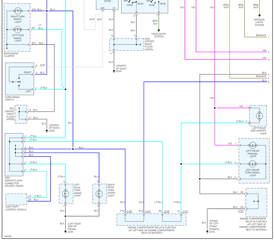
My turn signals don't work but my flashers do, so the bulbs are good.
I've replaced the multi switch on the column, the green flasher relay under the dash, and the fuses are good.
What next? Isn't that everything?
Thank you in advance for any information!
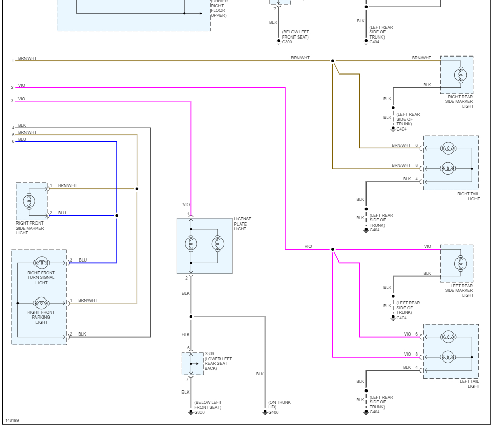
I've replaced the multi switch on the column, the green flasher relay under the dash, and the fuses are good.
What next? Isn't that everything?
Thank you in advance for any information!
May 29, 2023 at 1:19 PM



