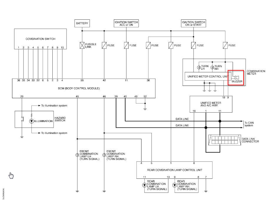
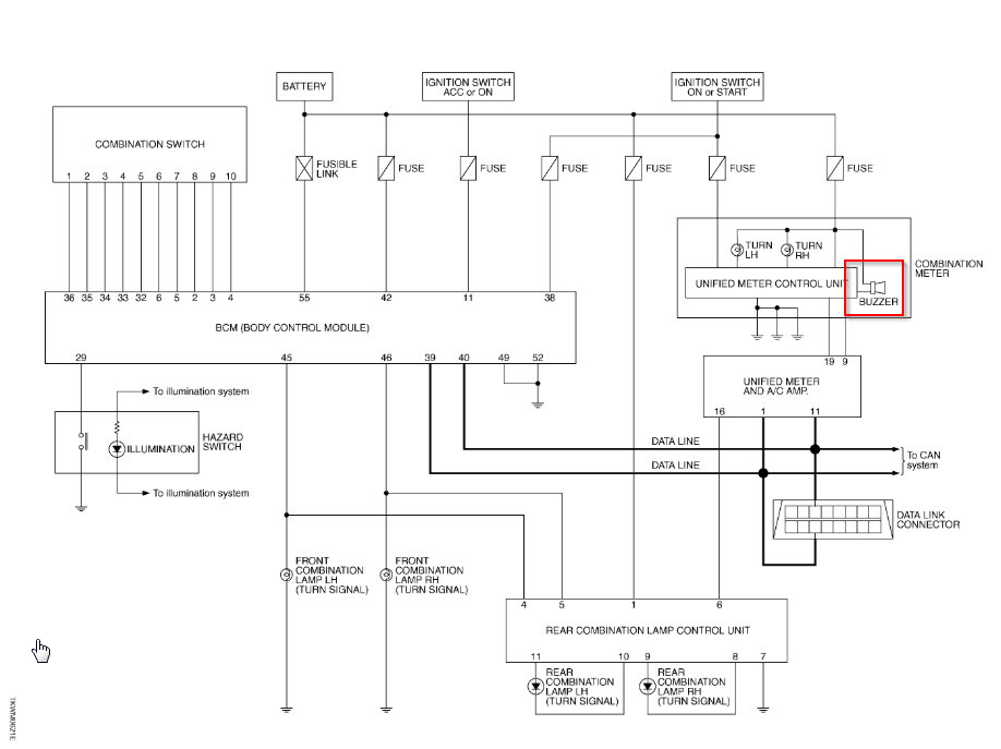
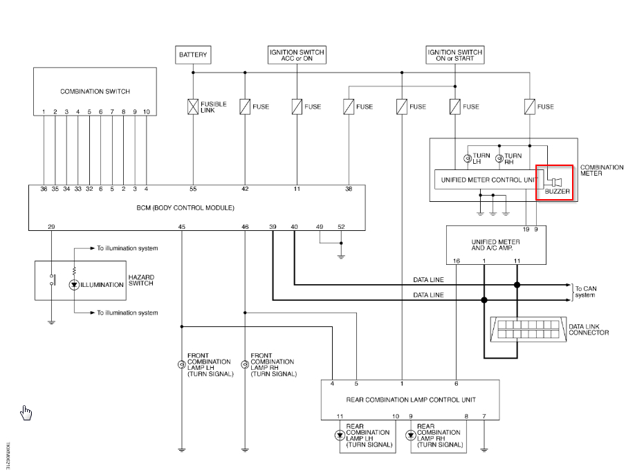
This is actually part of the combination meter. Take a look at the attachments and you will see I circled the "buzzer" that is what actually makes the sound on your vehicle. It used to be the actual flasher that would make this noise and you would hear the clicking of the relay contacts but your vehicle doesn't have one. The BCM is what controls the turn signals so they had to introduce this noise so that people know that their turn signal was on.
Let us know if you have questions. Thanks
Images (Click to enlarge)
Jun 15, 2020 at 3:22 PM