Turn signals and hazards not working

2010 MAZDA 6
115,000 MILES • 3.7L • V6 • 2WD • AUTOMATIC
Avatar
LIGHTLESS
  • MEMBER
  • 2 POSTS
Turn signals and hazards are suddenly not working. Fuses are fine. Where is the relay located?
Nov 14, 2019 at 7:22 PM
Advertisement
Avatar
STRAILER
  • CERTIFIED EXPERT
  • 53,855 POSTS
Hello,

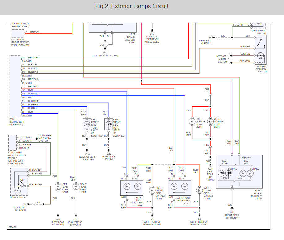
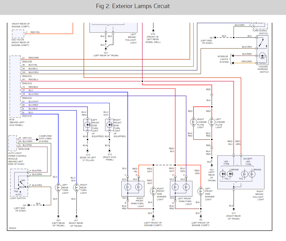
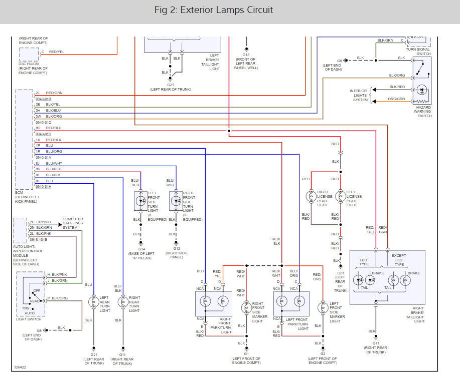
It sounds like the BCM went out. To be sure here is a guide so you can check for power at the fuses (stop, hazard) and the instruction on how to replace the BCM as well. I also have the turn signal wiring diagrams so you can see how the system works.

https://www.2carpros.com/articles/how-to-check-a-car-fuse

Check out the diagrams (below). Let us know what happens and please upload pictures or videos of the problem.
Nov 16, 2019 at 12:15 PM
Avatar
LIGHTLESS
  • MEMBER
  • 2 POSTS
Thanks for the help, Ken. I did a bit more research on the BCM and it looks like it's a common problem with this car (mostly due to water leaks).

Fuses are okay, but I'll have to replace the BCM. If I buy one used, will I have to reprogram it? If so, how can I avoid going to the dealership for this? I haven't found a concrete answer for my specific vehicle.
Nov 17, 2019 at 4:20 PM
Advertisement
Avatar
STRAILER
  • CERTIFIED EXPERT
  • 53,855 POSTS
Yes, reprogramming will need to be done but if you find a re-builder then can program it for you before they send it. they just need the VIN number. Let me know how it goes.
Nov 18, 2019 at 11:03 AM