I have no turn signals or emergency flashers?

1999 LINCOLN NAVIGATOR
200,000 MILES • 4WD • AUTOMATIC
Avatar
STEVE GREENE
  • MEMBER
  • 5 POSTS
I have no turn signals or emergency flashers after I changed the battery terminals and master cylinder. I have checked the fuses and relay.
Oct 27, 2024 at 3:32 PM
Advertisement
Avatar
STRAILER
  • CERTIFIED EXPERT
  • 53,854 POSTS
Yep, it sounds like you have a turn/hazard flasher relay that has gone out due to a voltage surge which can happen when the battery is connected. Here is the location so you can swap it out to help fix the problem. Check out the images (below). Please let us know what happens.
Oct 28, 2024 at 11:08 AM
Avatar
STEVE GREENE
  • MEMBER
  • 5 POSTS
I have replaced the relay and checked the fuses and still nothing.
Oct 28, 2024 at 11:22 AM
Advertisement
Avatar
STRAILER
  • CERTIFIED EXPERT
  • 53,854 POSTS
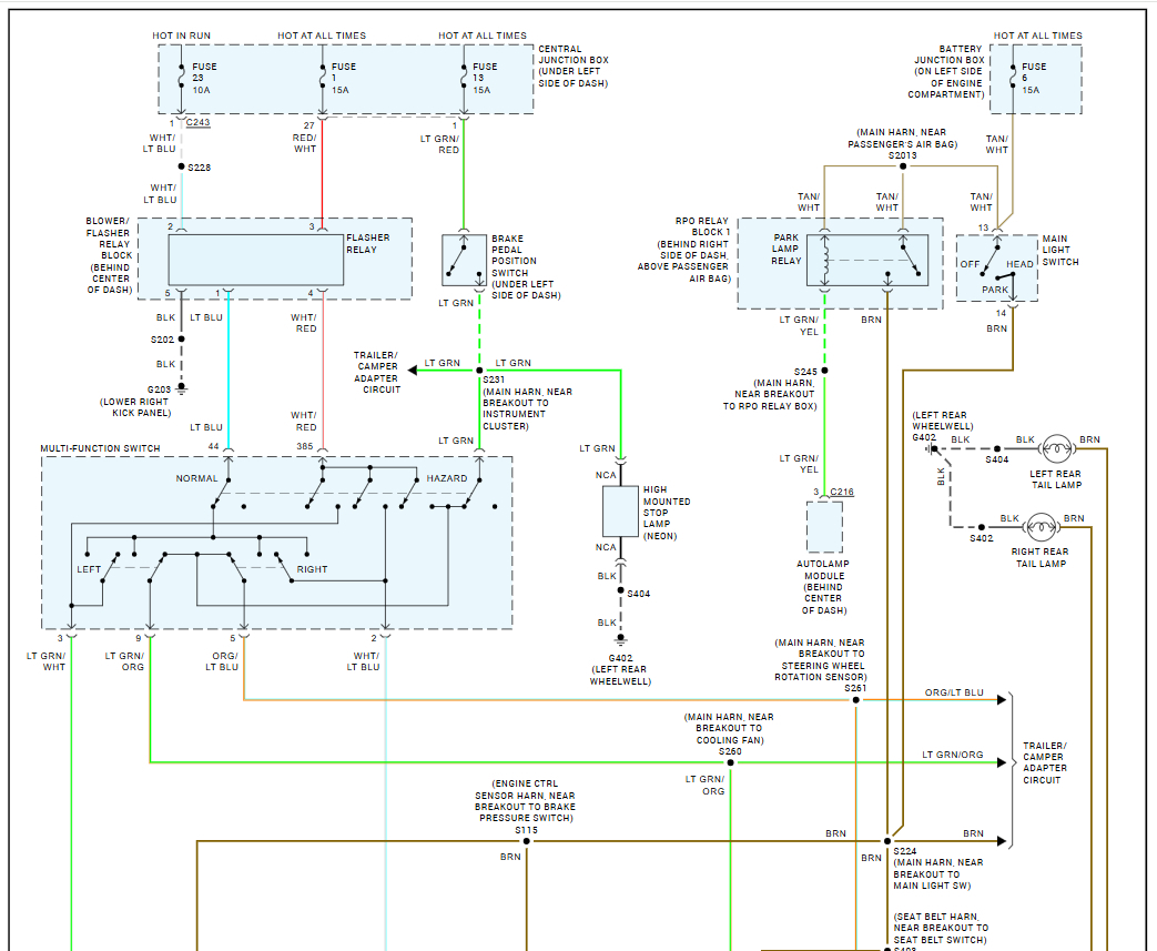
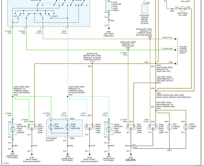
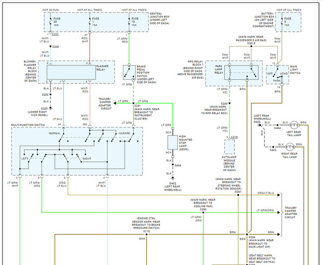
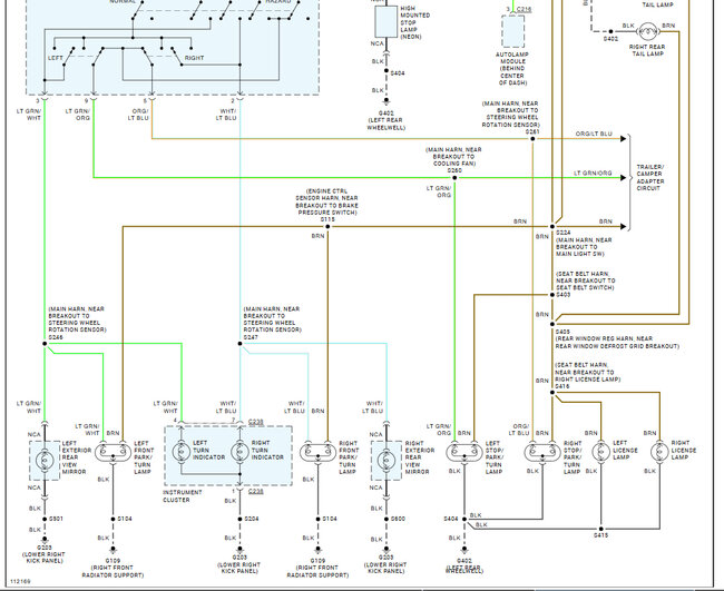
Okay, do you have power at the fuses # 23, #1 and #13 in the fuse panel inside the car, and fuse #6 in the fuse panel under the hood, this guide can help and I have included the blinker and hazard lights wiring diagram so you can see how the system works.

https://www.2carpros.com/articles/how-to-check-a-car-fuse

Turn the key on before testing for power on both sides of the fuses. Check out the images (below). Let us know how it goes.
Oct 29, 2024 at 10:33 AM
Avatar
STEVE GREENE
  • MEMBER
  • 5 POSTS
I know #1 and #6 has power but I can't get a reading on #13 and #23 but I may not be doing it right because I'm using a multimeter instead of a test light and I was checking the amperage going through the fuse. Thanks for all your help.
Oct 29, 2024 at 1:32 PM
Avatar
STRAILER
  • CERTIFIED EXPERT
  • 53,854 POSTS
These fuses need to be hot at all times, no need to check amperage, just voltage. Please try again.
Oct 30, 2024 at 9:23 AM
Avatar
STEVE GREENE
  • MEMBER
  • 5 POSTS
I have power on everything but #23.
Oct 30, 2024 at 10:56 AM
Avatar
STEVE GREENE
  • MEMBER
  • 5 POSTS
I have power on #1, #6, and #13 all the time and #23 has power with switch on.
Oct 30, 2024 at 11:05 AM
Avatar
STRAILER
  • CERTIFIED EXPERT
  • 53,854 POSTS
Okay, that is good. Let's use a test light and check the ltblu and wht/red wires for power coming out of the flasher relay and if so, put the test light connected to power and with the relay removed check the blk wire for ground.

https://www.2carpros.com/articles/how-to-use-a-test-light-circuit-tester


Please go over this guide and get back to us.
Oct 31, 2024 at 12:41 PM