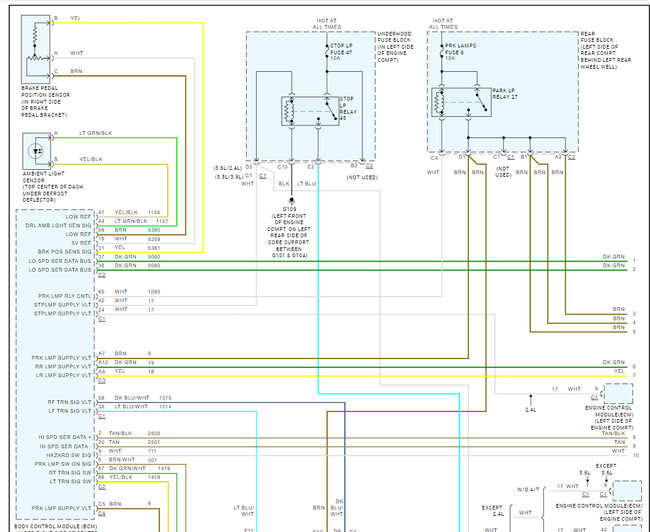
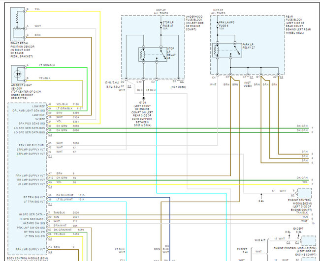
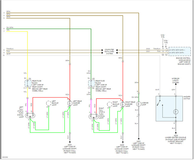
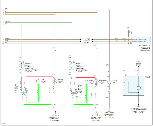
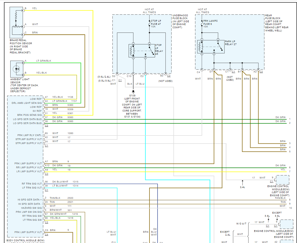
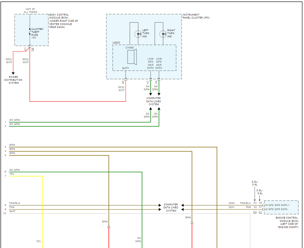
The 4 wires (yellow, brown, orange, and red) pulled out from the connection which has 1,2,3 and 4 on it. What color goes to what number connection?
Jul 13, 2024 at 12:52 PM





