Where is the turn signal relay located?

2007 CHEVROLET IMPALA
239,000 MILES • 3.5L • V6 • 2WD • AUTOMATIC
Avatar
ALBERT CRAWLEY
  • MEMBER
  • 5 POSTS
How do I find the turn signal relay?
Jun 27, 2025 at 6:32 AM
Advertisement
Avatar
STEVE W.
  • CERTIFIED EXPERT
  • 15,113 POSTS
You won't find one as that car doesn't have one. The turn signals are part of the body module. It controls them. The switch selects which side and the BCM does all the rest. What is the issue you are having?
Jun 27, 2025 at 8:49 AM
Avatar
ALBERT CRAWLEY
  • MEMBER
  • 5 POSTS
My signal lights are blinking fast and it's no lights are blown and when my headlights are on, they don't blink at all in the front.
Jun 27, 2025 at 9:45 AM
Advertisement
Avatar
STEVE W.
  • CERTIFIED EXPERT
  • 15,113 POSTS
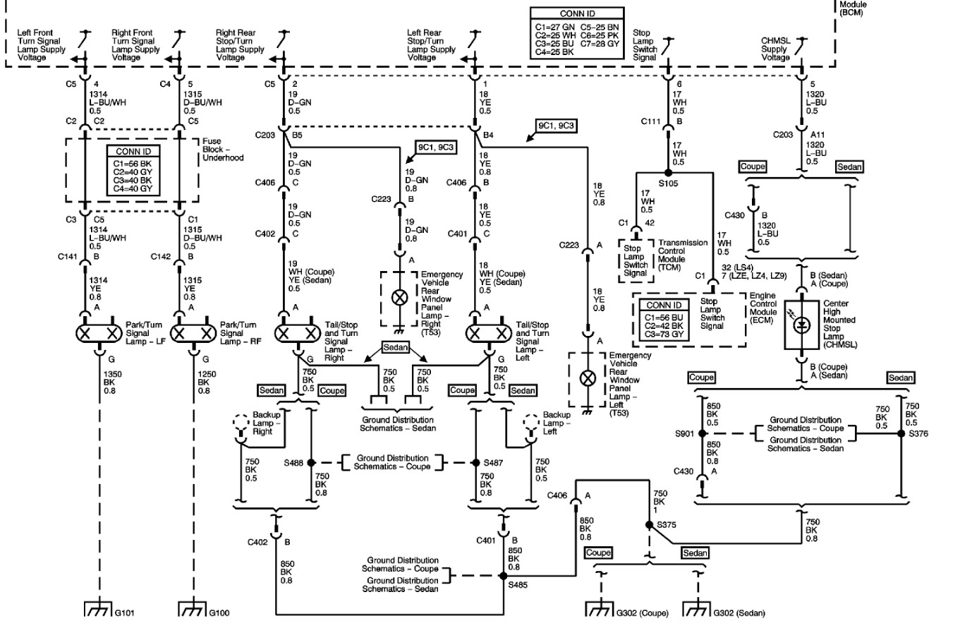
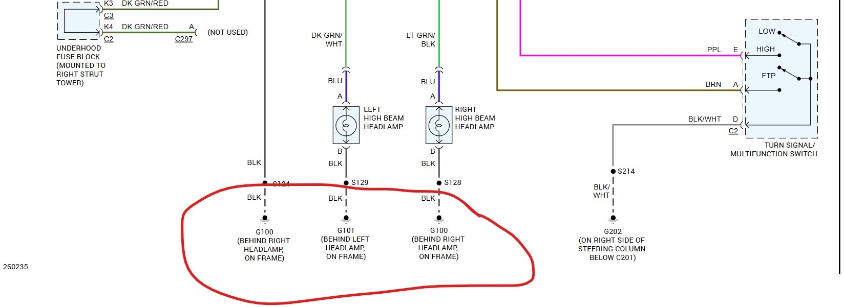
Okay, that sounds like it could be a bad ground. The front turn signals don't share a ground, but the rear lights all share a ground. I would try a test to see if that is the issue first. To do that I would remove one of the taillights like you would to replace a bulb. Now look at the wire that feeds it and select the Black wire. Strip a bit of the insulation back and use another piece of wire from that to a good ground. Try the lights now. If they work the ground is failing. That ground is on the A pillar at the base of the front door as shown. You could look at it first as well. They will rust from moisture and salt.
Jun 27, 2025 at 11:39 AM
Avatar
ALBERT CRAWLEY
  • MEMBER
  • 5 POSTS
Do by myself daytime running lights not working will make my signal lights mess up?
Jun 27, 2025 at 3:12 PM
Avatar
STEVE W.
  • CERTIFIED EXPERT
  • 15,113 POSTS
They shouldn't have an effect as they only use the same front grounds, if both the high and low headlights work normally then those grounds are okay. The DRLs have 2 fuses and a relay so you can check those and see if those are the reason the DRLs are out. Now if all the fuses and grounds test okay, the issue may be the body control module itself. They can fail in various ways, but I would check the grounds very well first.
Jun 27, 2025 at 3:50 PM
Avatar
ALBERT CRAWLEY
  • MEMBER
  • 5 POSTS
Can you send me a diagram of how to hook my lights up witch colors goes to which? because I got the passenger side single blinking normal with the headlights on but not the driver side.
Jun 28, 2025 at 6:44 AM
Avatar
ALBERT CRAWLEY
  • MEMBER
  • 5 POSTS
I did everything you told me to do, and everything looks good, but my signal lights don't blink when headlights are on.
Jun 28, 2025 at 2:12 PM
Avatar
STEVE W.
  • CERTIFIED EXPERT
  • 15,113 POSTS
Sounds like the body module may be the problem then. If the grounds are good that is the only item that would cause an issue like that. You could try a hard reset but I'm doubtful it would do anything, for that you just disconnect the battery for about 5 minutes, then reconnect and see if they now work. Because they turn on but don't flash and you checked the grounds that only leaves the BCM as a failure because it is the only item they have in common. Unless it has non-stock lights that are wrong internally. Replacing the BCM physically is easy, but you need a dealer level scan tool and a connection to the GM software to program the replacement. They are not plug and play.

Body Control Module Programming and Setup

A new body control module (BCM) must be programmed with the latest operating software and vehicle calibrations. Ensure that the following conditions exist in order to prepare for BCM programming:

The battery is fully charged.
The ignition switch is in the ON position.
The data link connector (DLC) is accessible.
All modules and devices are connected.

Important- The vehicle will not start, and many other functions may not operate properly if a replacement BCM is not properly set up. The following procedures must be completed.

1. Programming the BCM-From the Main Menu, select Service Programming System, then follow the instructions on the screen. Refer to Service Programming System (SPS) for more information.
2. BPP Sensor calibration-Refer to Brake Pedal Position Sensor Calibration
3. Learning the restraints ID-Navigate on the Tech 2 to Vehicle Control Systems > Module Setup > Body Control Module > Setup SDM Primary Key in BCM, then follow the instructions on the screen.

After any programming or setup, perform the following to avoid future misdiagnosis:

1. Turn the ignition OFF for 10 seconds.
2. Connect the scan tool to the data link connector.
3. Turn the ignition ON, with the engine OFF.
4. Use the scan tool in order to retrieve history DTCs from all modules.
5. Clear all history DTCs.
Jun 28, 2025 at 6:27 PM