When selecting the left turn signal the hazards turn on?

1997 FORD F-250
250,000 MILES • 7.3L • V8 • TURBO • 2WD • AUTOMATIC
Avatar
WYKAAEROTECH
  • MEMBER
  • 1 POST
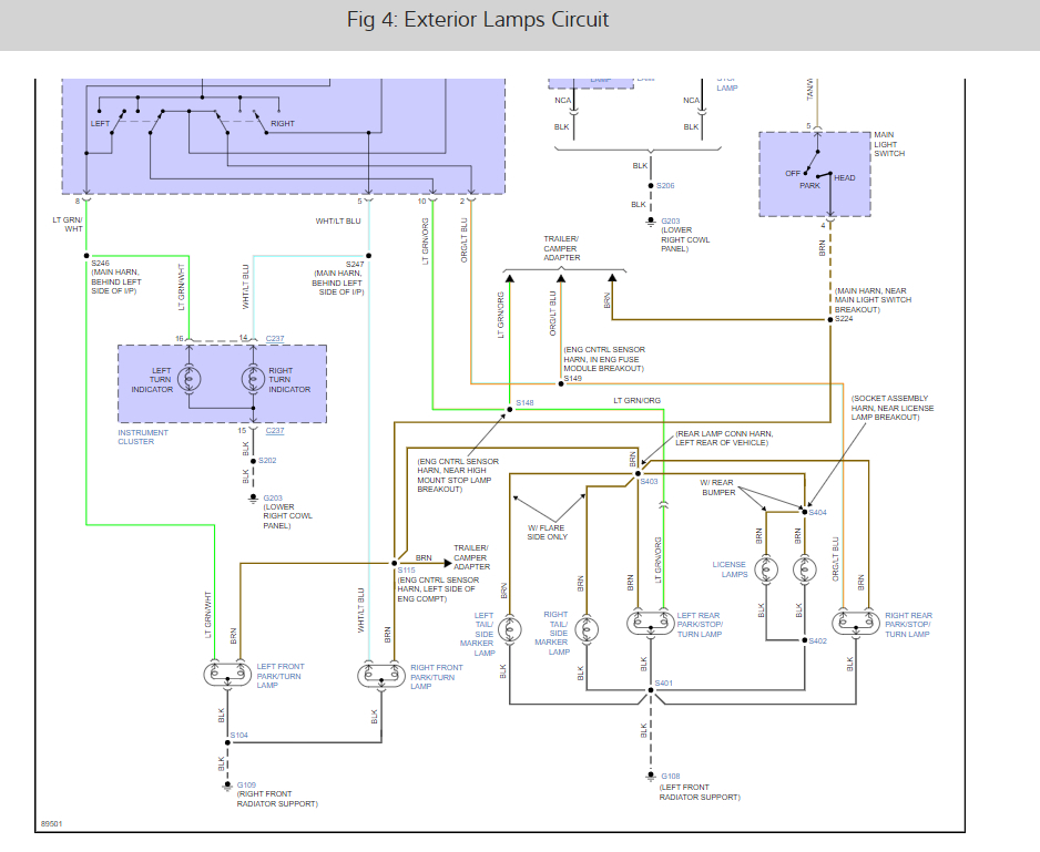
When selecting the left turn signal the hazards come on. When you hit the brakes in this position all lights stop flashing, releasing brakes hazards come on again. Switching it off turns all lights off as it should. All other light functions operate normally (selecting right turn signal, hazards, high beams etc.). I have changed both flasher relays and the multifunction lever switch.
Aug 16, 2022 at 12:04 PM
Advertisement
Avatar
STRAILER
  • CERTIFIED EXPERT
  • 53,854 POSTS
It sounds like a ground is off or the multifunction switch is bad. To be sure, here are the wiring diagrams for the blinkers and ground location so you can check it out:

https://www.2carpros.com/articles/how-to-use-a-test-light-circuit-tester

Also, if you have a trailer wiring lead check that as well. The wiring diagrams will show you the ground wire locations. Check out the diagrams (below). Please let us know what you find. We are interested to see what it is.

Aug 17, 2022 at 10:14 AM