Turn signal not working?

2000 LINCOLN LS
173,407 MILES
Avatar
READY80
  • MEMBER
  • 1 POST
Need schematics on the vehicle listed above LS fuse boxes location.
Jan 12, 2023 at 11:27 AM
Advertisement
Avatar
STRAILER
  • CERTIFIED EXPERT
  • 53,854 POSTS
Sure, here are the locations of the fuses and I have included a guide on how to test the fuse and to check it for power:

https://www.2carpros.com/articles/how-to-check-a-car-fuse

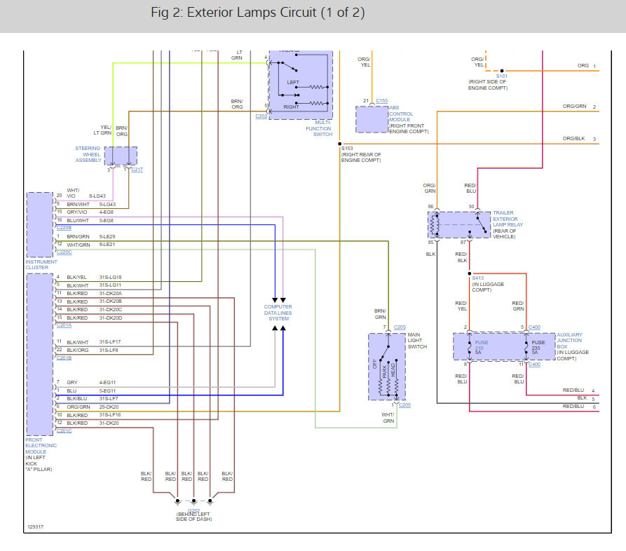
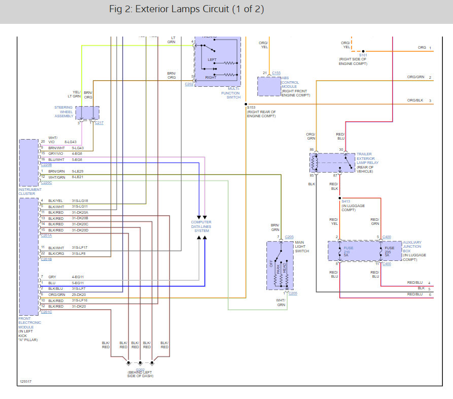
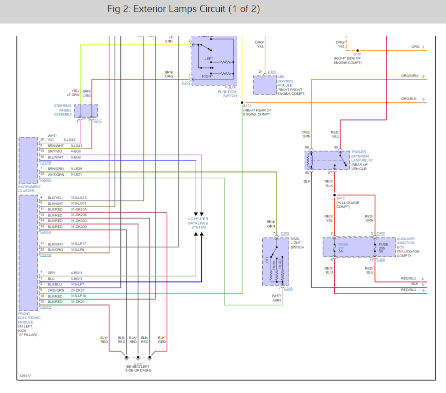
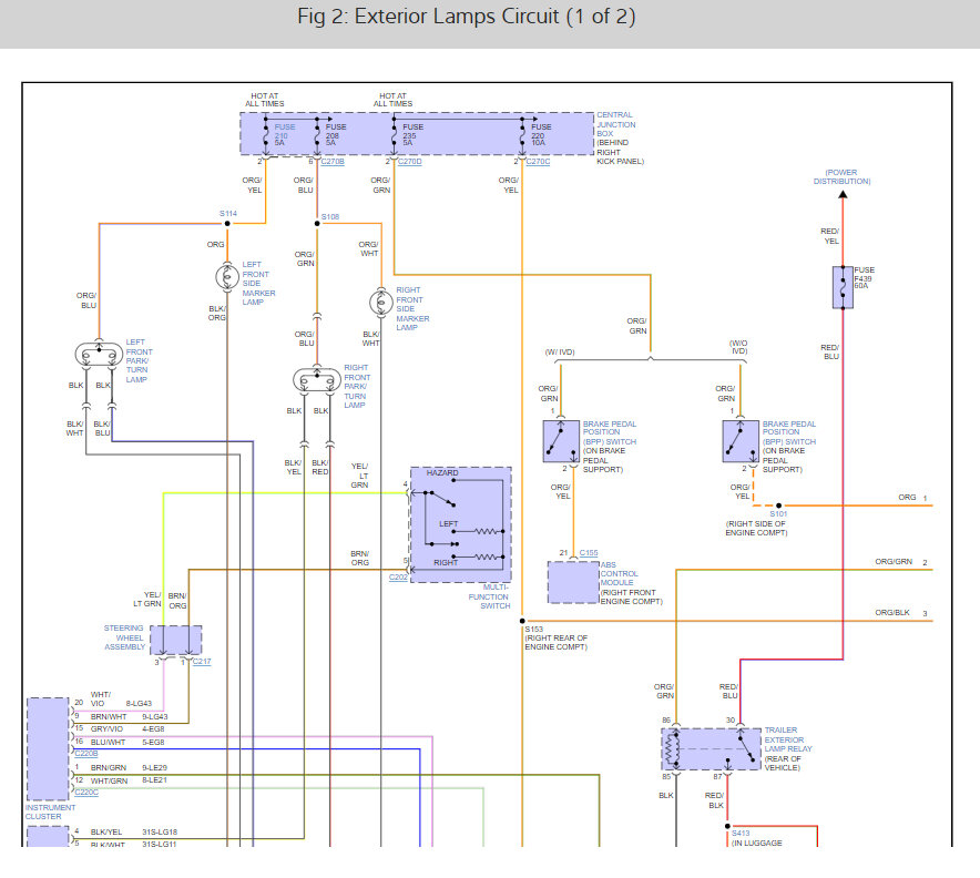
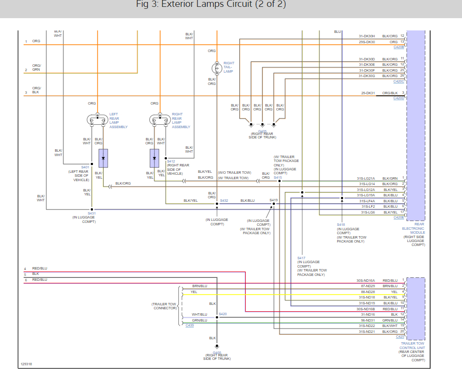
I also have included the exterior lighting wiring diagrams so you can see which fuses to check and how the system works.

This guide can help as well:

https://www.2carpros.com/articles/turn-signals-not-working-blinker

Check out the images (below). Let us know what happens and please upload pictures or videos of the problem.


Jan 13, 2023 at 10:42 AM