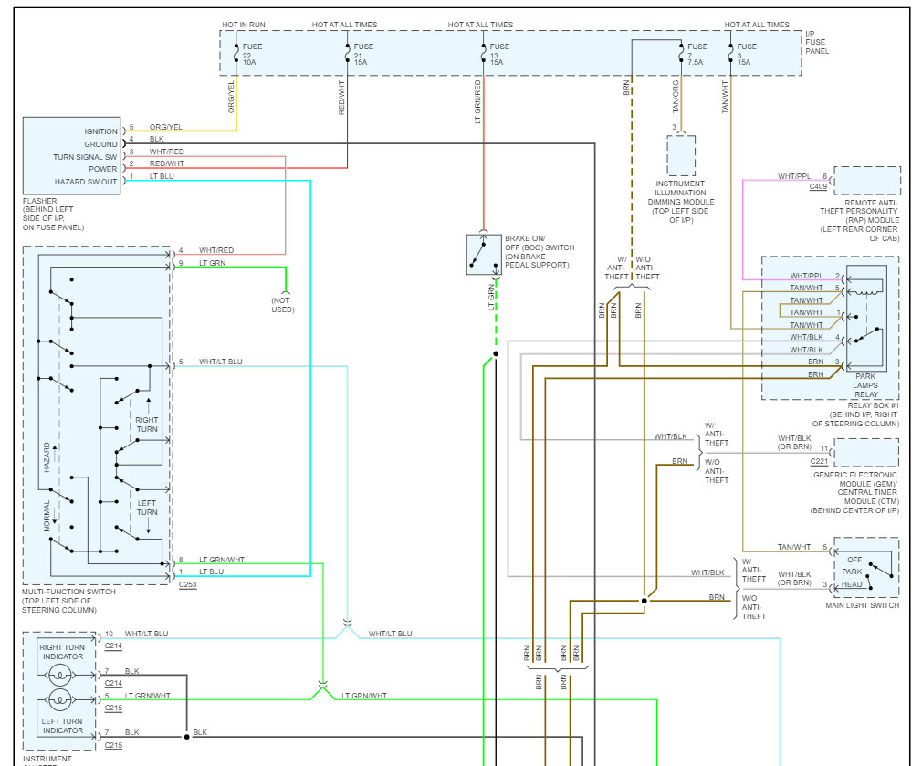
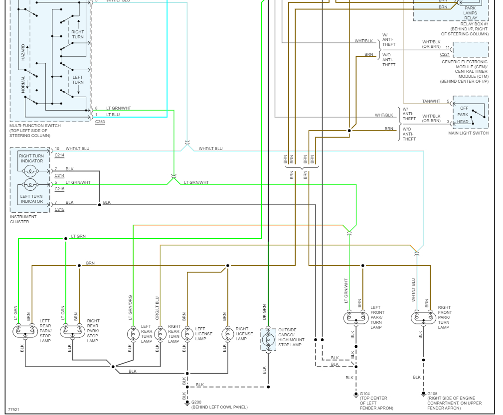
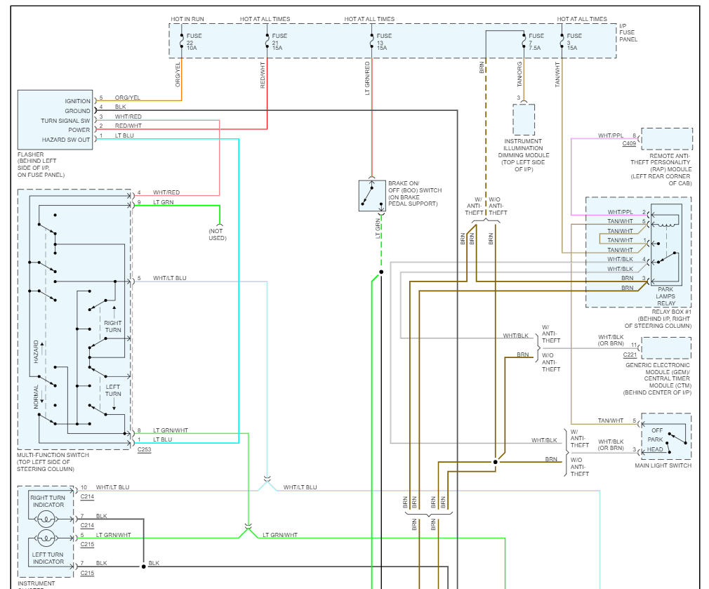
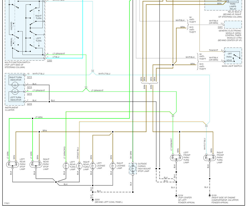
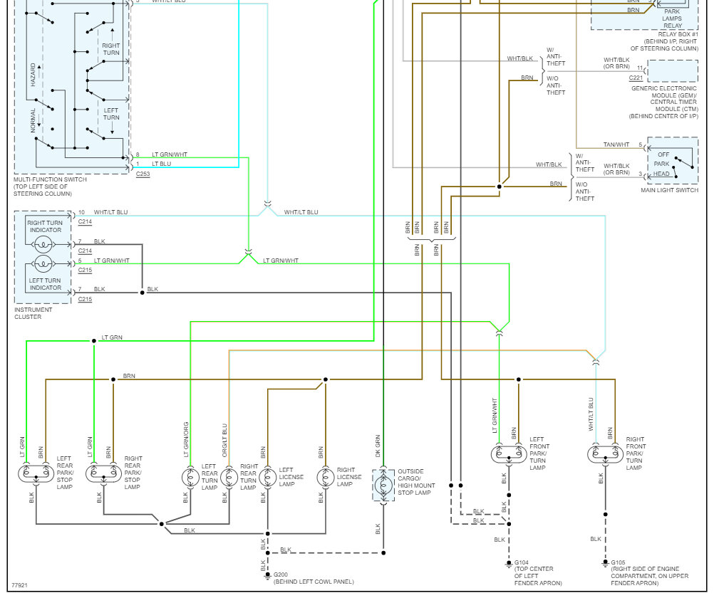
My truck listed above XLT model, standard cab, the right rear turn signal went out. i replaced the bulb and all fuses and it started to work properly, then i went for a drive and it stopped working again and blinking fast. I've checked the connectors and wiring and everything seems fine i don't know what else it could be.
Aug 19, 2023 at 7:01 AM

