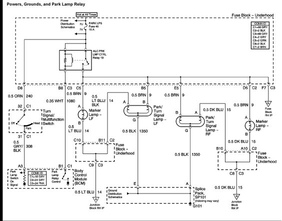
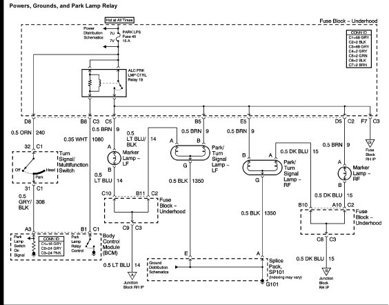
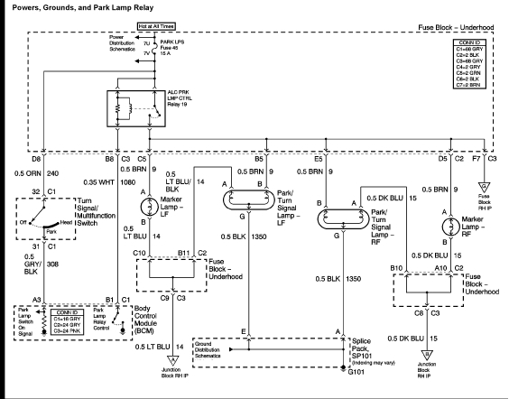
My turn signals only work on an intermittent basis. if the car sits over night i try to use them in the morning, i get my hazards on. after work i start the car my service engine soon light comes on the turn signals work normally. so unless that service engine light is on the signals work as my hazards whether i push the switch up or down. I have replaced the hazard switch and turn signal switch as i know they hazard switch runs both. i also replaced the turn signal bulbs and reset the ECM. I know it is a strange one if you have any ideas i would greatly appreciate the help.
Thanks,
Paul
Thanks,
Paul
Dec 4, 2017 at 11:01 AM
