Turn signal/hazards not working

2002 JEEP WAGONEER
104,000 MILES • 4.1L • 6 CYL • 4WD • AUTOMATIC
Avatar
STEVENSONS00
  • MEMBER
  • 3 POSTS
My turn signals began to freeze after about 15 flashes. I replaced the turn signal relay. When I did it worked for about 2 minutes and then it made a weird whining sound and I thought I smelled a faint hint of burning. I found out I had installed a relay that was not for a Wrangler but for a Cherokee. I purchased a correct relay installed and nothing. I've changed out all the 10 amp fuses behind the glove box as well as the multi-function switch. I still have no blinkers nor hazards. The lights work, high-beams work, interior doom light works. I am not sure what to do from here.
Oct 1, 2020 at 11:49 AM
Advertisement
Avatar
KASEKENNY
  • CERTIFIED EXPERT
  • 18,907 POSTS
If you already changed out the multifunction switch then we need to chase a wiring issue. We need to check voltage coming out of the multi function switch and see what is there. I assume you will have it there so at that point we need to find where the voltage is not. The smell that you had is most likely a short that has fried some wiring and we just need to find it or run new wiring from where we have voltage to where each goes.

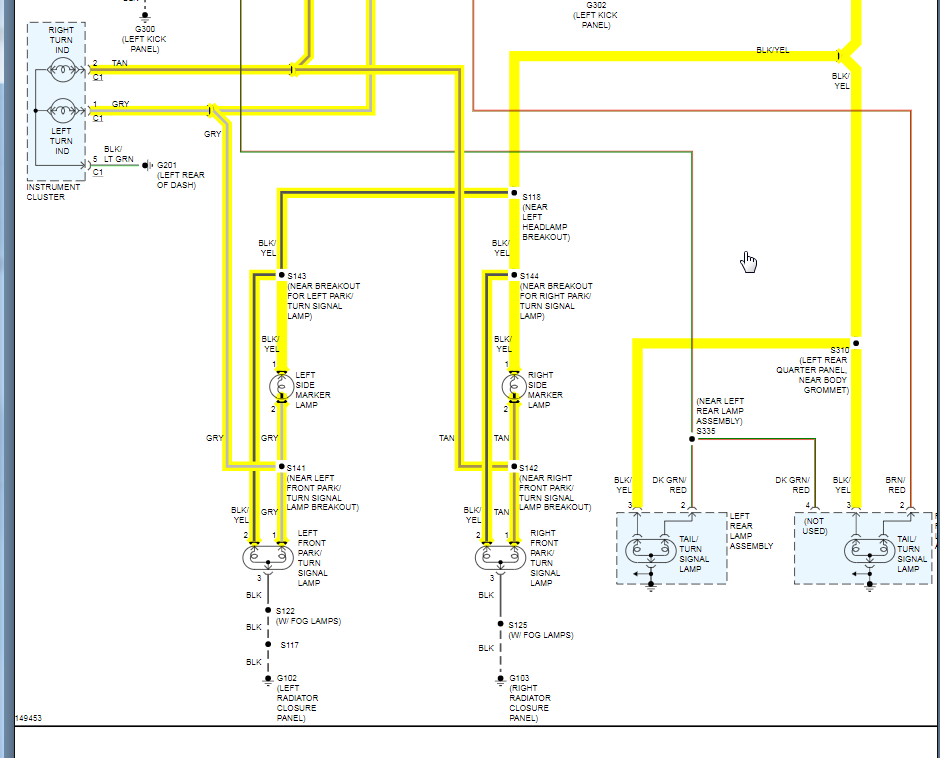
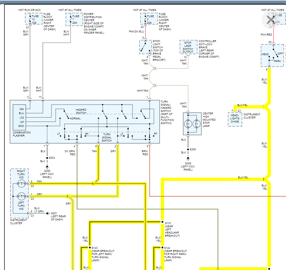
Take a look at this diagram and let me know what you find. Thanks
Oct 1, 2020 at 5:55 PM
Avatar
STEVENSONS00
  • MEMBER
  • 3 POSTS
First thank you for your reply. What is the best method to check for voltage? I assume I need a meter of some type. I have never done this type of diagnosis before so any additional guidance would be great.
In addition to what I described above I also found out that my brake lights don’t work when the brake is depressed, just the horizontal light above the spare tire. The rear lights work when I turn on the lights however.
Oct 1, 2020 at 6:29 PM
Advertisement
Avatar
KASEKENNY
  • CERTIFIED EXPERT
  • 18,907 POSTS
Okay. Yes, we are going to need to use a meter. Here are some guides that will help with that:

https://www.2carpros.com/articles/how-to-check-wiring

https://www.2carpros.com/articles/how-to-use-a-voltmeter

We can try to work through this but you are attempting the hardest diagnosis on a vehicle. Electrical is pretty difficult to do as it is working in tight spaces and small wires, but also if we don't do take a reading the right way, it will send us down the wrong path and can cause a lot of frustration and waste a lot of time.

The fact that the tail lights don't work either points even more to a wiring issue. As you can see on the wiring diagram, there are quite a lot of splices and I suspect we have an issue prior to S118.

Let me know what questions you have and we can start working through this.
Oct 1, 2020 at 7:13 PM
Avatar
STEVENSONS00
  • MEMBER
  • 3 POSTS
I did some further reading and I discovered that there is a 40 amp fuse for the multi-function switch in the hood compartment fuse box. When I went to the parts store to buy a multi-meter I picked one up. I had looked at that fuse box but didn’t realize that MFSW was the abbreviation, so when I saw it it didn’t mean anything to me. As soon as I replaced it the hazards started blinking. I tried to load test the system as well. Applying brake and hazard and then blinkers to make sure the system could hold and it did.
I want to thank you for your help.
Hope you stay safe and healthy!
Oct 2, 2020 at 6:16 AM
Avatar
KASEKENNY
  • CERTIFIED EXPERT
  • 18,907 POSTS
Sounds great. Thanks for the information and I am glad you got it figured out. Come back in the future if you need more help.
Oct 2, 2020 at 6:28 PM