Turn signal and hazard lights not working, where is the relay switch located?

2001 SATURN L200
160,000 MILES • 4 CYL • 2WD • AUTOMATIC
Avatar
GERALD WATLINGTON
  • MEMBER
  • 1 POST
I bought a relay switch but can't find the relay switch location to replace it.
Aug 24, 2024 at 2:32 PM
Advertisement
Avatar
STRAILER
  • CERTIFIED EXPERT
  • 53,854 POSTS
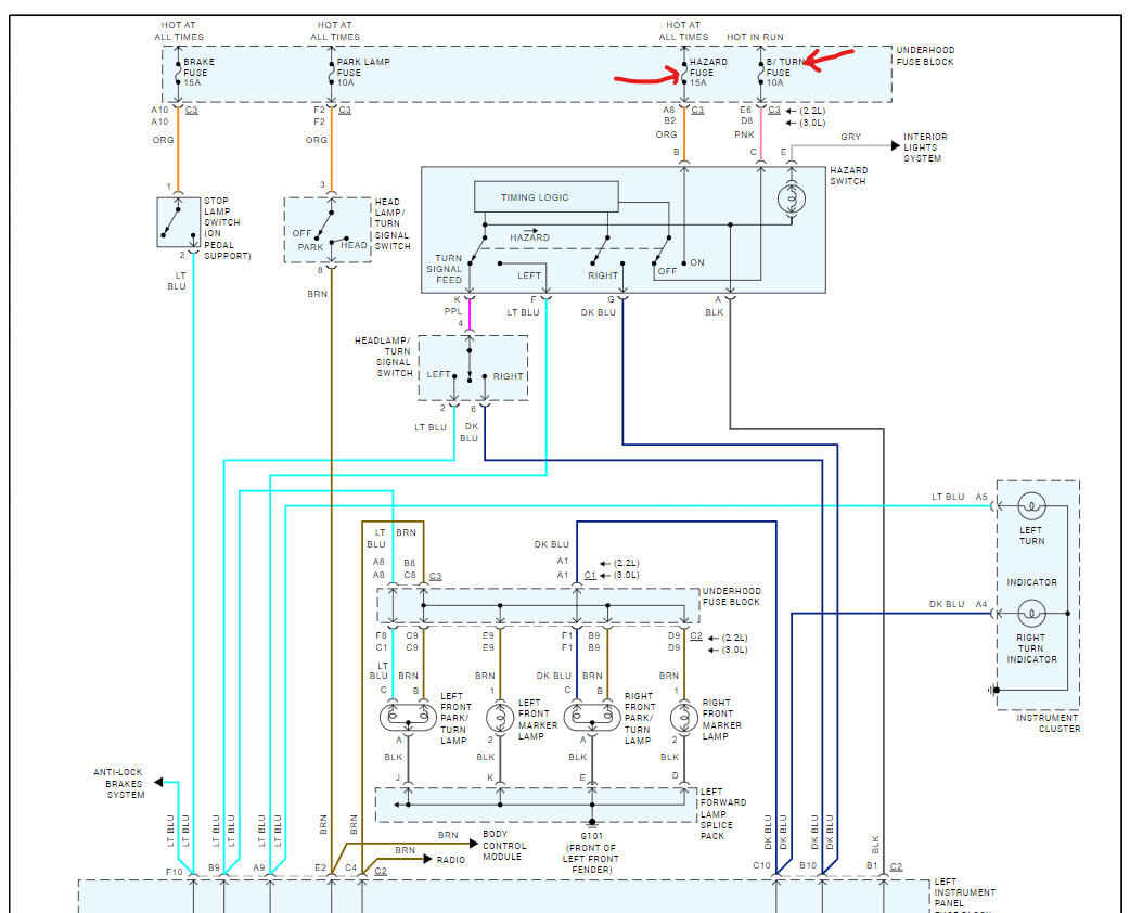
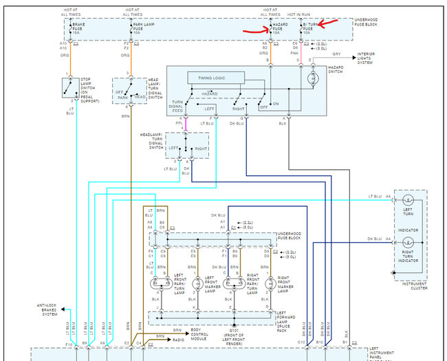
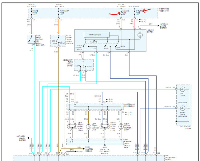
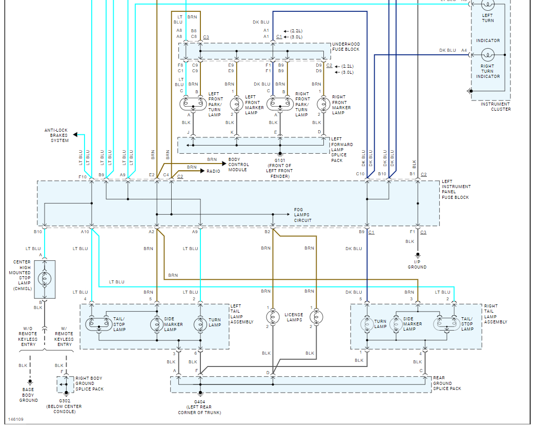
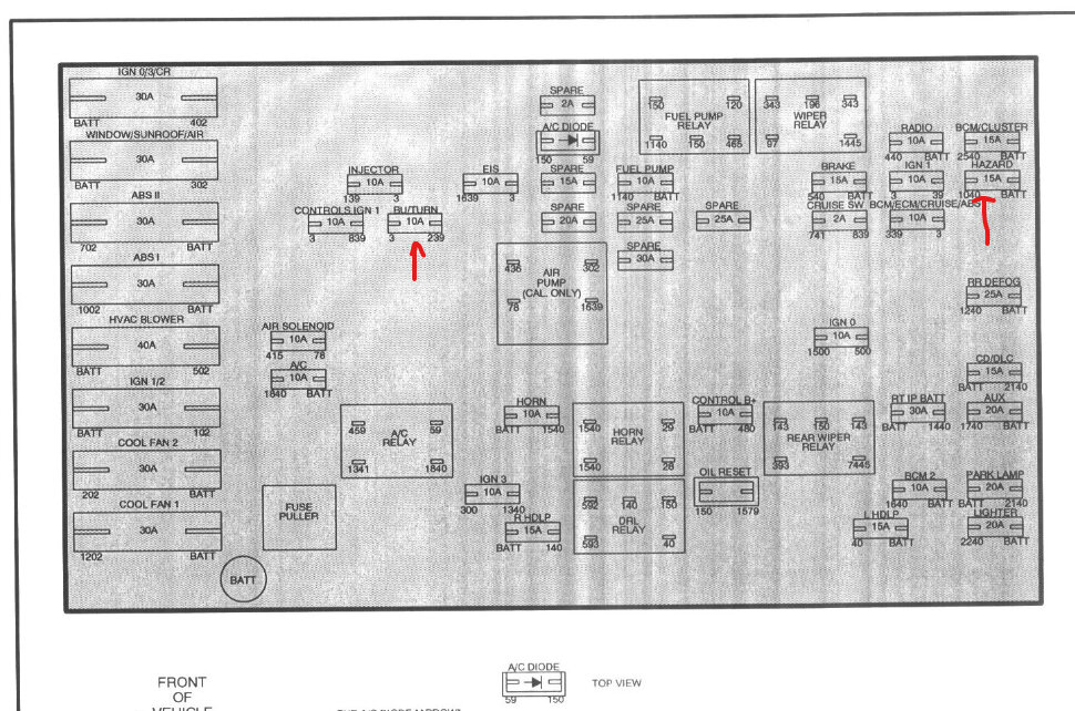
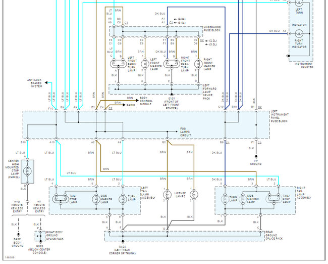
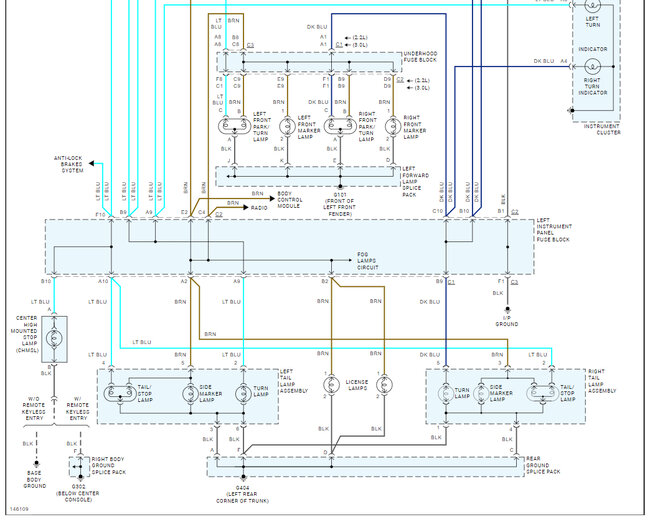
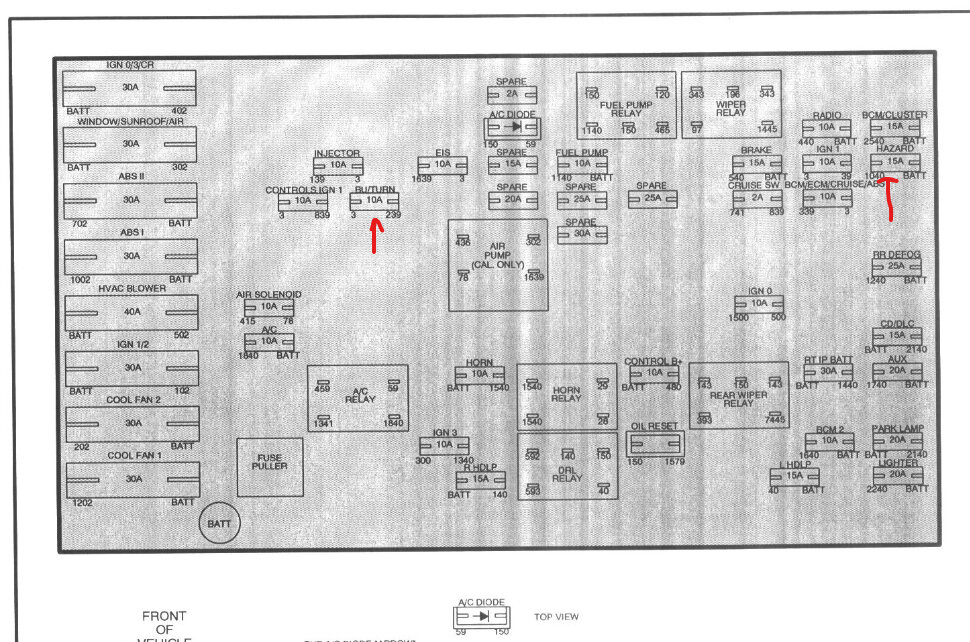
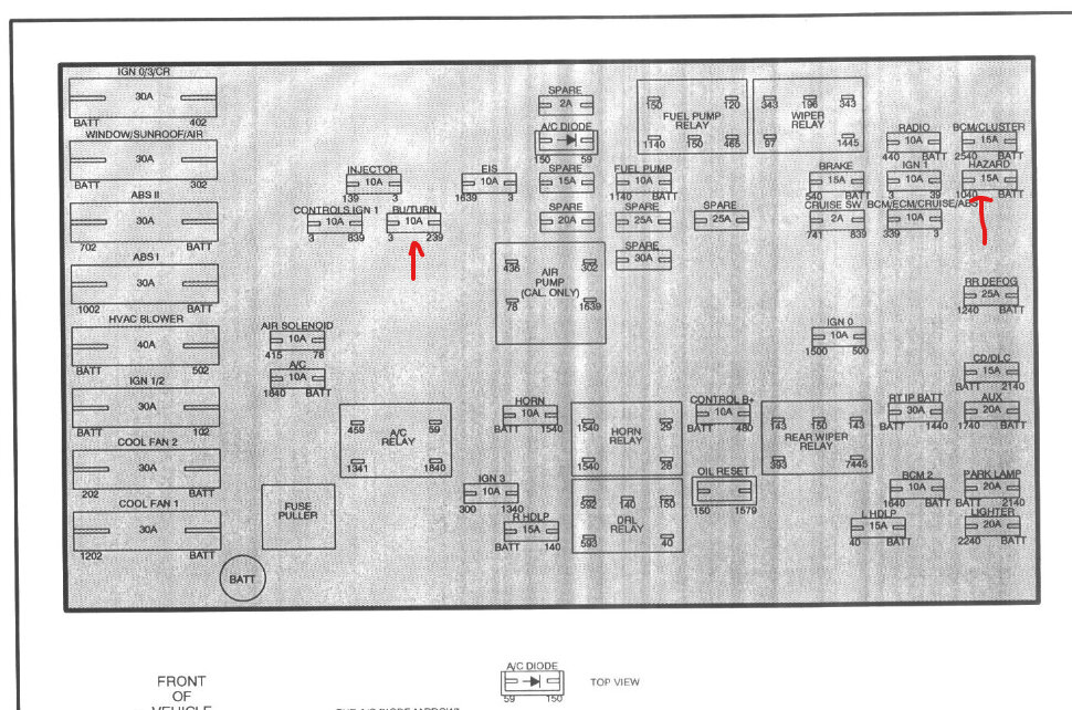
The logic for the hazard and blinker is inside the hazard switch so that will need to be replaced, but there are two fuses I would check first, here is a guide to help and I have included the blinker and hazard wiring diagrams so you can see which fuse (i marked) to check.

https://www.2carpros.com/articles/how-to-check-a-car-fuse

Check out the images (below). Please let us know what happens.
Aug 24, 2024 at 6:53 PM