Where is the turn signal flasher relay located?

2014 NISSAN PATHFINDER
75,000 MILES • 3.5L • V6 • 4WD • AUTOMATIC
Avatar
SHANESTODDARD3
  • MEMBER
  • 1 POST
i cannot find the turn signal flasher relay.
Nov 21, 2022 at 1:38 PM
Advertisement
Avatar
JACOBANDNICKOLAS
  • CERTIFIED EXPERT
  • 110,175 POSTS
Hi,

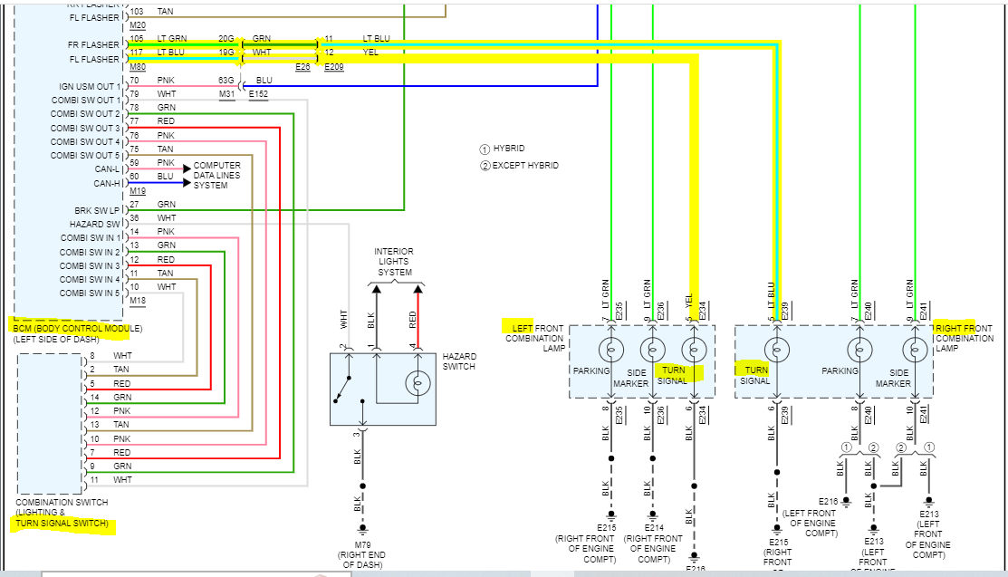
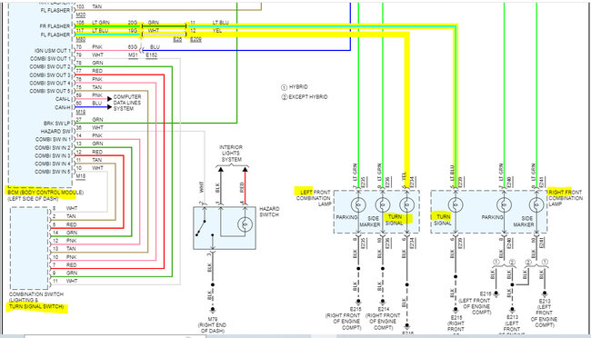
This vehicle doesn't have a traditional signal flasher. The signals are controlled by the body control module.

I attached a pic below showing the power distribution for the front lamps only. Note that when the signal switch is used, a signal is sent to the body control module. From there, the module actuates the signals.

Let me know what is happening and if the hazards are working properly.

Take care,

Joe

See pic below.
Nov 22, 2022 at 7:48 PM