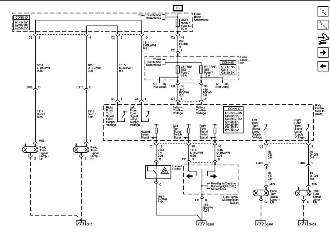
Yeah it's one of those "great innovations" that isn't. Lets add more to the electronics because this 5 dollar flasher that has worked for years is just old and we want new.
Sadly it's a common thing these days. On the fuses, fuse 7 is shown twice but it powers both signals, the power is split to the different circuits. On another diagram there is a fuse 11 at 15 amp shown as feeding the right side but notes from other mechanics say that fuse actually powers the hazard lights through the BCM and 15 amps would be about right for double the load.
The BCM on those is not a drop in part. They need to be programmed through the online data link and have the restraints initialized and the antitheft programmed. Most times they won't even run without being programmed. These are programmed through GM Tech2 tools with the correct interface box. Those are getting hard to find these days. You might be able to find one that is programmed to your vehicle online, there are places that can do that. Or if you have the tools you can do it.
Mar 21, 2021 at 2:13 PM