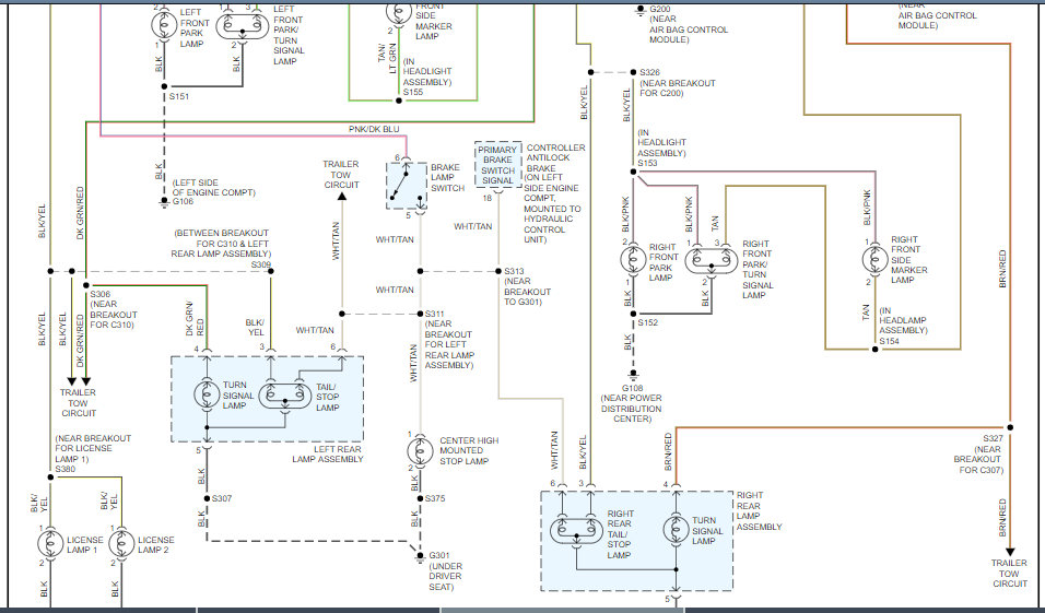
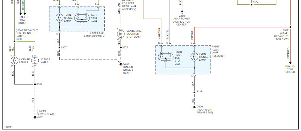
turn signal switch diagram needed

2003 JEEP GRAND CHEROKEE
250,000 MILES • 4.0L • V6 • 2WD • AUTOMATIC
Avatar
SKOOTER24
  • MEMBER
  • 275 POSTS
Turn signal and head lamp problems.
Sep 27, 2020 at 4:05 PM
Advertisement
Avatar
DANNY L
  • CERTIFIED EXPERT
  • 5,648 POSTS
Hello again.

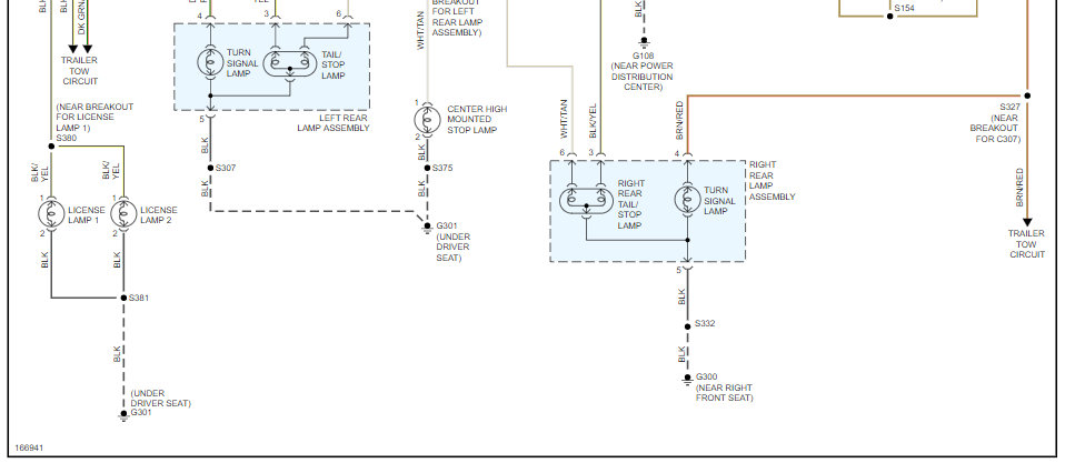
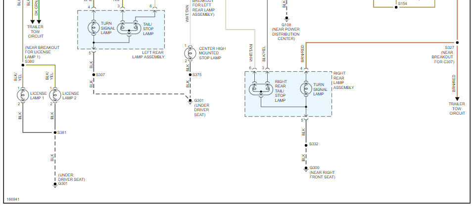
I blew up the picture up as large as I could to fit in the frame and attached below again. Hope you can view so let me know. I could maybe quarter it next time if you still can't view. Hope this helps and thanks again for using 2CarPros.

Danny-
Mar 29, 2021 at 12:21 PM
Avatar
SKOOTER24
  • MEMBER
  • 275 POSTS
I can see those a lot better. so if I'm having trouble with headlights and the turn signal switch how would I go about it put a new turn signal in? didn't do anything and checked the wires in the back only thing I can think of is a break in wires, but why would that not pop up on the dash though? like it's not doing anything .
Mar 29, 2021 at 12:21 PM
Advertisement
Avatar
DANNY L
  • CERTIFIED EXPERT
  • 5,648 POSTS
Hello again.

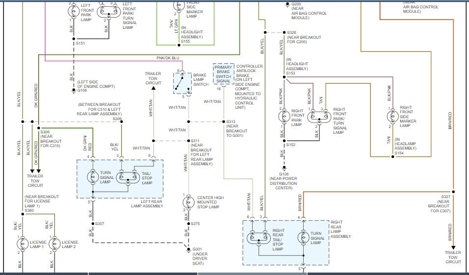
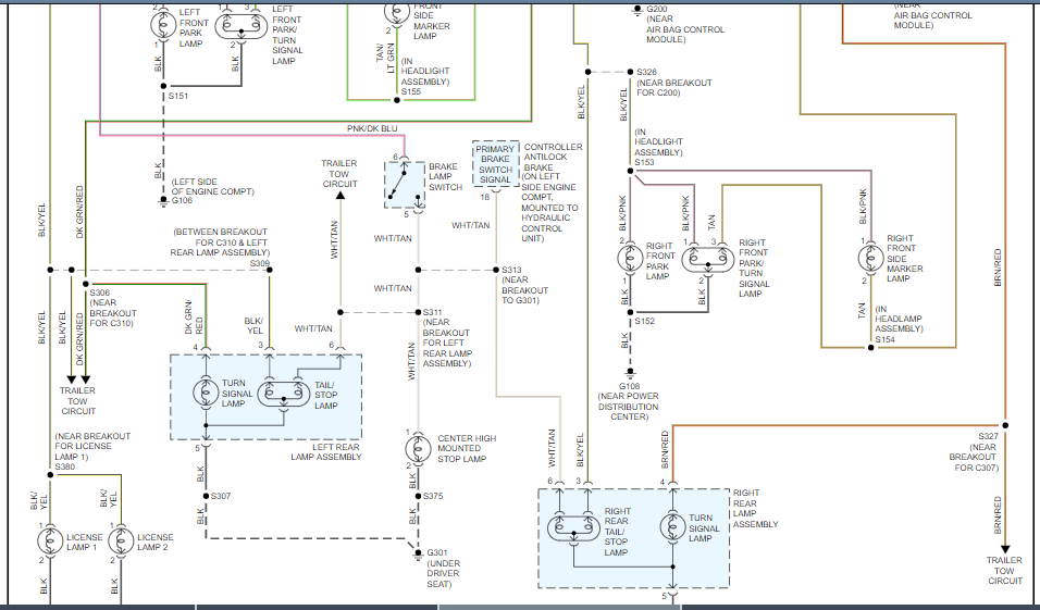
Yes, it is possible you can have an open circuit in a wire or wires causing that symptom. I've attached the replacement picture steps you've requested below for the multi-function switch. Hope this helps and thanks again for using 2CarPros.

Danny-
Mar 29, 2021 at 12:21 PM
Avatar
SKOOTER24
  • MEMBER
  • 275 POSTS
Power distribution box ??
Mar 29, 2021 at 12:21 PM
Avatar
SKOOTER24
  • MEMBER
  • 275 POSTS
Can that cause the problem?
Mar 29, 2021 at 12:21 PM
Avatar
DANNY L
  • CERTIFIED EXPERT
  • 5,648 POSTS
Hello again.

You never specified the problem with the turn signals and headlights. What are the symptoms with both? Get back to us and we'll go from there. Thanks again for using 2CarPros.

Danny-
Mar 29, 2021 at 12:21 PM
Avatar
SKOOTER24
  • MEMBER
  • 275 POSTS
It was a bad box somehow it caused the turn signal and headlights not to work.
Mar 29, 2021 at 12:21 PM
Avatar
DANNY L
  • CERTIFIED EXPERT
  • 5,648 POSTS
Hello again.

Did you replace the power distribution box and the problem was solved?
Keep us updated and thanks again for using 2CarPros.

Danny-
Mar 29, 2021 at 12:21 PM
Avatar
SKOOTER24
  • MEMBER
  • 275 POSTS
Yes it was fixed, but how does that happen.
Mar 29, 2021 at 12:21 PM
Avatar
STEVE W.
  • CERTIFIED EXPERT
  • 15,113 POSTS
That happens because there are various control components and buss bars inside the distribution box. They route the power to the various items and have some control over items by using circuit board mounted relays and transistors to do switching being controlled by processors inside the box. They can fail or get corroded internally and suddenly things stop working. On some vehicles it is even worse, to the point that the power controller has one small item fail and now the horn doesn't work, or the right hand high beam or the left rear turn signal. The attached images are what is inside many modern "fuse boxes" these days as companies work to make assembling cars faster as they add on more and more options.
Mar 29, 2021 at 12:21 PM
Avatar
SKOOTER24
  • MEMBER
  • 275 POSTS
They just ruining cars soon you want be able to even fix a car you'll just have to buy a new one.
Mar 29, 2021 at 12:21 PM
Avatar
DANNY L
  • CERTIFIED EXPERT
  • 5,648 POSTS
Hello again.

Yep, welcome to so many electronic systems and components just waiting to fail. Glad to hear you were able to fix the problem. Hope you will use our site again in the future. Thanks again for using 2CarPros.

Danny-
Mar 29, 2021 at 12:21 PM