Hey JEUBANK1,
If the turn signal lever will not move then you have a faulty signal lever and it will need replacing.
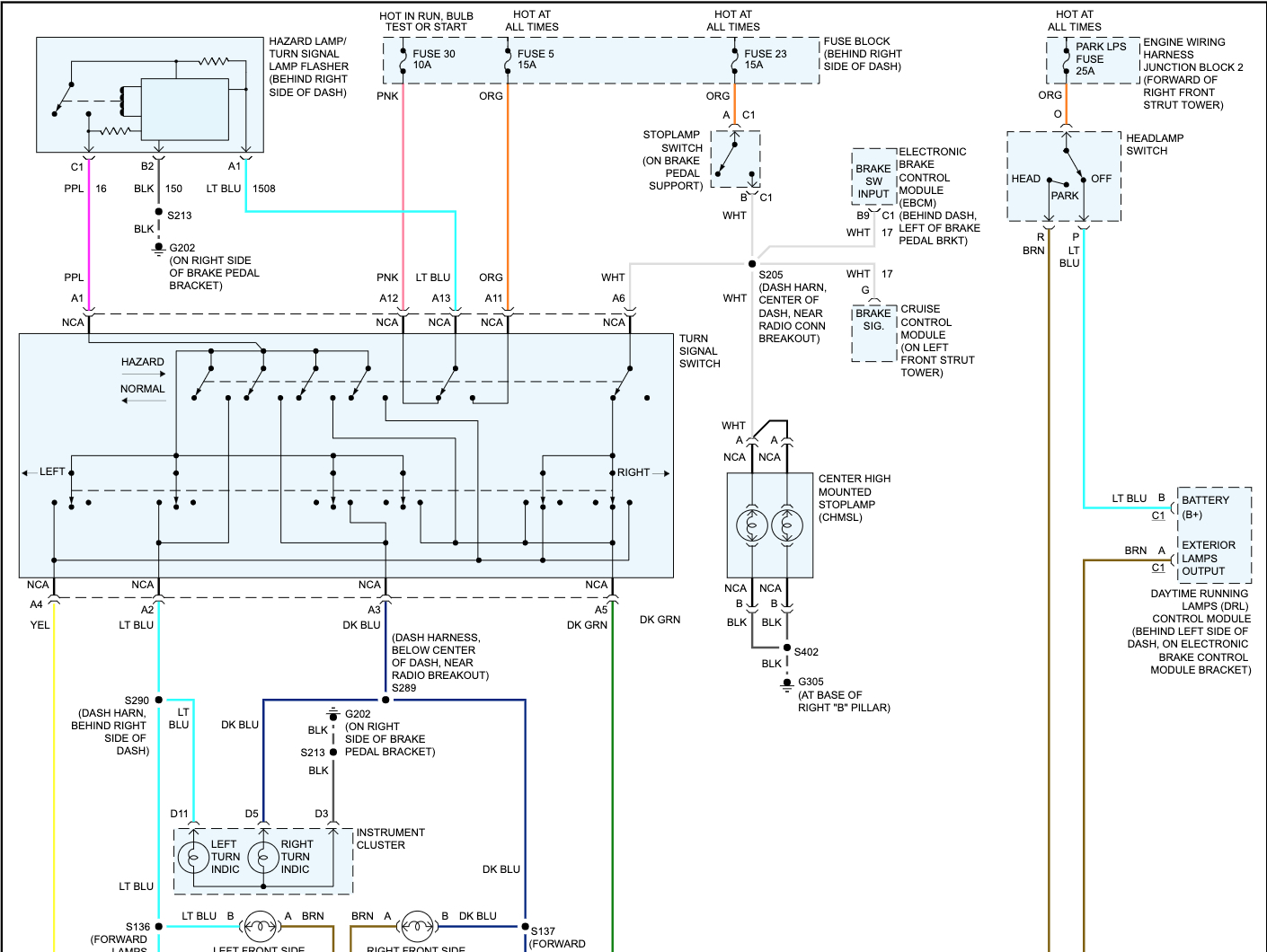
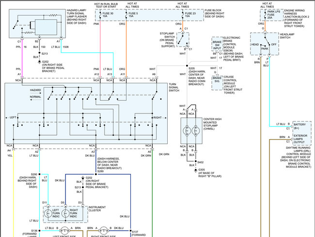
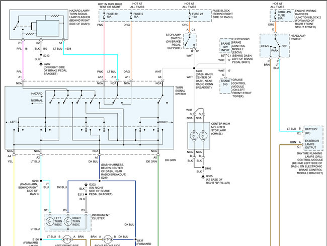
The signal to the brake lights goes through this switch so it may be causing both of your issues.
Please see the wiring diagram attached.
I have also included the instruction for replacing the turn signal switch.
Regards, Joe
Images (Click to enlarge)
Feb 17, 2020 at 2:01 PM