Turn signal and blower motor not working

1999 FORD CONTOUR
125,000 MILES • 2.5L • V6 • 2WD • AUTOMATIC
Avatar
JUSTIN DEAN JOHNSON
  • MEMBER
  • 2 POSTS
Do not have any turn signals blower motor does not work, as soon as I turn the key the fuse pops. I put a new fuse in turn the key on fuse pops. I have had this to three mechanics. I do not know what to do can somebody help? I do not have any heat and I need my turn signals because I drive at night. thank you
Apr 9, 2018 at 1:21 AM
Advertisement
Avatar
PATENTED_REPAIR_PRO
  • CERTIFIED EXPERT
  • 1,853 POSTS
Which fuse keeps popping?
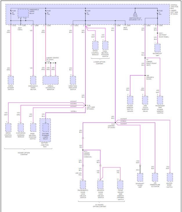
Fuse #23 in the central junction box, under left side of dash?
I assume that is it, here is the wiring diagram showing all that fuse feeds, start by removing the heater blower relay in the CJB and see if that fuse stops blowing, if not you are going to have to start disconnecting all of those items that that fuse feeds to find out which circuit it is to begin.
Or if you do not want to continue to replace the blown fuse, install an ammeter into the empty fuse #23 socket and then disconnect those items, until the ammeter drops safely below 15a, with the key on run/engine off.
Apr 9, 2018 at 8:18 AM