Turn signal not working

2002 CHEVROLET SILVERADO
265,000 MILES • V8 • 2WD • AUTOMATIC
Avatar
IZZIE HAIGLER
  • MEMBER
  • 1 POST
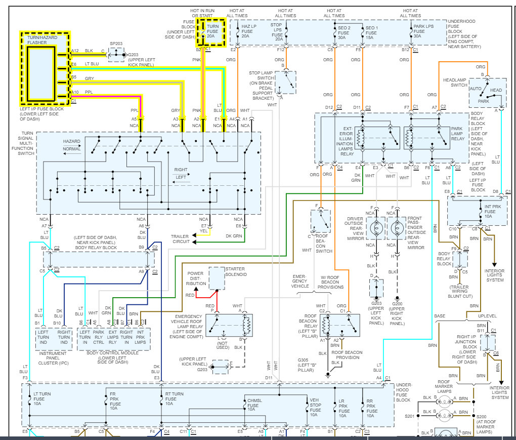
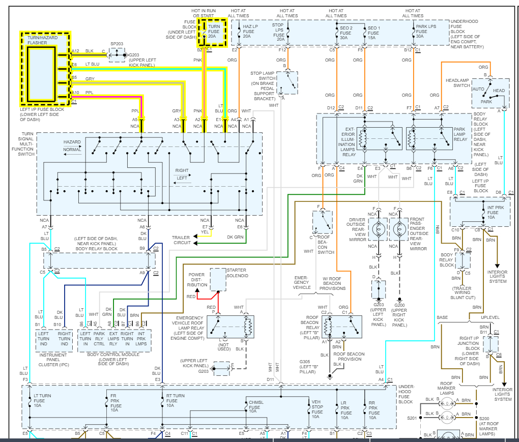
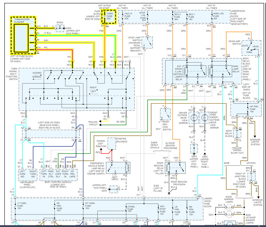
Our turn signals won’t work, they have power. fuses working but we can’t get them to work and don’t know the issue we have been trying for the last year to figure it out but I’m not sure.
Dec 16, 2021 at 3:46 PM
Advertisement
Avatar
ASEMASTER6371
  • CERTIFIED EXPERT
  • 52,796 POSTS
Good evening,

I attached the supply for the turn signals for you to view. Check the fuse I circled for power on both sides.

https://www.2carpros.com/articles/how-to-check-a-car-fuse

https://www.2carpros.com/articles/how-to-check-wiring

If it is good, you need to go to the switch and verify power from that wire to the switch.

Roy
Dec 16, 2021 at 4:13 PM