my rear turn signals are not working, can I get the wiring diagram?

2005 SUBARU BAJA
150,000 MILES • MANUAL
Avatar
DOLLABILL25
  • MEMBER
  • 44 POSTS
I've checked all fuses all relays and all of my bulbs are fine. I was just wondering the wiring diagram for my turn signals and the rear plug pinout that my turn signals plug into please. thank you
Oct 31, 2023 at 11:39 AM
Advertisement
Avatar
STRAILER
  • CERTIFIED EXPERT
  • 53,854 POSTS
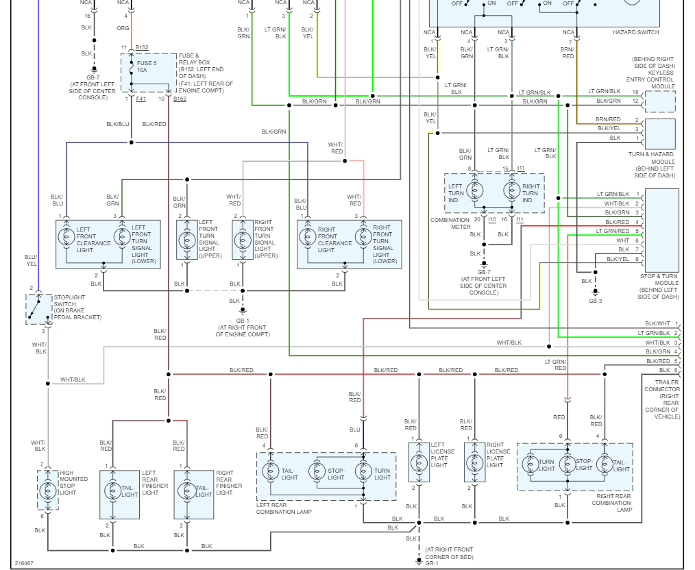
I have seen the turn signal and hazard module go out and cause this problem which is located behind the left side of the dash. Here is the location of the module so you can swap it out and I have included the blinker wiring diagrams so you can see how the system works as well. I would double check fuse #6 as well in the fuse panel under the hood. Check out the images (below). Please let us know what happens.
Oct 31, 2023 at 12:26 PM