This could be the relay but the first thing to check is the turn hazard fuse. This is a fuse in the engine compartment box.
https://www.2carpros.com/articles/how-to-check-a-car-fuse
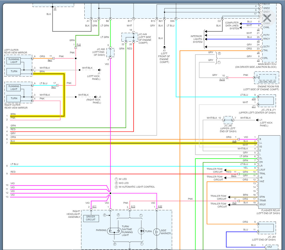
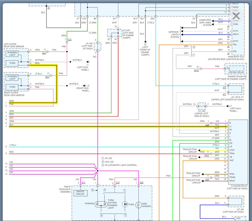
I am attaching the wiring diagram for the relay and the fuse info.
It is labeled turn-haz and is a 15 amp fuse.
Please check this and then if the fuse is okay we need to track power through the system and make sure the switch is not the issue as well.
https://www.2carpros.com/articles/how-to-check-wiring
Please let me know what questions you have. Thanks
Images (Click to enlarge)
Jan 6, 2022 at 3:26 PM