Which fuse on the fuse diagram is used for the turn signal?

2020 KIA SOUL
65,000 MILES
Avatar
MARK12VALLA
  • MEMBER
  • 2 POSTS
Which fuse on the fuse diagram is used for the turn signal?
Jul 17, 2023 at 10:03 AM
Advertisement
Avatar
STRAILER
  • CERTIFIED EXPERT
  • 53,854 POSTS
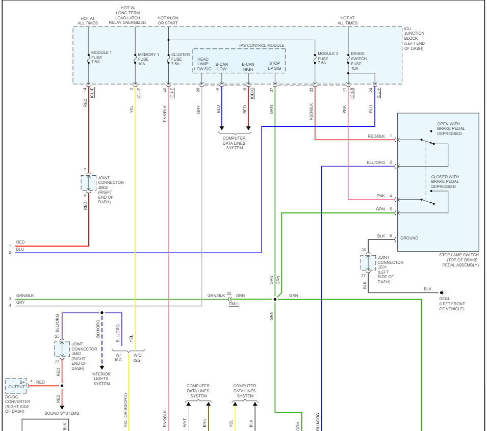
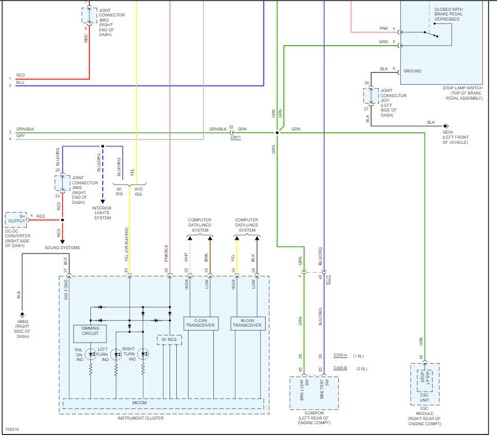
There are 3 main fuses that run the blinker system, (IBU 1 fuse inside the ICU junction block, B+3 and B+2 in the fuse panel under the hood). Here is a guide to help you with the testing. If the blinkers are not working and the fuses are good, chances are the IPS module (BCM) has gone bad. I have included the turn signal wiring diagrams in the images below so you can see how the system works.

https://www.2carpros.com/articles/how-to-check-a-car-fuse

The system does have other fuses that you should check as well, the wiring diagrams will show. Check out the images (below). Please let us know how it goes.

Jul 17, 2023 at 5:56 PM