Where is the Turbine speed sensor located?

2007 NISSAN ARMADA
98,000 MILES • 2.0L • V8 • TURBO • 2WD • AUTOMATIC
Avatar
TWYLAJENE85
  • MEMBER
  • 1 POST
I can't find the location.
Jan 4, 2024 at 2:23 AM
Advertisement
Avatar
STRAILER
  • CERTIFIED EXPERT
  • 53,855 POSTS
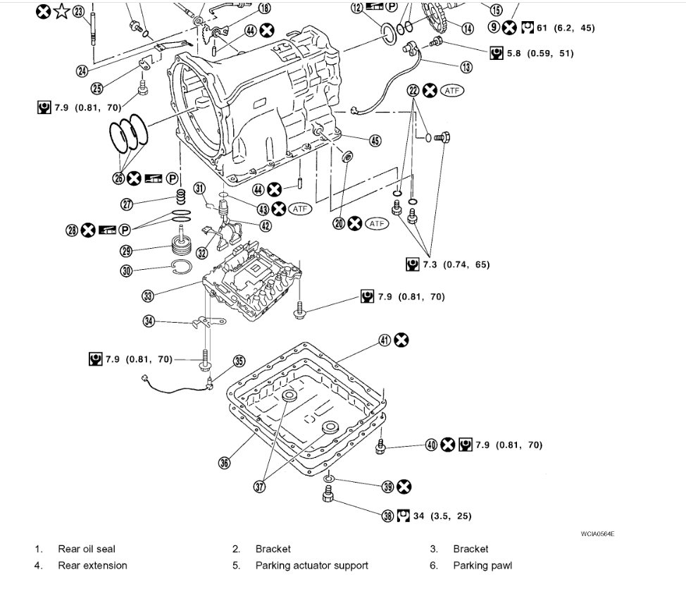
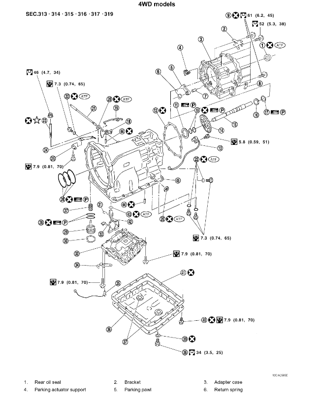
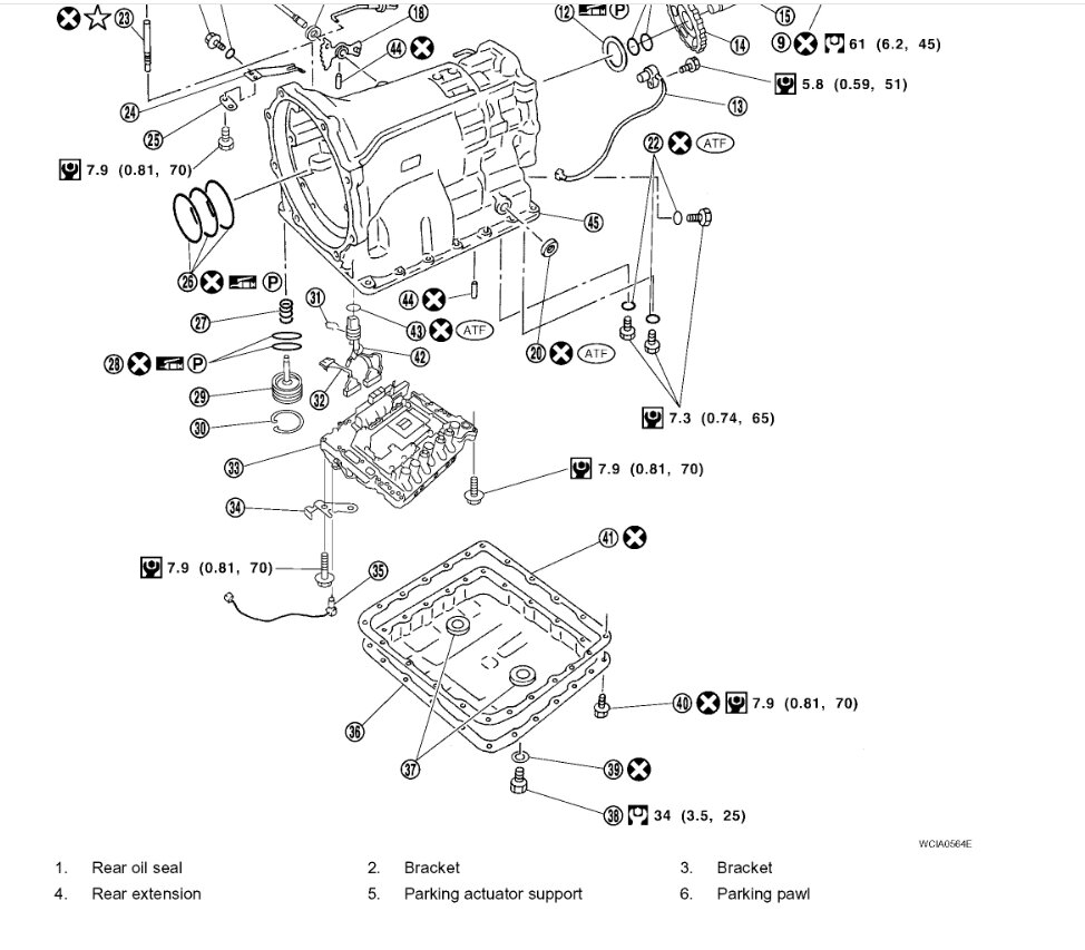
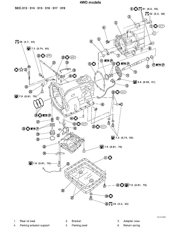
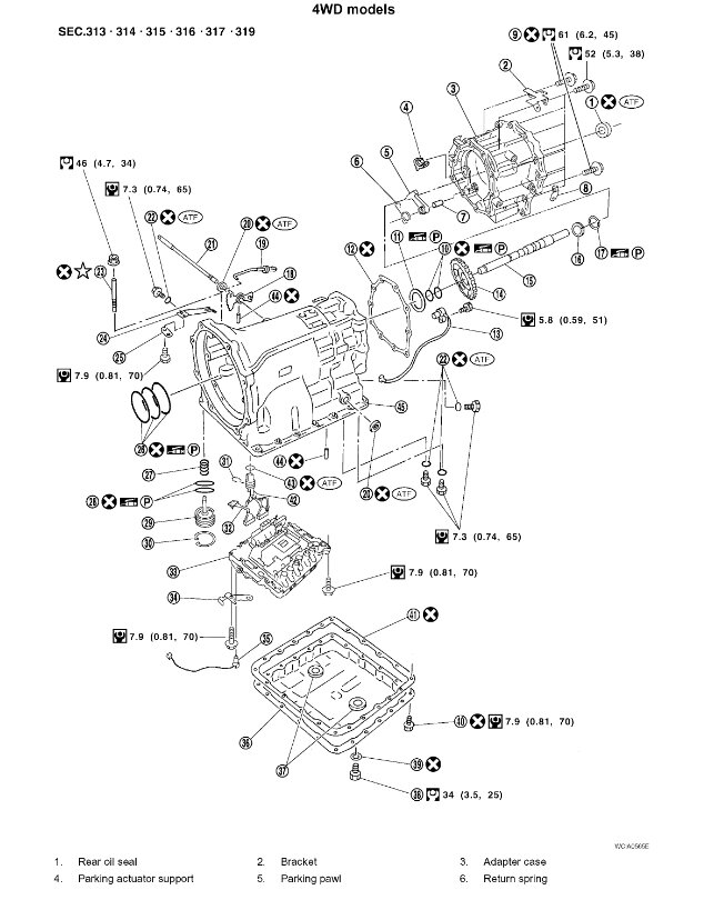
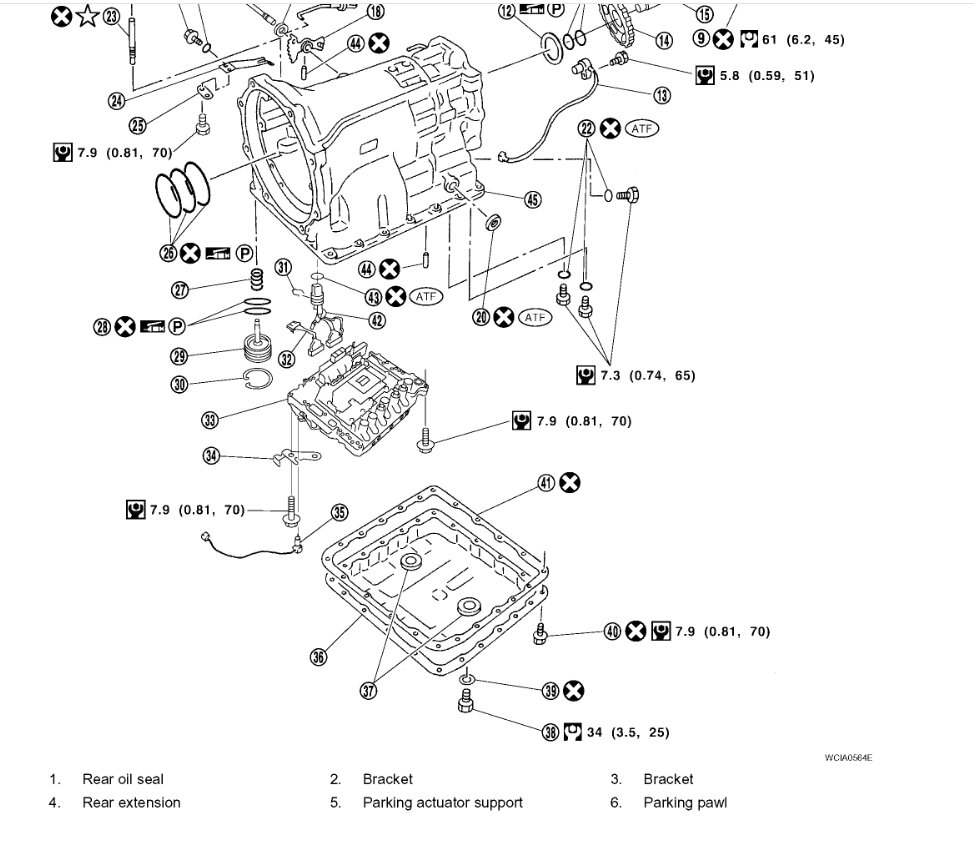
Both the VSS and output shaft and the turbine or input shaft sensors are inside the transmission, here is the location of both sensors in the images below. Check out the images (below). Let us know if you need anything else.
Jan 4, 2024 at 11:02 AM