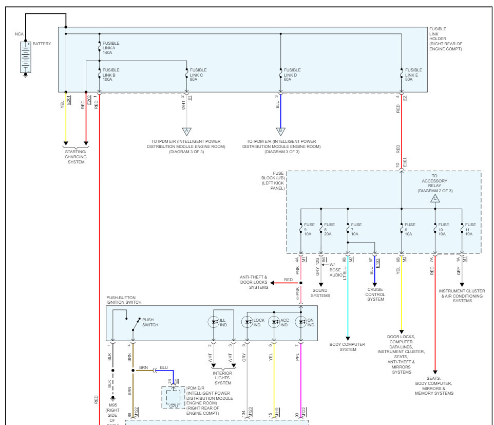
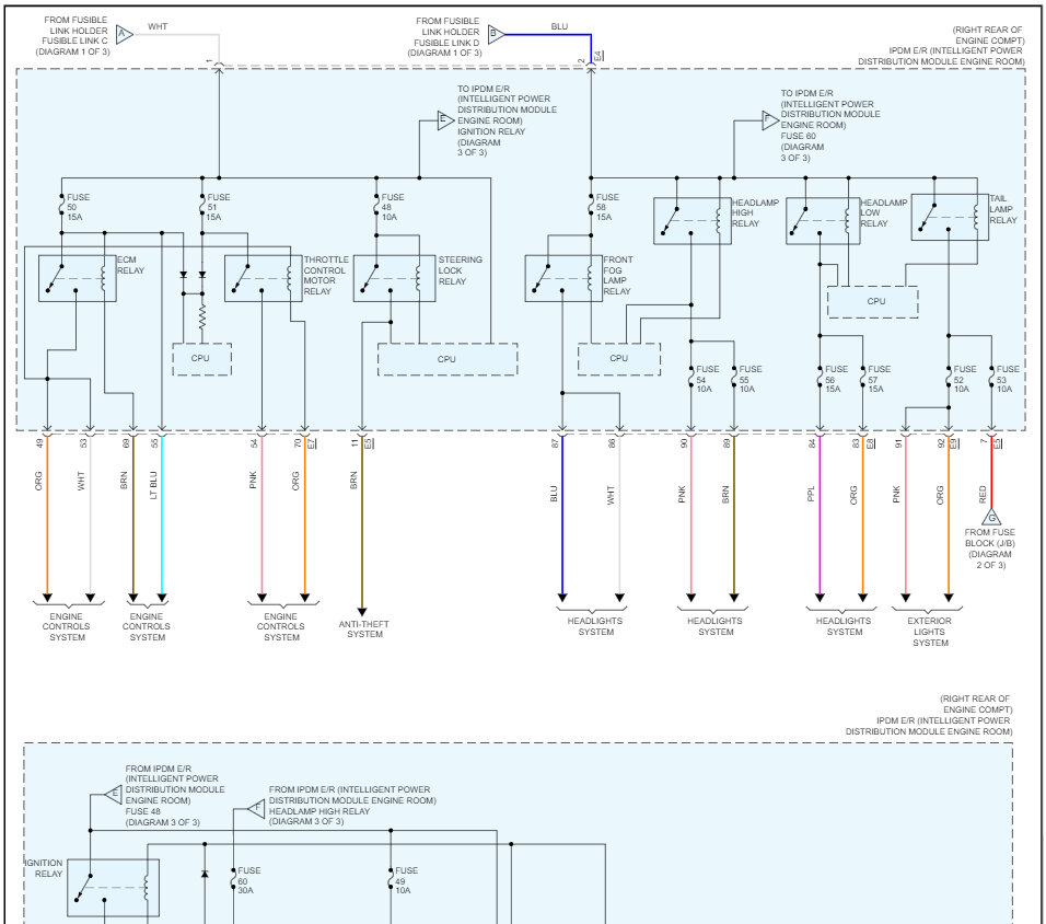
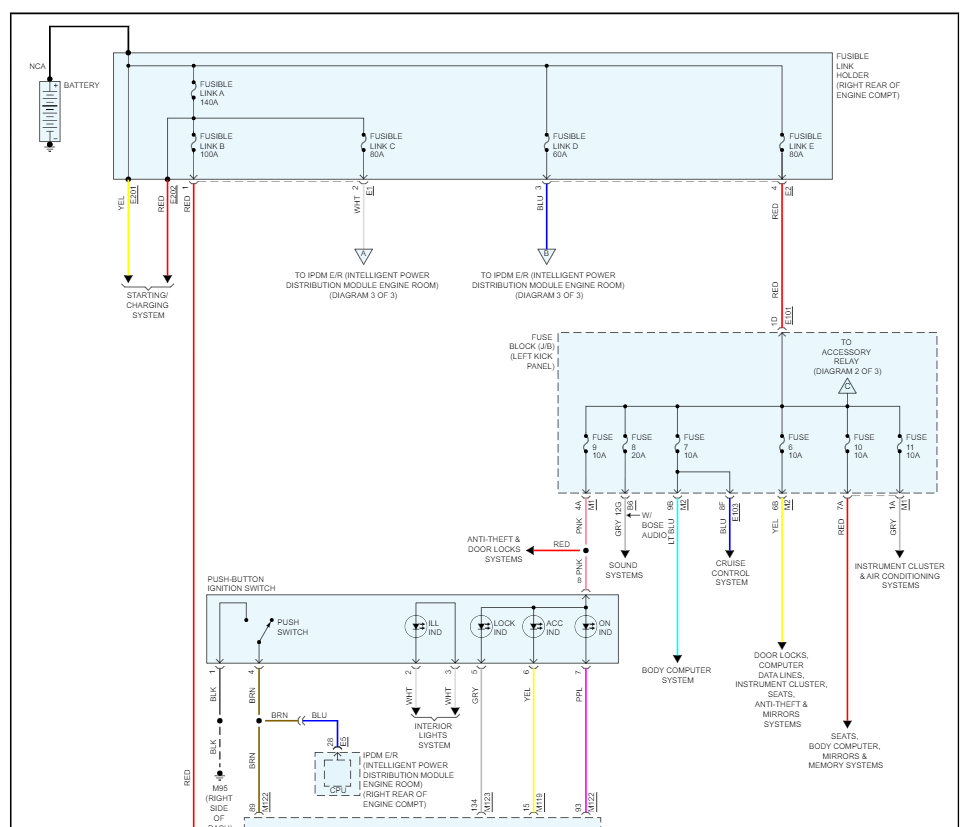
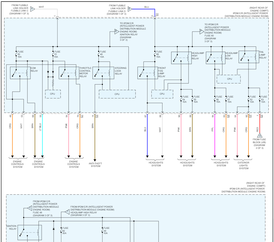
I would like a wiring diagram and the location of all relays. My car failed to start. I have a brand-new starter and battery. Needing to know what I should try next.
Jul 17, 2023 at 4:44 AM





