trying to get headlights and running lights working

1992 CHEVROLET SILVERADO
240,000 MILES • 5.7L • V8 • 2WD • AUTOMATIC
Avatar
DEWAYNE ANDERSON
  • MEMBER
  • 1 POST
I need to get headlights and running lights working and the wires were cut on the harness. I need to know what wires go where.
Aug 16, 2017 at 6:17 PM
Advertisement
Avatar
STEVE W.
  • CERTIFIED EXPERT
  • 15,113 POSTS
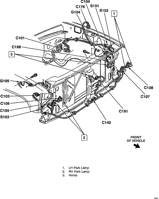
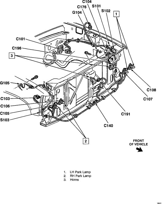
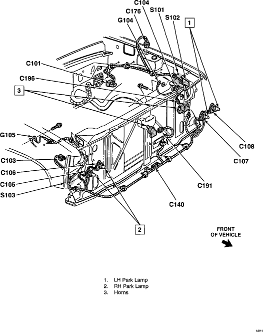
Where were the wires cut? Up front of the engine or ? Use the pictures to tell me where as there are connectors and changes in the harness.

Also which style lights do you have, the single lamps or the stacked quad lights? Different wiring for them.
You say the running/markers are not working, is that also only up front?

Get back to us and we can give you the harness information and colors.

Aug 16, 2017 at 7:09 PM