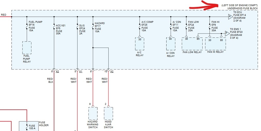
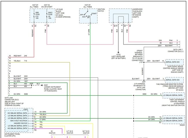
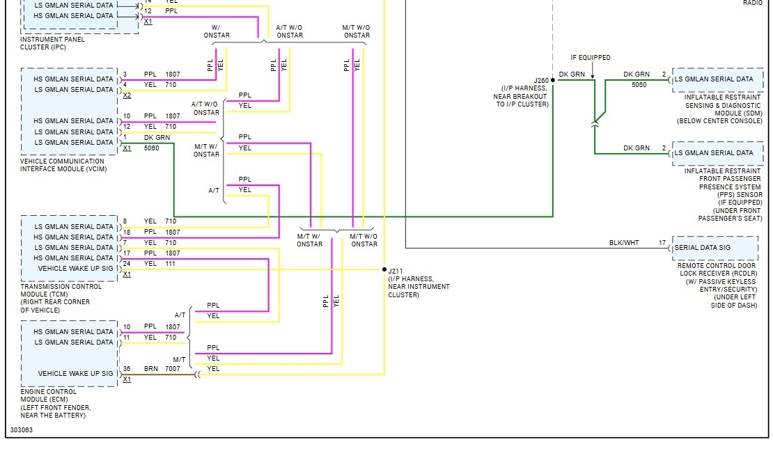
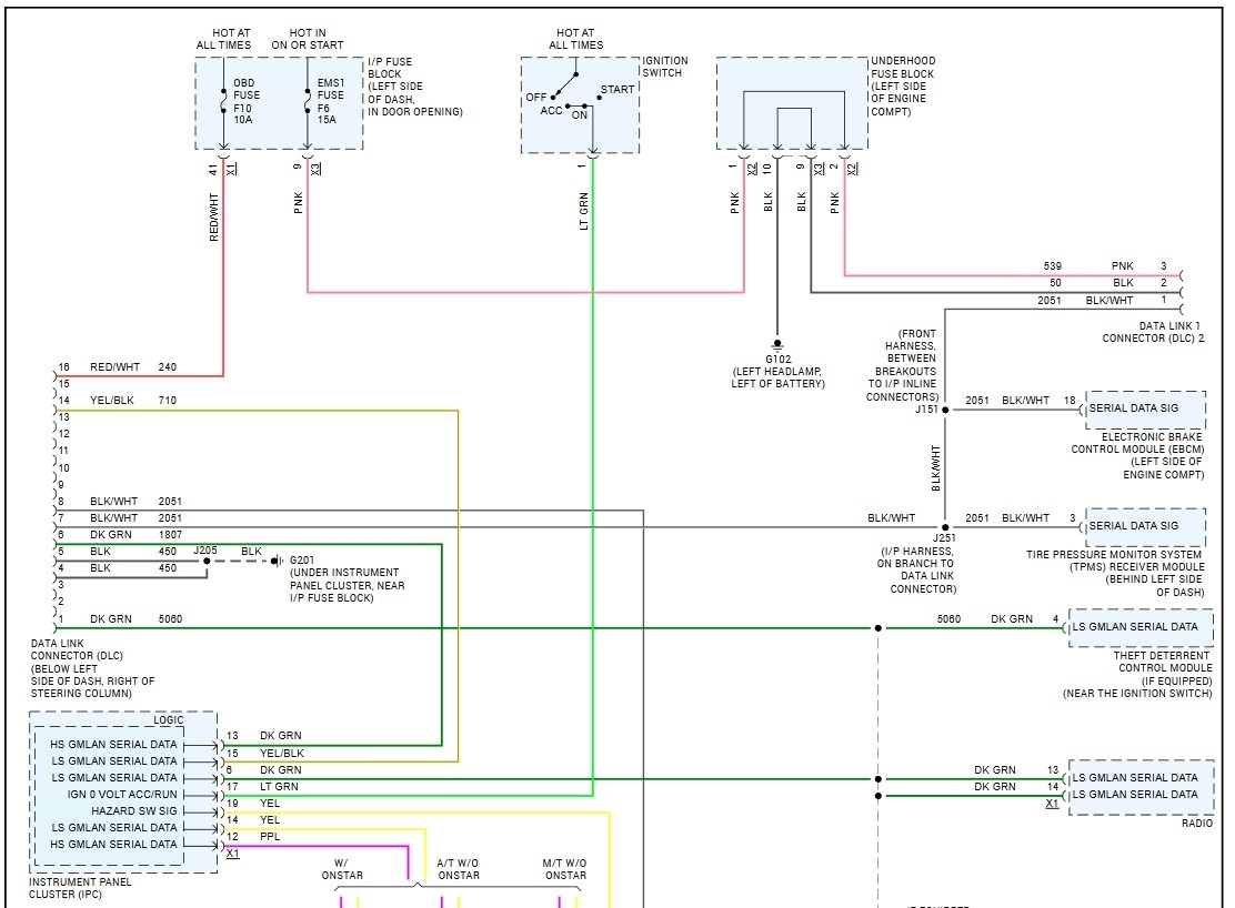
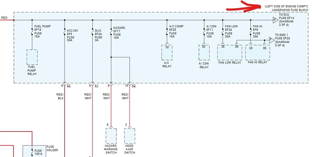
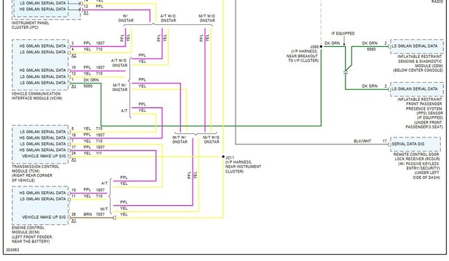
Service information on the vehicle says it doesn't have one for one thing, working on Daewoo vehicles also tells me it doesn't have one. The Aveo is a rebadged Daewoo made in South Korea or Mexico using the same parts.. Instead it has different functions distributed to the other modules. There is part of it in each fuse box, and individual modules that do things like anti-theft which is it's own module, the fuel pump is controlled through the ECM using a signal from the IMMO module that is compared to the security coding in instrument cluster and ECM. There are logic and control section in each of the fuse boxes, but neither are a BCM. They are a type of integrated power center, but do different things than a BCM. That is why I asked the problem, you need to test different things depending on the problem. The attached shows the logic in the fuse panels as well as all of the modules connected to the network. As you can see there is no BCM.
Programming Theft Deterrent System Components
Note To confirm if the vehicle has an immobilizer system, please check the vehicle SPID label or the VIN in GMVIS for the presence of RPO BAH (engine immobilizer).
Note Turn ON the ignition before installing in the scan tool. Failure to connect in this procedure may cause communication errors and the programming procedure will not complete. Any keys that are not programmed at this time will no longer function.
Note Try to obtain all the keys. At least 2 keys are necessary to successfully program the immobilizer system.
A maximum of 5 keys may be programmed.
Conditions
Use these procedures after replacing:
- Theft deterrent module (Immobilizer)
- Engine control module (ECM)
- Any key
Immobilizer Programming Procedure - LMU, LXT
1. Turn the ignition switch to the ON position.
2. Install the scan tool.
3. Select IMMOBILIZER KEY PROGRAMMING from the Module Setup menu under the Immobilizer section.
4. Follow the scan tool instructions with each key until all keys are programmed.
5. Turn the ignition to the LOCK position, disconnect the scan tool and test all the keys.
6. If any key does not function, perform this procedure again with all keys.
7. If any key does not accept the programming, replace it with a new key and perform this procedure again with all the keys.
Immobilizer Programming Procedure - LXV
This procedure will learn the data between the theft deterrent module and the ECM after replacing either the theft deterrent module or the ECM. Refer to Service Programming System (SPS) (See: Vehicle > Programming and Relearning > Service Programming System (SPS)).
Images (Click to enlarge)
Feb 14, 2026 at 6:50 PM