Trunk will not open?

2016 CHRYSLER 300
105,000 MILES • 6 CYL • 2WD • AUTOMATIC
Avatar
BHAMDOC1973
  • MEMBER
  • 2,008 POSTS
Won't work with the remote. Tried the button on dash same thing. I can fold the back seat and get in if needed.
Sep 22, 2024 at 6:50 PM
Advertisement
Avatar
STRAILER
  • CERTIFIED EXPERT
  • 53,855 POSTS
The first thing I would do is check fuse # 7 in the rear fuse panel.

Here is a guide to help:

https://www.2carpros.com/articles/how-to-check-a-car-fuse

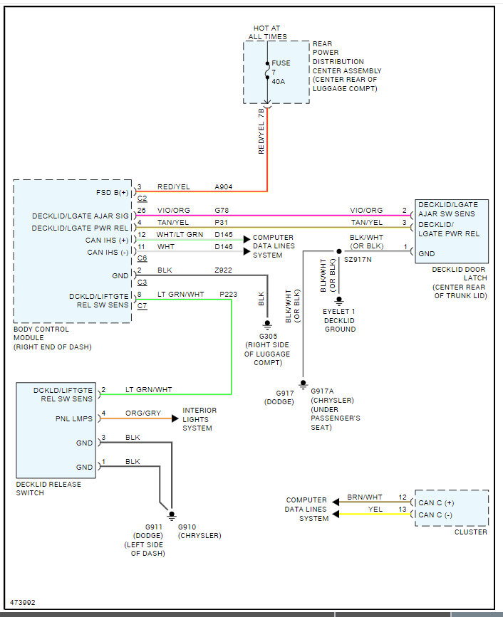
If that is okay, I would check to see if the latch is getting signal and if so, replace the latch. Here are the wiring diagrams so you can see how the system works and the fuse locations as well. FYI there is a release I have included to help get the trunk open. Check out the images (below). Let us know what you find.
Sep 23, 2024 at 10:47 AM
Avatar
BHAMDOC1973
  • MEMBER
  • 2,008 POSTS
So, i climbed in and opened the trunk. Found the latch connector not connected and the plastic trim around the striker off. Someone been there and was trying to just close it so it won't open. They did that because when you connect the latch connector the trunk opens fine. But the issue is, when you close the trunk, it locks the opens again on its own. For now, i found that when i close it and hold it down while it's trying to reopen for couple of seconds it will lock. Seems like the latch opens like it should not sure if this is a common issue where it just opens on its own. Before all that the trunk was not closing when i tried , it would not reach the striker. So, i adjusted the striker and now it closes but again it opens again on its own.
Sep 25, 2024 at 5:42 PM
Advertisement
Avatar
BHAMDOC1973
  • MEMBER
  • 2,008 POSTS
latch works fine, I think the button which is a common issue has water inside it and shorted out. Can you find me the part number for the button that is outside on the 3rd brake light?
Sep 26, 2024 at 10:18 AM
Avatar
STRAILER
  • CERTIFIED EXPERT
  • 53,855 POSTS
Sorry they don't give us the part number for the switch, you are going to need to call the dealer for that. Thanks for letting us know you found the problem though!
Sep 26, 2024 at 11:51 AM